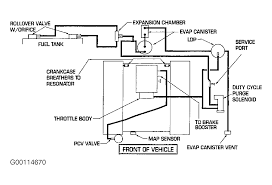
35 2002 dodge ram 1500 evap system diagram
When there is a small leak in the dodge rams evap system it will throw the p0456 obdii code. 2002 dodge ram 1500 evap system diagram. P0455 evap system leak repair 2001 dodge ram duration. The evap system captures all fuel vapor from the fuel tank and sends them to the engines intake in order to be ignited in the normal combustion process. 6. Re-assemble the EVAP system. 7. Erase all stored DTCs. 8. Road test the vehicle until the EVAP SRT shows "Complete", then re-check for any stored DTCs. CLAIMS INFORMATION For replacement of the EVAP canister and EVAP system charcoal debris cleaning/removal, submit a Primary Failed Part (PP) line claim using the following claims coding.
P0455 dodge ram 2001. The leak detection system tests for evap system leaks and blockage. 2004 dodge ram 1500 page 1 of 2. P0455 dodge description the evaporative emissions evap system is design to prevent the escape of fuel vapors from the fuel system. 2004 dodge ram hemi 1500 vapor canisterfuel issues.

2002 dodge ram 1500 evap system diagram
Dodge Ram 1500 / 2500 / 3500 2002, Vapor Canister by WVE®. WVE emissions products are made to meet or exceed vehicle manufacturer specifications to work in concert with the fuel system, underhood electronics and the engine to minimize... 2002 dodge ram 1500 evap system diagram. I did this and still have the code. I have checked hoses for. Evap leak dodge truck po455 this is a very common problem for dodges and chryslers. P0455 dodge ram 2001. 2002 dodge ram 1500 evap hose diagram cars trucks. As part of the evap system it effectively stores fuel vapors from the gas tank and ... 2002 dodge ram 1500 evap hose diagram - Cars & Trucks. Posted by Anonymous on Aug 09, 2013. Want Answer 0. ... Those codes are for the EVAP system, the 442 is a medium leak Read full answer. Jun 15, 2009 • 2002 Dodge Ram Maxi. 0 helpful. 1 answer.
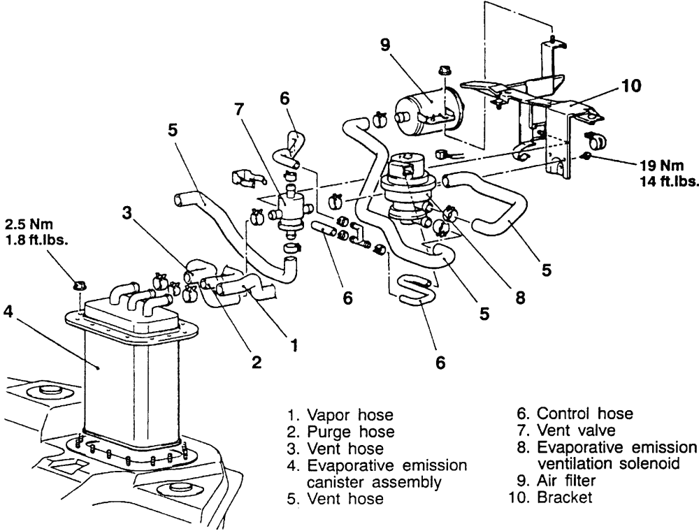
2002 dodge ram 1500 evap system diagram. P0455 and p0442 on 2001 dodge ram 4x4 quad. Shows where to look when troubleshooting your dodge ram for an evap leak. 2004 dodge ram 1500 evap canister. Hi this is a video on a 2001 dodge ram 1500 evap emission control system leak repair for code po442 small leak po455 large leak. Purge Valve Solenoid On 454 Chevy Starter Solenoid Wiring Diagram. Access our free Evaporative Emission Control System Repair Guide for Ram B1500, B2500, B3500, 1999-2003 through AutoZone Rewards. These diagrams include: Fig. Typical EVAP canister mounting-Dakota/Durango shown. Fig. Typical EVAP canister mounting-Ram 1500-3500. Fig. EVAP canister mounted on the left frame rail-1997 Ram 1500. Replacing Evaporative Emissions purge solenoid on a 2008 Dodge ram 5.7 hemi 1 Answer How Where is the Evaportive Emissions purge Located at, in this Dodge Ram Hemi W 2008 Dodge RAM 1500 Evap leak dodge ram 1500 v8 2001 p0455 p0442 p1494. Hi this is a video on a 2001 dodge ram 1500 evap emission control system leak repair for code po442 small leak po455 large leak. 2004 dodge ram 1500 evap canister. Where can you find a evap system schematic for a 2001 dodge 1500 2wd laramie. Im looking for vacuum diagrams for the 2001 ram van ...
Fits the following Dodge Ram 1500 Years: 1994-1996 Dodge Ram 1500 | 3-Person Cab 2WD, 3-Person Cab 4WD, Club Cab 2WD, Club Cab 4WD, Regular Cab 2WD, Regular Cab 4WD | 6 Cyl 3.9L, 8 Cyl 5.2L, 8 Cyl 5.9L. Less Info. View related parts. 2007-2010 Dodge Ram 1500 Valve-Linear PURGE. Part Number: 4891739AA. Scott Brown shows you the locations of the PCV valve, EVAP vent valve, & EVAP Canister on this 2002 Dodge Ram 1500 4.7l The check engine light on my 2001 Dodge Ram 1500 w/318 V8 came on. I was told by the person that read the code that I had a large leak in the evap. emmision system. I was looking for a split or broken … read more The P0455 it's a very common code, because the code is set if the gas cap is loose or missing. Start by tighten the gas cap and clearing the code. In most cases the code can be clear by disconnecting the car battery for about 30 minutes. The P0442 code means that the control module has detected a small leak in the Evaporative Emission (EVAP).
02 Dodge 4 7 Engine Diagram - 2008 Lexus Gs 350 Fuse Box Bege Wiring Diagram. 2002 dodge ram 1500 4 7 engine diagram 1998 dodge dakota overdrive switch wiring along with 2001 dodge ram of 2002 dodge ram 1500 4 7 engine diagram. ... 29 2003 Dodge Ram 1500 Evap System Diagram - Wiring Database 2020. Fuse box diagram (fuse layout), location and assignment of fuses and relays Dodge Ram 1500, 2500, 3500 (2002, 2003, 2004, 2005). System Small Leak - Evaporative Emission System. The EVAP system captures all fuel vapor from the fuel tank and sends them to the engines intake in order to be ignited in the normal combustion process. When there is a small leak in the Dodge Ram's EVAP system, it will throw the P0456 OBDII Code. If there is a large leak, it'll throw P0455. 2007 Dodge Ram Evap Canister Wiring Schematic Diagram 2004 dodge ram 1500 evap canister. 2001 dodge ram 1500 evap system diagram. Evaporative system 2001 dakota. Evap leak dodge ram 1500 v8 2001 p0455 p0442 p1494. The worst complaints are emission evap hoses are crap fuel pump failure and gas caps do not seal properly and. Mar 17 2017. I took a.
2007. Engine. SRT 10 Viper Motor and Tranny. First link I not exactly a diagram but it gives the information on the wire colors: 2002 Dodge Ram 1500 Truck Car Stereo Wiring Diagram. Ok tried a search for the infinity system in the 2002 dodge ram but so many pictures came up that I am unsure of which one to link too.
Leak Detection Pump To Canister Crankcase Breather Hose Compatible with 2002-2005 Dodge Ram 1500 Automotive PCV Valves maristanis.consorziouno.it
In the video, 1A Auto shows how to remove and replace a broken or failing evap canister. The video is applicable to the 08 Dodge Ram truck.🔧 List of tools ...
The best part is, our Dodge Ram 1500 Evap. Emissions System Leak Detection Assembly products start from as little as $31.26. When it comes to your Dodge Ram 1500, you want parts and products from only trusted brands.
2000 Dodge Ram 1500 Single Cab, 5.9 Auto, 4.10's, Auburn LSD, Edelbrock headers, 2.5" true duals with crossover, MSD Superconductors, APS Plenum Kit, Level10 Trans kit, Trans-Go shift kit, 2-4 BellTech Drop, SS/T rims, Toyo Proxes ST 285-60-17's, Sir Michaels Roll Pan and tailgate handle relocator, Keystone bumper cover with light openings, PIAA fogs, painted grille shell, painted Street Scene ...
2001 dodge ram 1500 evap system diagram. The ram 1500 3500 trucks utilize two evap canisters located side by. Evap system leak repair 2001 dodge. The check engine light is on and the trouble codes are p0442 and p0455. Leaks in the system ca allow vapors to escape into the atmosphere. My problem was found within the hoses on the top of the.
2002 dodge 1500 4.7 ..vacuum diagram pictures. Reply 1: Check out the diagrams Below. Please let us know if you need anything else to get the ...
2004 Dodge Ram 1500 Truck Code P0441 indicates that a part of the EVAP control system is no longer functioning correctly. The EVAP system consists of many parts, including (but not limited to) the gas cap, fuel lines, carbon canister, purge valve, and other hoses.
Dodge Ram P0441 Symptoms. Often, the only symptom of P0441 will be the service engine soon light itself. In a few cases there may be other symptoms. Here they are: Check Engine Light- Often, this is the only indication of a problem. Fuel Odor- The EVAP system deals with fuel vapor. Often when there is a problem with it there will be a gas ...
Dodge Ram 1500 / 2500 / 3500 2002, Vapor Canister by WVE®. WVE emissions products are made to meet or exceed vehicle manufacturer specifications to work in concert with the fuel system, underhood electronics and the engine to minimize...
Variety of 2002 dodge ram 1500 evap system diagram wiring layout. A electrical wiring design is actually a sleek regular photo embodiment of an electric circuit. It reveals the elements of the circuit as sleek kinds, as well as additionally the electrical power and also sign links in between the devices.
2002 dodge dakota evap system diagram. Once the cap was on i went for a spin to see if the light went off on. This is a procedure best suited to a professional shop due to the precautions and the equipment needed to test this system. ... Diagram Engine Diagrams For 1996 Dodge Ram 1500 5 2 Full Version Diagram 2003 Dodge Ram Evap Wiring Diagram ...
2002 dodge ram 1500 evap hose diagram - Cars & Trucks. Posted by Anonymous on Aug 09, 2013. Want Answer 0. ... Those codes are for the EVAP system, the 442 is a medium leak Read full answer. Jun 15, 2009 • 2002 Dodge Ram Maxi. 0 helpful. 1 answer.
2002 dodge ram 1500 evap system diagram. I did this and still have the code. I have checked hoses for. Evap leak dodge truck po455 this is a very common problem for dodges and chryslers. P0455 dodge ram 2001. 2002 dodge ram 1500 evap hose diagram cars trucks. As part of the evap system it effectively stores fuel vapors from the gas tank and ...
Dodge Ram 1500 / 2500 / 3500 2002, Vapor Canister by WVE®. WVE emissions products are made to meet or exceed vehicle manufacturer specifications to work in concert with the fuel system, underhood electronics and the engine to minimize...
 
     
     
     
     
     
     
     
     
     
     
     
     
     
    
0 Response to "35 2002 dodge ram 1500 evap system diagram"
Post a Comment