35 craftsman 50 inch mower deck belt diagram
Aug 16, 2021 · Belt Diagram For Craftsman Riding Mower Lt1000. Simplicity 50 Mower Deck Belt Diagram. Gravely Mower Deck Belt Diagram. Husqvarna 54 Inch Deck Belt Diagram. Craftsman Riding Lawn Mower Drive Belt Diagram. Husqvarna Yth2348 Mower Deck Belt Diagram. Mtd Yard Machine 42 Inch Deck Belt Diagram. John Deere D130 42 Inch Deck Belt Diagram. Craftsman 48" mower deck belt. I purchased a Craftsman 48" 24 hp mower from a scratch and dent store. There are no model #s and I did not ...
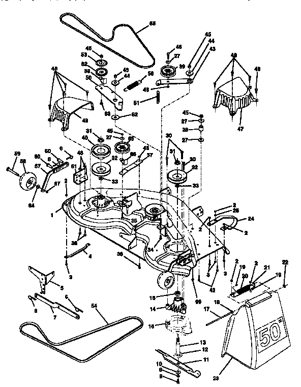
Mower Deck 50-Inch diagram and repair parts lookup for Craftsman 247.289810 (13AR91PP099) - Craftsman PYT9000 Yard Tractor (2010) (Sears) Order Status Customer Support 512-288-4355 My Account Login to your PartsTree.com to view your saved list of equipment.

Craftsman 50 inch mower deck belt diagram
Craftsman 50 inch mower deck belt diagram. 46 deck with 18 hp kohler engines model year 1994 1995 1997 1998. Discover ideas about cadillac. Riding mower and garden tractor belt routing diagrams. Craftsman tractor belt diagram 461 outdoor power equipment expert 2 jul 18 2009 10 51 am hi two belts. Arnold Craftsman 50 inch tractor mower deck drive belt is good quality, well made and Arnold is a reliable brand. This was a learning experience for me, I had ... Rating: 4,3 · 20 reviews This video provides step-by-step instructions for replacing the deck v-belt (or deck drive belt) on Craftsman lawn mowers. The most common reason for replaci...
Craftsman 50 inch mower deck belt diagram. Transmission belt routing chart. Note that idler pulley # 21 is a "Flat Idler" and # 22 is a "Grooved Idler". When. pulley. Also note that the belt should NEVER be so long that it touches itself like it seems to be doing around idler #. 21 in the picture. Also be careful to route your belt INSIDE the metal guides (# 13 & # 17) when installing ... In this short snack of a video, Taryl goes over how to upgrade your Craftsman GT 50" Riding Mower Deck Belt! Instead of using that old 1/2" belt that doesn't... I don't have a deck diagram but you should be able to figure it out it you put the back part of the belt (flat) up against the pulleys that are wide and the ... Features. RESISTS WEAR: Belts are manufactured using specifically engineered materials, including high-strength tensile cords designed to resist wear and provide superior durability. DURABLE: These belts are designed for the repeated engagement and disengagement of the mower's cutting deck. CMXGZAM501021.
This video provides step-by-step instructions for replacing the deck v-belt (or deck drive belt) on Craftsman lawn mowers. The most common reason for replaci... Arnold Craftsman 50 inch tractor mower deck drive belt is good quality, well made and Arnold is a reliable brand. This was a learning experience for me, I had ... Rating: 4,3 · 20 reviews Craftsman 50 inch mower deck belt diagram. 46 deck with 18 hp kohler engines model year 1994 1995 1997 1998. Discover ideas about cadillac. Riding mower and garden tractor belt routing diagrams. Craftsman tractor belt diagram 461 outdoor power equipment expert 2 jul 18 2009 10 51 am hi two belts.
Craftsman 247 203730 13ad78xs099 Craftsman T1400 Lawn Tractor 2014 Mower Deck Parts Lookup With Diagrams Partstree
954 04060b Deck Belt Replacement For Craftsman 247 203700 T1000 Lawn Tractor Compatible With 754 04060 42 Inch Deck Drive Belt Walmart Com
Craftsman Cmxgnam1130051 17adfacq093 Craftsman Z550 Zero Turn Mower 2019 Deck Parts Lookup With Diagrams Partstree
Need A Diagram For The Huskee Lt 4600 Lawn Mower Click Image For Larger Versionname 2011 12 20 231357 46 Deck Page 27 Yard Machine Riding Mower Diagram
Craftsman 247 250010 17ak2acs099 Craftsman Ztl7000 Zero Turn Mower 2012 Sears Mower Deck Parts Lookup With Diagrams Partstree
Craftsman 247 203695 13b226jd299 Craftsman R1000 Rear Engine Riding Mower 2017 Deck Parts Lookup With Diagrams Partstree
Amazon Com Mower Deck Spindle For Craftsman Riding Mower 44 46 50 Deck Replaces 143651 Patio Lawn Garden
Craftsman 107 277720 2690428 Craftsman Zt7000 Series 44 Zero Turn Mower 20hp Kohler 2005 44 50 Mower Deck Clutch Support Group 986810 986855 Parts Lookup With Diagrams Partstree
Craftsman 247 255880 13al79xt099 Craftsman T2600 Lawn Tractor 2018 Deck Parts Lookup With Diagrams Partstree
0 Response to "35 craftsman 50 inch mower deck belt diagram"
Post a Comment