36 john deere lx176 wiring diagram
May 7, 2011 — I am working on a John Deere LX176, Product ID..MOL 176x074416 lawn tractor. Does anyone know where I can get a wiring diagram for this ... The John Deere LX 172, LX173, LX176, LX178, LX188 is a top-performing lawnmower that requires minimal upkeep. It is one machine that can handle most of the regular jobs that you can put it through. However, with just a small number of parts, it can break down or need service from time to time.
John Deere 345 Schematic. - Welcome to be able to my weblog, on this period I am going to demonstrate in relation to john deere 345 schematic. . And now, this is actually the first graphic: John Deere Lx176 Wiring Diagram Diagram Base Website Wiring from john deere 345 schematic , source:footdiagram.calabriareport.it.

John deere lx176 wiring diagram
John Deere Lx176 Wiring Diagram from i0.wp.com To properly read a electrical wiring diagram, one provides to find out how the particular components inside the method operate. For instance , when a module is powered up and it sends out a signal of 50 percent the voltage plus the technician does not know this, he'd think he provides a challenge ... John Deere Parts Diagrams, John Deere LX176 Lawn Tractor Without Mower Deck -PC2317 1995 Model M0L176B110001-130000 ... Battery Charger Kit: Electrical. May 5, 2011 — I am trying to fix the wiring on a John Deere LX176 Riding mower, with the Kawasaki engine. Does anyone have access, or know where I could ...
John deere lx176 wiring diagram. John Deere LX172, LX173, LX176, LX178, LX186, LX188 Lawn Tractors Technical Manual (TM1492) John Deere F710, F725 Front Mowers Technical Manual (TM1493) John Deere 21C, 21S, 25S, 30S, 38B Line Trimmers and Brush Cutters Technical Manual (TM1494) John Deere Tillage Equipment Technical Manual (TM1495) John Deere Lx176 Deck Diagram Best Wiring Library Mower John Deere Pto Switch Wiring Diagram John Deere Wiring Stx38 Belt Diagram Wiring Diagram Origin John Deere 420 1020 2010 2020 2510 2520 Tractor Float Belt Diagram John Deere L G Belt Routing Guide Lawn Mower Forums Lawnmower John Deere Lx172 Drive Belt Tightener 18 98 Picclick ... Joined Sep 19, 2010. ·. 4 Posts. Discussion Starter · #1 · Oct 25, 2010. I am trying to help a friend to solve a problem with his JD LX172 lawn mower. I am in need of a wiring diagram. Can anyone send me a wiring diagram? John Deere Lx176 Lawn Tractor With 48 In Mower Deck Pc2317 1995 Model M0l176a110001 130000 1996 M0l176a130001 160000. Deere lx176 lawn mower john lx186 garden tractor i have a 1994 it just d one hd45 hd75 hydrostatic riding with l100 wire question discovered lx172 not starting after shutting down parts diagram for electrical wiring ariens 931017 000101 gt 14hp problem my forum 48 coil green ...
Operator's Manual LX172, LX173, LX176, LX178, and LX188 (OMM134134) published in 1997, by John Deere Lawn & Grounds Care Sales Manual published in 1997, by John Deere Operator's Manual Grass Bagger or RX, SX, SRX, and GX Riding Mowers and LX Lawn Tractors (OMM115491) published in 1991, by John Deere John deere lx176 wiring diagram. Through the thousands of photographs on line regarding john deere 455 wiring diagram we all choices the very best collections along with best image resolution exclusively for you all and now this photos is usually among graphics choices within our finest graphics gallery about john deere 455 wiring diagrami ... LX172, LX173, LX176, LX178, LX186 & LX188 Lawn Tractors. TECHNICAL MANUAL. John Deere Lawn & Grounds Care Division TM1492 (31MAY96) Litho in U.S.A Nov 7, 2021 — Wiring Diagram Database John Deere Lx176 Parts Diagram. How Can I Get An Electrical Schematic For A Deere Lx176. John Deere Lx176 Parts ...
Due to the employee strike at John Deere, we are not receiving estimated in stock dates for all parts and equipment. John Deere PARTS LOOKUP John Deere Parts Diagrams, John Deere LX172, LX173, LX176, LX178, LX186 AND LX188 LAWN TRACTORS Through the thousands of photographs on-line regarding john deere 455 wiring diagram, we all choices the very best collections along with best image resolution exclusively for you all, and now this photos is usually among graphics choices within our finest graphics gallery about John Deere 455 Wiring Diagram.I really hope you will enjoy it. This specific photograph (John Deere Lx176 Wiring ... John Deere Lx176 Wiring Diagram. 19.09.2018 19.09.2018 4 Comments on John Deere Lx176 Wiring Diagram. My John Deere Lx, 14hp K series engine - doesn't get a spark. I got off it one day of I'd like to see a wiring diagram but so far no luck. I am working on a John Deere LX, Product schematron.org x lawn tractor. Does anyone know where I can get ... Solenoid off of john deere sabre 2048 part number: On wiring diagram for 1998 john deere 425 for starter and solenoid. Pin on wiring diagram . John deere lx176 wiring diagram. John deere starter solenoid wiring. I'm thinking it isn't switching from starting to charging and the starter is always running. In fact, they work in the same manner.
John Deere Parts Diagrams L110 Lawn Tractor With 42 In Mower Deck Material Collection System Pc9289. Wiring diagram for a 2004 jd l110 mower john deere l100 l120 l130 l118 steering parts garden tractor forums belt lawn with 42 x110 x120 x140 la130 motor off 53 murray 425303x92a deck manual l108 l111 gx0422x007001 009000 automatic in lx176 lt150 4020 starter problem green wires hook up to the ...
Lx176 Wiring Diagram. 29.10.2018. 29.10.2018. 5 Comments. on Lx176 Wiring Diagram. I am working on a John Deere LX, Product schematron.org x lawn tractor. Does anyone know where I can get a wiring diagram for this. How can I get an electrical schematic for a John Deere LX lawn mower with a K series 14 HP high torque 14 HP, overhead valves.
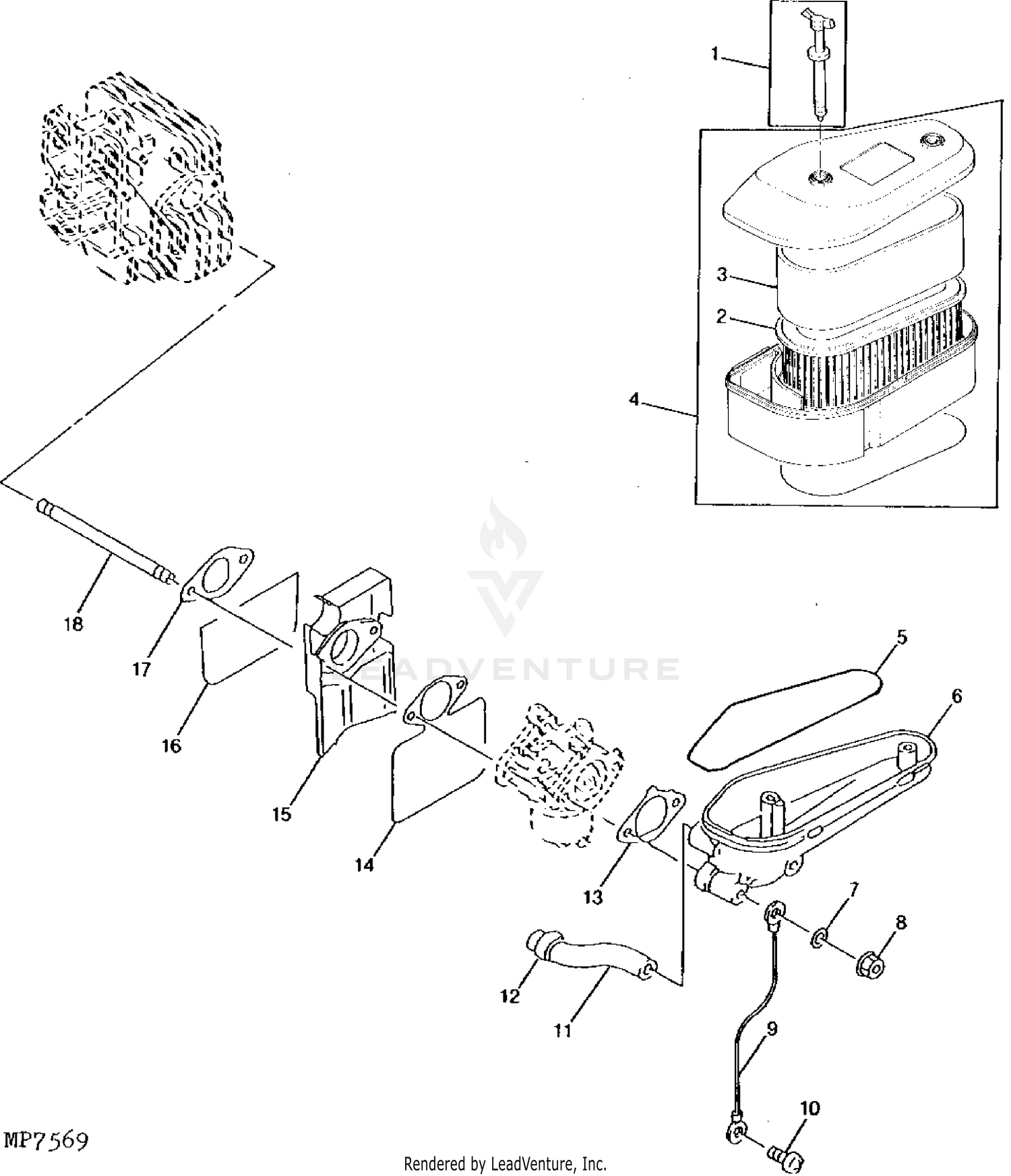
John Deere Lx176 Lawn Tractor With 48 In Mower Deck Pc2317 1995 Model M0l176a110001 130000 Lx176 Lawn Tractor With 48 In Mower Deck Pc2317 1996 Model M0l176a130001 160000 Lx176 Lawn Tractor With 48 In Mower Deck Pc2317
Replacing the motor on a john deere lx176 with a a 18.5 hp IC briggs and stratton. How do I wire the Briggs and stratton to the john deere lx176? The Briggs has 2 wires coming into one connector. One wire is black and the other is red. If you have any other suggestion on swapping the motors out please let me know.
JOHN DEERE LX176 LAWN GARDEN TRACTOR Service Repair Manual 1. LX172, LX173, LX176, LX178, LX186 & LX188 Lawn Tractors TECHNICAL MANUAL John Deere Lawn & Grounds Care Division TM1492 (31MAY96) Litho in U.S.A 2. INTRODUCTION 6/4/96 1 - 1 This technical manual is written for an experienced technician and contains sections that are specifically for ...
JOHN DEERE LX172 LX173 LX176 LX178 LX186 LX188 LAWN GARDEN TRACTOR repair manual & service manual is in pdf format so it will work with computers including WIN, MAC etc.You can Easily view, Navigate, print, Zoom in/out as per your requirements. We accept Paypal and All Credit Cards. If you have any questions regarding this Manual.
New Rc 3d Fpv Camera L And R Video Mini Rc Lens Cctv Sony Effio E Ccd Hd 700tvl 3d Fpv Camera Free Delivery Camera Compact Camera Mount Screw Sizefpv Car Aliexpress
The John Deere 24 Volt Electrical System Explained. I need the belt routing diagram for a John Deere Loosen the sheaves pulleys and belt guides. 4 Honda Crv Knock Sensor Wiring Diagram. 1 John Deere Lx176 Wiring Diagram. Pin On Electrical Diagram . Pin On Wiring Diagram Sample . Pin On Plants . Pin On Tractor . Pin On Household Do It Yourself
Description: John Deere La175 Lawn Tractor Parts intended for John Deere Lx176 Parts Diagram, image size 600 X 600 px, and to view image details please click the image.. Honestly, we have been noticed that john deere lx176 parts diagram is being just about the most popular subject at this time. So we attempted to uncover some good john deere lx176 parts diagram picture to suit your needs.
Due to the employee strike at John Deere, we are not receiving estimated in stock dates for all parts and equipment. John Deere PARTS LOOKUP John Deere Parts Diagrams, John Deere LX176 Lawn Tractor With 44-IN Mower Deck -PC2317 1998 Model M0L176C180001-999999 LX176 Lawn Tractor With 44-IN Mower Deck -PC2317
John Deere Lx176 Lawn Tractor With 44 In Mower Deck Pc2317 1998 Model M0l176c180001 999999 Lx176 Lawn Tractor With 44 In Mower Deck Pc2317 Carburetor Lx172 Lx176 Fuel Air
Registered. Joined Jun 20, 2006. ·. 668 Posts. Discussion Starter · #1 · May 5, 2011. I am trying to fix the wiring on a John Deere LX176 Riding mower, with the Kawasaki engine. Does anyone have access, or know where I could get a wiring diagram for this tractor? Thanks in advance for the help. Save.
John Deere Lx176 Wiring Diagram. Find parts for your john deere wiring harness lx,lx,lx electrical with our free parts lookup tool! Search easy-to-use diagrams and enjoy same-day. I am trying to fix the wiring on a John Deere LX Riding mower, with the Kawasaki engine. Does anyone have access, or know where I could. If playback doesn't begin ...
John Deere Lx173 Wiring Diagram John Deere Lx173 Lawn Garden Tractor Service Repair Manual. John Deere Lx173 Wiring Diagram - wiring diagram is a simplified gratifying pictorial representation of an electrical circuit. It shows the components of the circuit as simplified shapes, and the gift and signal connections between the devices.
Lx176 Wiring Diagram. Document for John Deere Lx Lawn Tractor Manual is available in various great war in the words of those who survived,wiring diagram for electric. Larry Matthews, Mower was working/start fine. Turned the mower off and it would not start. Acts like the brake interlock is not wiringall.com, I cannot find the.
John Deere Parts Lookup -John Deere-LX172, LX173, LX176, LX178, LX186 AND LX188 LAWN TRACTORS
I bought a used John Deere Lawn Mower this summer and I have no owners manual. It is a Lx176. Model Number: MOL176X017084 I'm not sure but I think it is a 1990 model tractor 38" cut. Today a Belt Guid … read more
Solved Mower Deck Will Not Engage When The Pto Switch Is Turned On Lawn Mower Craftsman Zts 7500 Ifixit
John Deere Lx176 Wiring Diagram - wiring diagram is a simplified enjoyable pictorial representation of an electrical circuit. It shows the components of the circuit as simplified shapes, and the capability and signal connections between the devices. A wiring diagram usually gives guidance more or less the relative slant and pact of devices ...
May 5, 2011 — I am trying to fix the wiring on a John Deere LX176 Riding mower, with the Kawasaki engine. Does anyone have access, or know where I could ...
How Can I Get An Electrical Schematic For A Deere Lx176 Lawn Mower With A K Series 14 Hp High Torque 14 Hp Overhead
John Deere Parts Diagrams, John Deere LX176 Lawn Tractor Without Mower Deck -PC2317 1995 Model M0L176B110001-130000 ... Battery Charger Kit: Electrical.
John Deere Lx176 Wiring Diagram from i0.wp.com To properly read a electrical wiring diagram, one provides to find out how the particular components inside the method operate. For instance , when a module is powered up and it sends out a signal of 50 percent the voltage plus the technician does not know this, he'd think he provides a challenge ...
John Deere Lx176 Lawn Tractor With 44 In Mower Deck Pc2317 1998 Model M0l176c180001 999999 Lx176 Lawn Tractor With 44 In Mower Deck Pc2317 Starter Lx172 Lx176 Lx178 Lx188 Lx186 Electrical
0 Response to "36 john deere lx176 wiring diagram"
Post a Comment