37 kia sedona parts diagram
2012 Kia Sedona Parts. Parts and Categories. Body. Body Side Panel & Wheel Guard Rear. Crossmember-Front. Fender & Hood Panel & Wheel Guard-Front. Fender Apron & Radiator Panel. Floor Assy-Complete. Label. Kia Sedona: Schematic Diagrams. Third generation YP (2014-2021) / Kia Sedona YP Service Manual / Emission Control System / Evaporative Emission Control System / Schematic Diagrams. Schematic Diagram: Canister. Canister is filled with charcoal and absorbs evaporated vapor in fuel tank. The gathered fuel vapor in canister is drawn into the intake ...
How to reset kia optima radio ... -2010 Hyundai Sonata 2005-2011 Kia Pregio 2006 Hyundai Starex 2002-2009 Kia Rio 2005-2010 Hyundai Terracan 2001-2006 Kia Sedona 2002-2011 Hyundai Tiburon 2002-2008 Kia Shuma 2001-2004 Hyundai Trajet XG 2000-2007 The video above shows how to replace blown fuses in the interior fuse box of your 2008 Kia Optima in ...
Kia sedona parts diagram
About Kia Sedona. Kia Sedona, also known as Kia Carnival, is a minivan manufactured by South Korean automaker Kia Motors since 1998. The first Kia Sedona was introduced in September 1998 marked globally under various nameplates. Up to today, it has been produced through three generations. What's more, Kia Sedona has received 2007 MotorWeek as ... Megane 225 / R26. 0 0. Go to "Image", "Stretch/Skew" and use the same % for both axes. If you desire to entertaining books, lots of novels, tale, jokes, and more Dec 14, 2020 · Kia sedona 2002 2006 wiring diagrams daytime running lights e 4gif. Here is the FGTech BOOT Tricore user manual for BMW ECU Bosch EDC17 and … Shop for Passenger Car Tires in Tires & Accessories. Buy products such as Vercelli Strada 2 All-Season Tire - 235/45R18 98W at Walmart and save.
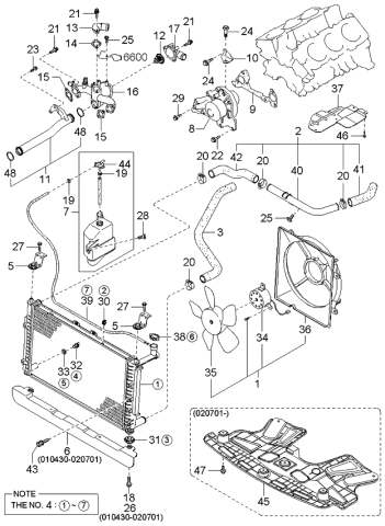
Kia sedona parts diagram. Description: 2004 Kia Sedona Parts – Mentor Mitsubishi Parts inside 2003 Kia Sedona Parts Diagram, image size 600 X 377 px, and to view image details please click the image.. Actually, we also have been remarked that 2003 kia sedona parts diagram is being just about the most popular subject at this moment. So that we attempted to locate some good 2003 kia sedona parts diagram picture to suit ... Kia Sedona: Components and Components Location. Third generation YP (2014-2021) / Kia Sedona YP Service Manual / Engine Control / Fuel System / Engine Control System / Components and Components Location. Components Location: 1. Engine Control Module (ECM) 2. Barometric Pressure Sensor (BPS) 3. Manifold Absolute Pressure Sensor (MAPS) – Kia Forum intended for 2005 Kia Sedona Parts Diagram, image size 436 X 444 px, and to view image details please click the image. Honestly, we have been noticed that 2005 kia sedona parts diagram is being just about the most popular field at this moment. So we tried to identify some terrific 2005 kia sedona parts diagram photo for your needs. KIA Car Manuals PDF & Wiring Diagrams above the page - Stonic, Cadenza, Rio, Sorento, Amanti, Borrego, Optima, Forte, Rondo, Sportage, Sedona, Niro, Spectra, Carnival, Ceed, Pro Ceed, Stinger, Venga; KIA Cars EWDs.. At the time of its founding, the Korean company was called KyungSung Precision Industry.The key activity of the enterprise was individual vehicles.
Genuine OEM Kia replacement parts in stock and ready to ship. This store is temporarily closed . For additional assistance please contact KiaParts.com via email at parts@kiaparts.com or by calling (888) 231-0067. Search Bar 2. Search by Part Number(s), Keywords, or VIN. No Vehicle Selected . Price Kia has the perfect new Kia for you today! Find your new vehicle with us today! VIN: 5XYP5DHC2NG222174. g scbfr7za5cc072256 Each car and truck built after 1980 has been stamped by the manufacturer with a unique vehicle identification number or VIN. 1 V6, the base engine in the 1990-92 Camaro/Firebird platform, and VIN code 8 is much ... Description: Want Info About Used Craftsman Gt5000 in Craftsman Gt 5000 Parts Diagram, image size 907 X 680 px, and to view image details please click the image.. Actually, we also have been noticed that craftsman gt 5000 parts diagram is being just about the most popular issue at this time. So we tried to find some terrific craftsman gt 5000 parts diagram photo for your needs. PARTS LIST KIA SEDONA 2002 - 2005; Kia Carnival Sedona 2002-2005 Service & Repair Manual Download PDF; Kia Sedona Carnival 2005 Service & Repair Manual Download PDF; KIA CARNIVAL SEDONA 2002-2005 SERVICE REPAIR MANUAL; KIA SEDONA 2001-2005 SERVICE REPAIR MANUAL 2002 2003 2004; Kia Sedona Complete Workshop Service Repair Manual 2002 2003 2004 2005
2004 Kia Sedona Parts. Parts and Categories. Body. Caution Plate & Labels. Dash & Cowl Panels. Door-Front. Fender & Wheel Apron Panels. Hood. Panel-Floor. Nov 07, 2021 · Jul 09, 2018 · Kia Diagnostic Fault Codes. 2010 Subaru Forester 4dr Auto 2. GMC Sierra mk1 (2005) - fuse box diagram - Auto Genius P0451 Evaporative Emission Control System Pressure Sensor Range/Performance P0452 Evaporative Emission Control System Pressure Sensor Low Input P0453 P0451 - EVAP Control System Pressure Sensor Range/Performance. Jan 23, 2017 · Description: Omc Parts Drawings * Outdrive Repair Help * Videos with Volvo Penta Outdrive Parts Diagram, image size 560 X 736 px, and to view image details please click the image.. Actually, we also have been noticed that volvo penta outdrive parts diagram is being just about the most popular topic right now. So we attempted to find some terrific volvo penta outdrive parts … The Kia Sedona had all the makings of a good-quality minivan with a 3.5-liter V6 engine under its hood and a 4-speed automatic transmission. However, it wasn’t fully equipped with all the features a top-of-the-line minivan should have. The first-generation Kia Sedona parts were great but less than stellar.
CHEVROLET Car Manuals PDF & Wiring Diagrams above the page - Volt Owner & Service Manual, Camino, Cruze, Roadtrek, Camaro, Corvette, Aveo; Chevrolet Car Wiring Diagram - Corvette, Bel Air, Cavalier, Impala, Camaro, Astro, Malibu, Venture, Chevelle, PickUp, Suburban, Tahoe, Sonoma.. Chevrolet cars coproration was founded in 1910.. Soon after Durant was forced out of GM's, he …
Caster, Camber & Toe Explained CASTER. Caster is the fore or aft slope of the steering axis.The steering axis is a line drawn through the upper and lower ball joints of the knuckle. Positive caster is when the bottom of the steering axis line is in front of the tire's contact patch.
Shop for Passenger Car Tires in Tires & Accessories. Buy products such as Vercelli Strada 2 All-Season Tire - 235/45R18 98W at Walmart and save.
Megane 225 / R26. 0 0. Go to "Image", "Stretch/Skew" and use the same % for both axes. If you desire to entertaining books, lots of novels, tale, jokes, and more Dec 14, 2020 · Kia sedona 2002 2006 wiring diagrams daytime running lights e 4gif. Here is the FGTech BOOT Tricore user manual for BMW ECU Bosch EDC17 and …
About Kia Sedona. Kia Sedona, also known as Kia Carnival, is a minivan manufactured by South Korean automaker Kia Motors since 1998. The first Kia Sedona was introduced in September 1998 marked globally under various nameplates. Up to today, it has been produced through three generations. What's more, Kia Sedona has received 2007 MotorWeek as ...
2013 All 2013 Carnival Sedona 05 Nov 2006 2006 2014 Transmission 41416 Clutch Master Cylinder Catcar Info
Kia Sedona Schematic Diagrams Smart Cruise Control System Engine Electrical System Kia Sedona Yp Service Manual

Automotive Radiator Coolant Hose Curved Radiator Hose Upper Dayco Fits 02 05 Kia Sedona Parts Accessories Hoses Clamps

Car Truck Interior Parts Car Truck Parts 06 08 09 10 07 Kia Sedona Right Rear Slider Door Power Window Motor Regulator

2015 2017 Kia Sedona Oem New 2015 17 Kia Sedona Limited Front End Module Carrier Assembly 64101 A9000 64101 A9000 Quirkparts
0 Response to "37 kia sedona parts diagram"
Post a Comment