37 troy bilt ltx 1842 belt diagram
Trying to figure out why PTO belt for my mower is way too long.I have checked all pulleys,springs,brackets as well as the belt routing etc. all to no avail. Operator's Manual. Pedal Drive Lawn Tractor. Models LTX-1842. LTX-2146 ... www.troybilt.corn ... IMPORTANT: Note the routing of the lower drive belt.48 pages
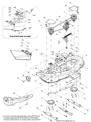
Deck Assembly G 42" diagram and repair parts lookup for Troy-Bilt LTX 1842 (13AP609G063) - Troy-Bilt Lawn Tractor (2003) Order Status Customer Support 512-288-4355 My Account Login to your PartsTree.com to view your saved list of equipment.

Troy bilt ltx 1842 belt diagram
Troy Bilt 13WX78KS Bronco () Drive & Transmission Parts Diagram . PLUG DECK HOLE 7/8 $ 36 A Upper Drive Belt. Troy Bilt 13WX78KS Bronco () Mower Deck Inch Exploded View parts lookup by model. Complete exploded views of all the major manufacturers. This is how you remove and change the deck belt on your Troy-Bilt riding lawn mower. Operator's Manual. Pedal Drive Lawn Tractor. Models LTX-1842. LTX-2146 ... For more details about your unit, visit our website at www.troybilt.com ...48 pages working machine, use. Factory Approved Parts. V-belts are designed to engage and disengage safely. A substitute (non. OEM) V-belt can be.19 pages
Troy bilt ltx 1842 belt diagram. Troy-Bilt repair parts and parts diagrams for Troy-Bilt LTX 1842 (13AP609G063) - Troy-Bilt Lawn Tractor (2003) Order Status Customer Support 512-288-4355 My Account Login to your PartsTree.com to view your saved list of equipment. Troy Bilt 13AP609G063 LTX1842 (2003) Parts Diagrams · Found on Diagram: Axle, Front, Steering Assembly, Wheels, Front · Screw. 7101260A. Screw · Screw. 7100604A. Troy-Bilt Lawn Mower Model LTX-1842 Parts. Troy-Bilt Lawn Mower Model LTX-1842 Parts are easily labeled on this page to help you find the correct component for your repair. Filter results by category, title and symptom. You can also view diagrams and manuals, review common problems that may help answer your questions, watch related videos, read insightful articles or use our repair help guide ... 13AP609G063 LTX1842 (2003). Page 1 of 20. Axle, Front, Steering Assembly, Wheels, Front www.mymowerparts.com. For Discount Troy Bilt Parts Call 606-678-9623 ...20 pages
Troy Bilt 13APG LTX PTO Drive, Battery, Frame Components Parts Diagram. SWIPE SWIPE Belt Guard A Belt Guard $ diagramweb.net - Select Troy-Bilt LTX (13APG) - Troy-Bilt LTX Lawn Tractor () Diagrams and order Genuine Troy-Bilt Mowers: lawn.Find all the parts you need for your Troy-Bilt Lawn Mower LTX at diagramweb.net We have manuals, guides and ... Troy Bilt 13AP609G063 LTX1842 (2003) PTO Drive, Battery, Frame Components Exploded View parts lookup by model. Complete exploded views of all the major manufacturers. It is EASY and FREE Troybilt LTX-1842 front-engine lawn tractor parts - manufacturer-approved parts for a proper fit every time! We also have installation guides, diagrams and manuals to help you along the way! Download the manual for model Troybilt LTX-1842 front-engine lawn tractor. Sears Parts Direct has parts, manuals & part diagrams for all types of repair projects to help you fix your front-engine lawn tractor!
5/8" inch X 91" inch for the Long main drive belt, we got the wrong 1 1st: 90" & it measured 89" inches, so get the 91" inch. TAKE A PICTURE, BEFORE you take... working machine, use. Factory Approved Parts. V-belts are designed to engage and disengage safely. A substitute (non. OEM) V-belt can be.19 pages Operator's Manual. Pedal Drive Lawn Tractor. Models LTX-1842. LTX-2146 ... For more details about your unit, visit our website at www.troybilt.com ...48 pages Troy Bilt 13WX78KS Bronco () Drive & Transmission Parts Diagram . PLUG DECK HOLE 7/8 $ 36 A Upper Drive Belt. Troy Bilt 13WX78KS Bronco () Mower Deck Inch Exploded View parts lookup by model. Complete exploded views of all the major manufacturers. This is how you remove and change the deck belt on your Troy-Bilt riding lawn mower.

I Just Replaced The Drive Belt Part 754 0467 And Everything Appears Correct But Once My Super Bronco Mover

Troy Bilt Ltx 1842 13ap609g063 Troy Bilt Lawn Tractor 2003 Deck Assembly G 42 Parts Lookup With Diagrams Partstree
0 Response to "37 troy bilt ltx 1842 belt diagram"
Post a Comment