40 john deere 345 mower deck belt diagram
5 Aug 2020 — The blade belt disintegrated on my 345's 48" deck while mowing and left me little to go by on how ... John Deere 170, 180, 185, LX188, 345 Description: John Deere 648M Quik Trak Mower Parts intended for John Deere 345 Parts Diagram, image size 410 X 410 px, and to view image details please click the image.. Truly, we have been remarked that john deere 345 parts diagram is being one of the most popular subject at this moment. So we attempted to identify some terrific john deere 345 parts diagram graphic to suit your needs.
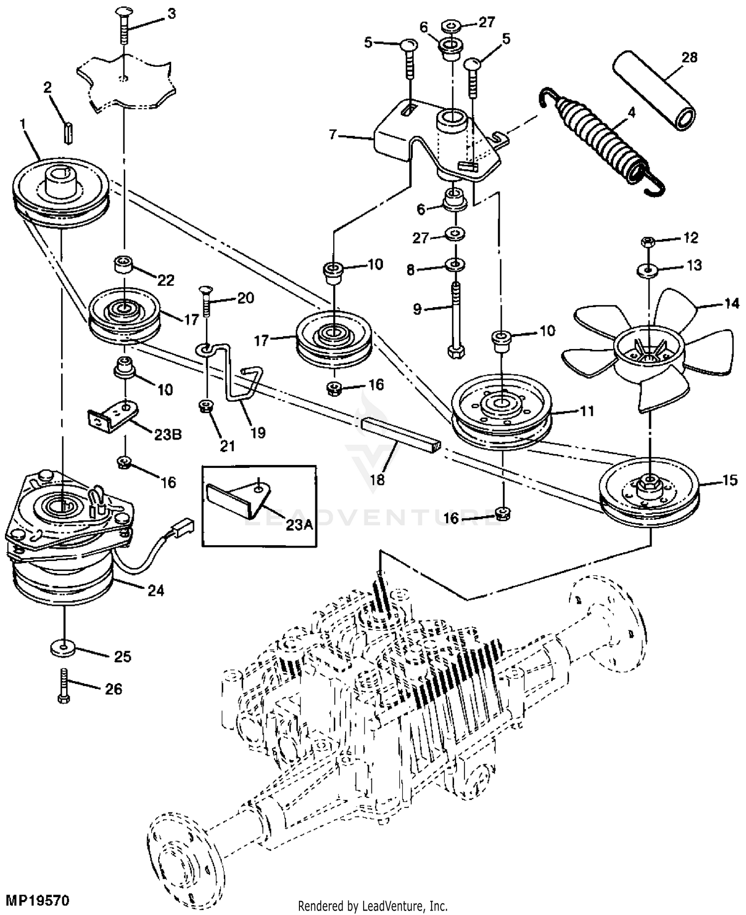
John deere side discharge chute m123859 12. John deere 345 wiring diagram john deere 345 wiring diagram within john deere 345 parts diagram image size 445 x 450 px and to view image details please click the image. John deere primary deck drive belt m143019 33 2887. Drive belt diagram for a john deer zero turn mower.

John deere 345 mower deck belt diagram
Click the part number below to view and order John Deere GX345 Lawn Tractor Parts 54 Mower Deck, or search illustrated diagrams to determine the part you ... 54 mower deck parts for 345. ... John Deere Deck Belt Tightener Arm - M143350 (7) $27.42. Usually available. Add to Cart. Quick View. John Deere Discharge Chute Pin - M112899 (1) $12.44. Usually available. Add to Cart. Quick View. John Deere Flat Idler Pulley - AM106627 (32) Click the part number below to view and order John Deere 345 Lawn Tractor Parts for 42M Mower Deck, or search illustrated diagrams to determine the part you ...Part Number: DescriptionM140502: Primary Mower BeltM131808: Traction Drive Belt, Transmission B...
John deere 345 mower deck belt diagram. Click the part number below to view and order John Deere 345 Lawn Tractor Parts for 38 Mower Deck, or search illustrated diagrams to determine the part you ... 48C mower deck parts for 345. ... John Deere Mower Deck Drive Belt Tightener Pulley - AM133924 (8) $113.30. Usually available. Add to Cart. Quick View. John Deere Mulch Kit For 48C Convertible Mower Deck - BM20007 (36) $167.99. Usually available. Belt diagram for 54" deck john deere 345. My husband was working on our john deere riding mower and got parts to fix it and now can't remember how the belts went around the pulleys to go back on. Grass is growing need help soon. Thanks. I remain a bit surprised at how long I have maintained a site showing belt routing and how little it gets ... John deere 54 drive over mower deck john deere 54d mower deck zoom. Click the part number below to view and order john deere 345 lawn tractor parts for 38 mower deck or search illustrated diagrams to determine the part you need. Belt used can be part m144677 m143019 m118684 or stens aftermarket 265 242 help me.
Belt replacement diagram for john deere mod 68 rid. Mower [ 1 Answers ] Can anyone show me a diagram of the deck drive belt (blade drive) on a John Deere model 68 riding mower 30 in. deck? I choked it up and it broke the belt. I haven't dropped the deck yet, but looking with the deck both engaged & unengaged, the way the belt guards on the ... Click the part number below to view and order John Deere 345 Lawn Tractor Parts for 44 Mower Deck, or search illustrated diagrams to determine the part you ... These John Deere Lawn Tractor Parts may include: Tune Up Kit, Spark Plug, Mower Blades, Traction Drive Belt, Transmission Belt, Mower Drive Belt, Batery, and Air Filters. If you need help finding John Deere Lawn Tractor Parts Search Using Weingartz Illustrated Diagrams to view an illustrated diagram or call us at 1-855-669-7278. John Deere GX345 (54C Deck) Riding Lawn Mower Replacement Belt Original Equipment Manufacturer John Deere OEM Part Number M154960 Machine Riding Lawn Mower ...US$21.00 · In stock
John Deere 345 Drive Belt Diagram. This quick parts reference guide will provide you with the most common john deere 345 lawn tractor parts 42m mower deck. John deere 38inch mower deck drive belt m126536 add to my lists. John Deere 48 Inch Mower Deck John Mower Deck Belt Diagram John Inch. Click the part number below to view and order John Deere 345 Lawn Tractor Parts for 48 Mower Deck, or search illustrated diagrams to determine the part you ...Part Number: DescriptionM154958: Secondary Mower BeltM118048: Traction Drive Belt, Transmission B... Well, the electric clutch absolutely has to come off. There is no spare room to work. The belt is always under tension and neutral is achieved in the transaxle, not by detensioning the belt. Your ... 25 Apr 2012 — Can someone give me the belt routing info for this mower? You'd think Deere would put the diagram on the deck. but the don't.
Click the part number below to view and order John Deere 345 Lawn Tractor Parts for 42M Mower Deck, or search illustrated diagrams to determine the part you ...Part Number: DescriptionM140502: Primary Mower BeltM131808: Traction Drive Belt, Transmission B...
54 mower deck parts for 345. ... John Deere Deck Belt Tightener Arm - M143350 (7) $27.42. Usually available. Add to Cart. Quick View. John Deere Discharge Chute Pin - M112899 (1) $12.44. Usually available. Add to Cart. Quick View. John Deere Flat Idler Pulley - AM106627 (32)
Click the part number below to view and order John Deere GX345 Lawn Tractor Parts 54 Mower Deck, or search illustrated diagrams to determine the part you ...
John Deere 345 Lawn Garden Tractors With 44 In Mower Deck Pc2428 1997 Model M00345d040001 055000 345 Lawn Garden Tractors With 44 In Mower Deck Pc2428 1998 Model M00345d055001 070000 345 Lawn Garden
Gx21833 Deck Belt Replacement For John Deere D150 100 Series Tractor Pc10446 Compatible With 46 Inch Mower Deck V Belt Walmart Com
John Deere 325 335 345 355d Tractors 48 In Convertible Mower Deck Pc2924 1999 Model M048cac010001 025000 325 335 345 355d Tractors 48 In Convertible Mower Deck Pc2924 2000 Model M048cac025001 040000 325 335 345 355d
Amazon Com Upstart Components M143019 Primary Drive Belt Replacement For John Deere 325 335 And 345 Lawn And Garden Tractors Pc2428 Compatible With M118684 Deck Drive Belt Patio Lawn Garden
John Deere 325 335 345 355d Tractors 48 In Convertible Mower Deck Pc2924 1999 Model M048cac010001 025000 325 335 345 355d Tractors 48 In Convertible Mower Deck Pc2924 2000 Model M048cac025001 040000 325 335 345 355d
John Deere Gx345 Lawn Garden Tractor 54c Mower Pc9078 2002 Model Gx54hpx010001 Xxxxxx Gx345 Lawn Garden Tractor 54c Mower Pc9078 2003 Model Gx54hpxxxxxxx 999999 Gx345 Lawn Garden Tractor 54c Mower
John Deere 325 335 345 355d Tractors 48 In Convertible Mower Deck Pc2924 1999 Model M048cac010001 025000 325 335 345 355d Tractors 48 In Convertible Mower Deck Pc2924 2000 Model M048cac025001 040000 325 335 345 355d
M143019 Primary Drive Belt Replacement For John Deere Mower Decks And Material Collection System For 325 335 345 And 355d Tractors Pc2924 Compatible With M118684 Deck Drive Belt Walmart Com
John Deere 345 Lawn Garden Tractors With 44 In Mower Deck Pc2428 1997 Model M00345d040001 055000 345 Lawn Garden Tractors With 44 In Mower Deck Pc2428 1998 Model M00345d055001 070000 345 Lawn Garden
John Deere 325 335 345 355d Tractors 48 In Convertible Mower Deck Pc2924 1999 Model M048cac010001 025000 325 335 345 355d Tractors 48 In Convertible Mower Deck Pc2924 2000 Model M048cac025001 040000 325 335 345 355d
Amazon Com 8ten Secondary Drive Belt For John Deere Lx277 Lx2800 Lx255 Gt235 335 345 Lx266 M154958 M110313 48 Inch Deck Patio Lawn Garden
John Deere Gx345 Lawn Garden Tractor 48 In Convertible Mower Deck Pc9078 2002 Model M048caa070001 085000 Gx345 Lawn Garden Tractor 48 In Convertible Mower Deck Pc9078 2002 Model M048cac055001 065000 Gx345 Lawn Garden
0 Response to "40 john deere 345 mower deck belt diagram"
Post a Comment