Iklan 300x250

40 starter generator wiring diagram

WIRING DIAGRAM A wiring diagram shows, as closely as possible, the actual location of all component parts of the device. If starter is used on lower voltage, connect per coil diagram. Wiring Diagram Single Phase Starter w/ Dual Voltage Motor. Ezgo starter wiring diagram most ezgo starter generator. New starter generator replacement for yamaha golf cart 4 cycle gas g2 g3 g4 g6 g8 g9 g11 … the yamaha g1/g9 has no additional components that can cause a problem in the starter generator's function.

Buick Starter Generator Wiring Diagram. Vire 7 Starter Generator Circuit Diagrams. New Wiring Diagram Hitachi Starter Generator Diagram. Wiring Diagram For Garden Tractors With A Delco Remy.

Starter generator wiring diagram

Starter generator wiring diagram

Hitachi Lr180 03c Alternator Wiring Diagram Wiring Diagram. Yamaha Golf Cart Starter Generator Wiring Wiring Diagram. Delco Starter Parts Breakdown Box Wiring Diagram. Mini Airboat Association. Bolens Lawn Tractor Ignition Switch Wiring Diagram Wiring. 131 starter generator wiring diagrams 40. Club car fe290 fe350 golf carts. Every week we take calls about getting their carts to run. Easy Go Golf Cart Starter Generator Wiring Diagram And Club. 15 Most Starter Generator Wiring Diagram Golf Cart Ideas. Yamaha G1. Starter Generator Wiring Diagram Club Car Simple Starter. Vintagegolfcartparts Com.

Starter generator wiring diagram. Starter-Generator Installation Wiring Diagram. Back in April 2002 a contact in Finland provided me with circuit diagrams for both a Bosch and a Delco-Remy Starter-Generator yes the circuits are differentUnfortunately due to a computer crash I lost both the diagrams and his E-mail address. Starter switch ACC terminal Auto start unit No.7 terminal. Power supply for excitation of solenoid (motor stopper) relay. 3.4 Generator Wiring Diagram. B Measurement of Generator Winding Wire Resistance The standard resistance value of each wire includes the generator's winding wire... Starter Generator wiring. By rfsmith1952, January 29, 2012 in Talking Tractors. Bob, Me thinks the white wire does not belong there at all. Here is a simple wiring diagram of what you should have. The F terminal on the regulator goes to the Field terminal on the SG. club car starter generator wiring diagram marvelous ez go golf. Architectural wiring diagrams law the approximate locations and interconnections of receptacles, lighting, and permanent electrical facilities in a building. Interconnecting wire routes may be shown approximately...

How a car starting system works: system diagram, starter motor, solenoid, starter relay, neutral safety switch. Starter Solenoid Wiring Diagram Luxury Reference Motorcycle Ignition For Motor At Starter Motor Solenoid Wiring Diagr - Wiring Diagram - floraoflangkawi.org. New Wiring Diagram Hitachi Starter Generator Diagram. Wiring Diagram For Garden Tractors With A Delco Remy. System Diagram Of The Electric Starter Generator In More. › Get more: Ezgo starter generator wiring diagramShow All. Starter Generator Wiring Diagram - Wiring Diagram And. Details: Starter generator wiring diagram golf cart wiring diagram is a simplified agreeable pictorial representation of an electrical circuit it shows the components of the... Read Or Download Starter Wiring Diagram For FREE Wiring Diagram at DIAGRAMTHEFALL.ALBERGOTREPOZZI.IT. Acceptable Starter Motor Wiring With Mag Switch. 4 Pole Starter Solenoid Wiring Diagram. U0026quot Push Gas To Start U0026quot With An Alternator.

With An Alternator pertaining to Starter Generator Wiring Diagram image size 795 X 868 px and to view image details please click the image. One minute the cart runs great they other. Golf cart reference library welcome to the vintage golf cart parts reference library. starter generator wiring diagram - You'll need a comprehensive, professional, and easy to understand Wiring Diagram. With such an illustrative manual, you are going to be capable of troubleshoot, stop, and full your tasks easily. Not only will it help you accomplish your required final... Everyone knows that reading Cushman Starter Generator Wiring Diagram is effective, because we can easily get too much info online in the reading materials.

7130 Magnetic Starter Wiring Diagram Color Jpg Of Clausing Clausing Lathe And Mill

7130 Magnetic Starter Wiring Diagram Color Jpg Of Clausing Clausing Lathe And Mill

The wiring diagrams shown below are typical and for reference only. For specic wiring diagrams or information, please contact the Technical Helpline. Starter Motor Wiring Diagrams. continued... APPLICATION. CARRIER TRANSICOLD > ENGINES - Various Models > GENERATOR SET...

Help Wanted Won T Restart Update Farmall Cub

Help Wanted Won T Restart Update Farmall Cub

Kawasaki Golf Cart Starter Generator Wiring Diagram Wiring. Yamaha G16 Starter Wiring Schematics Online. Starter Generator Battery And Wiring Gas 1 Wiring Diagram. Carryall 1 2 6 By Club Car Wiring Diagram Electrical.

Http Jacques Lacasse Tripod Com Diagrams Electdiagr Htm

Http Jacques Lacasse Tripod Com Diagrams Electdiagr Htm

Starter Generator Wiring Diagram. Need To Know Correct Voltage Regulator. Starter-generator Circuit - Youtube. Find Out Here Steam Boiler Wiring Diagram Download. Simplicity 2029950. Electrical Solutions For Small Engines And Garden Pulling.

S24 Wiring Garden Tractor Forums

S24 Wiring Garden Tractor Forums

[DIAGRAM in Pictures Database] Starter Generator Wiring Diagram Club Car Just Download or Read Club Car.

Club Car Ds Wiring Diagrams 1981 To 2002 Golf Cart Tips

Club Car Ds Wiring Diagrams 1981 To 2002 Golf Cart Tips

The integrated starter-generator (ISG) replaces both the conventional starter and alternator (generator) of an automobile in a single electric device. It allows greater electrical generation capacity and the fuel economy and emissions benefits of hybrid electric automotive propulsion.

Dan S Motorcycle Generator Electric Starter Dynamo

Dan S Motorcycle Generator Electric Starter Dynamo

Yamaha Golf Cart Starter Wiring Wiring Diagram Data Ezgo Gas Workhorse Wiring Diagram Lights 95 Ezgo Golf Cart Wiring Diagram Exclusive Wiring Yamaha golf cart starter generator wiring diagram. One set S is wound with heavy gauge wire for starting and the other set G carries lighter...

Pictures Wiring Diagram For Club Car Starter Generator Gas Diagrams At On Gas Club Car Wiring Diagram Club Car Golf Cart Gas Golf Carts Club

Pictures Wiring Diagram For Club Car Starter Generator Gas Diagrams At On Gas Club Car Wiring Diagram Club Car Golf Cart Gas Golf Carts Club

The below diagram also shows our 5 prong, 3 position ignition switch, and our 4 prong mechanical voltage regulator. Note: You can either Whichever terminal you do not use, block it off with electrical tape or a wire crimp connection. There is no need to polarize a starter/generator after installation.

Page 58 Of Kohler Portable Generator 3 5cfz 4cz 5cfz 6 5cz User Guide Manualsonline Com

Page 58 Of Kohler Portable Generator 3 5cfz 4cz 5cfz 6 5cz User Guide Manualsonline Com

31+ Yamaha G2 Starter Generator Wiring Diagram Images . This cart does not crank fast enough or sometimes at all for the engine to star...

Electric Starting Systems And Starter Generator Starting System

Electric Starting Systems And Starter Generator Starting System

3 Phase DOL Starter Control and Power Wiring Diagram! water Pump Controller with float switch. Joint of Electric Wire with Heat Shrink Tubing.

Dodge Brothers Starter Generator Dodge Dodge Brothers Antique Automobile Club Of America Discussion Forums

Dodge Brothers Starter Generator Dodge Dodge Brothers Antique Automobile Club Of America Discussion Forums

WIRING DIAGRAM. Provides circuit diagrams showing the circuit connections. Wires are always drawn as straight lines on wiring diagrams. Crossed wires (1) without a black dot at the Brought to you by BirfMark. Service hints. G 1 (a), g 2 (b) generator (b) 1-GROUND : 13.9-15.1 volts...

Yamaha Golf Cart Starter Generator Wiring Mcr Yamaha Golf Cart G16 Thru G22 1996 2003 Gsb107 06 Suhu Laut

Yamaha Golf Cart Starter Generator Wiring Mcr Yamaha Golf Cart G16 Thru G22 1996 2003 Gsb107 06 Suhu Laut

Gas club car diagrams 1984 2005. Ford mower wiring diagram toyskidsco mower deck diagram parts list for model 917270810 dr mower wiring dia...

Starter Generator Wiring Wheel Horse Electrical Redsquare Wheel Horse Forum

Starter Generator Wiring Wheel Horse Electrical Redsquare Wheel Horse Forum

Starter Generator Wiring Diagram The diagram in question the afm connector is shown from the side of the air flow meter itself not the wiring loom in the car with this oversight rectified we were able to get the circuit The company also offers in person training and device installation guides and diagrams...

Wiring Allis B Model Allischalmers Forum

Wiring Allis B Model Allischalmers Forum

15 Most Starter Generator Wiring Diagram Golf Cart Ideas. Yamaha G1. Starter Generator Wiring Diagram Club Car Simple Starter. Vintagegolfcartparts Com.

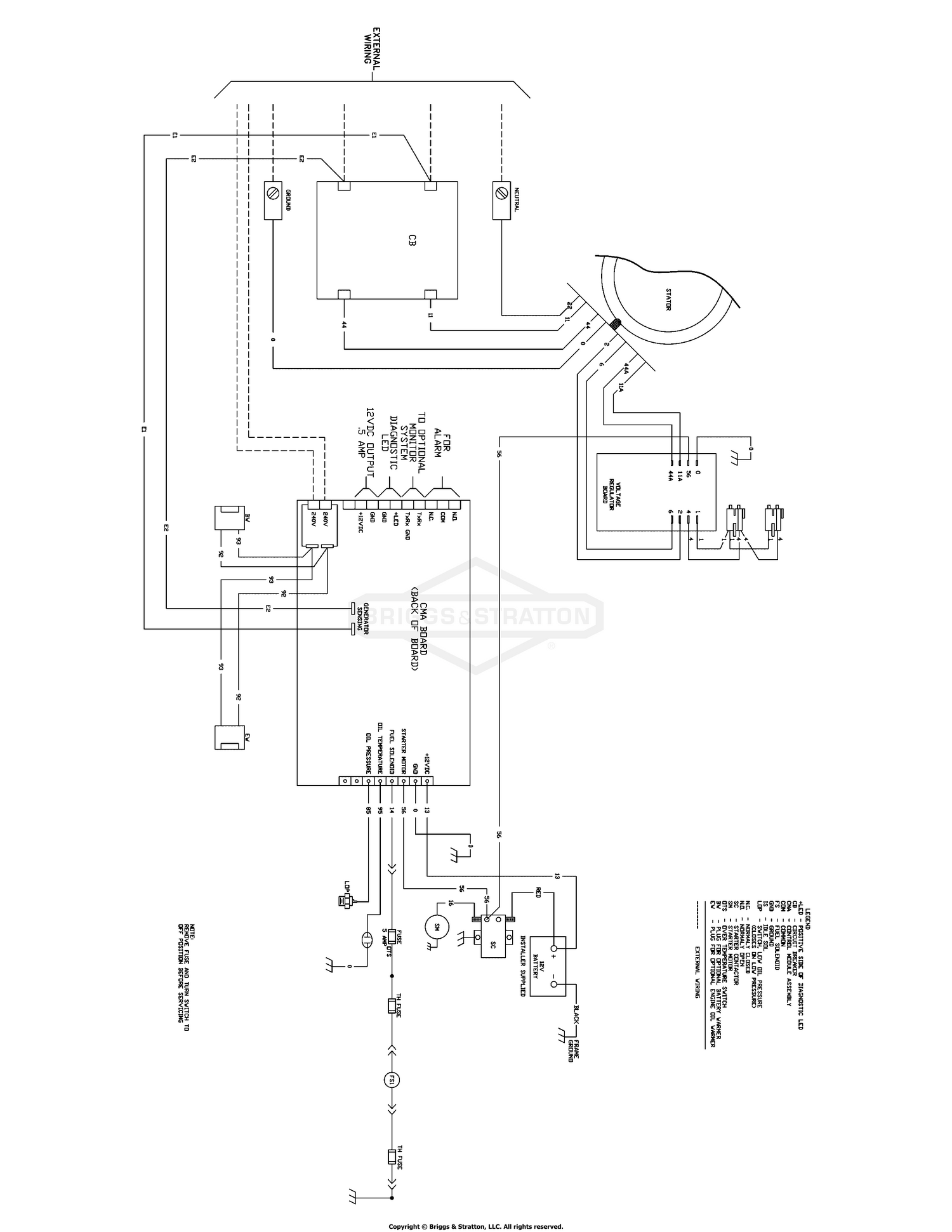
Briggs Amp Stratton Power Products Del 26072017021729 040405 01 13 000 Watt Standby Generator System With 100 Amp Ats Ge Wiring Diagram Standby Generator

Briggs Amp Stratton Power Products Del 26072017021729 040405 01 13 000 Watt Standby Generator System With 100 Amp Ats Ge Wiring Diagram Standby Generator

131 starter generator wiring diagrams 40. Club car fe290 fe350 golf carts. Every week we take calls about getting their carts to run. Easy Go Golf Cart Starter Generator Wiring Diagram And Club.

Delco Starter Generator Wiring Diagram Diagrams Schematics At Car Starter Small Generators Diagram

Delco Starter Generator Wiring Diagram Diagrams Schematics At Car Starter Small Generators Diagram

Hitachi Lr180 03c Alternator Wiring Diagram Wiring Diagram. Yamaha Golf Cart Starter Generator Wiring Wiring Diagram. Delco Starter Parts Breakdown Box Wiring Diagram. Mini Airboat Association. Bolens Lawn Tractor Ignition Switch Wiring Diagram Wiring.

How To Start A Generator From A Relay Home Improvement Stack Exchange

How To Start A Generator From A Relay Home Improvement Stack Exchange

1

1

Elctrial Diagram For A Ford 3000 1970 Diesel Lucas 5 Inch Starter Tractor Forum

Elctrial Diagram For A Ford 3000 1970 Diesel Lucas 5 Inch Starter Tractor Forum

Old Marine Engine Starter Generator Schematic

Old Marine Engine Starter Generator Schematic

Starter Generator Circuit Youtube

Starter Generator Circuit Youtube

Buy 12v 1996 2003 Starter Generator For Yamaha G16 G17 G18 G19 To G22 Gas Golf Cart 15422 Jn6 H1100 01 00 Jn6 H1100 00 00 Jn6 H1100 02 00 Gsb107 06a Gsb107 06e Gsb107 06f Gsb107 06g Gsb107 06h Gsb107 06k Online In Egypt B01n0ifrhv

Buy 12v 1996 2003 Starter Generator For Yamaha G16 G17 G18 G19 To G22 Gas Golf Cart 15422 Jn6 H1100 01 00 Jn6 H1100 00 00 Jn6 H1100 02 00 Gsb107 06a Gsb107 06e Gsb107 06f Gsb107 06g Gsb107 06h Gsb107 06k Online In Egypt B01n0ifrhv

Starter Generator Mounting Golfcartpartsdirect

Starter Generator Mounting Golfcartpartsdirect

Starter Generator Wiring Diagram

Starter Generator Wiring Diagram

Testing A Gas Golf Cart Solenoid Process Golf Cart Blog

Testing A Gas Golf Cart Solenoid Process Golf Cart Blog

Simplicity 990316 Electric Starter Generator For Landlord Parts Diagrams

Simplicity 990316 Electric Starter Generator For Landlord Parts Diagrams

I Have A Briggs Stratton 8hp That Has Delco Remy Motor Generator On It Could You Send Me A Wiring Diagram And A Part

I Have A Briggs Stratton 8hp That Has Delco Remy Motor Generator On It Could You Send Me A Wiring Diagram And A Part

Cu Laser Regla Cerni 4 Wire Voltage Regulator Wiring Diagram Generator Seyahatplanla Com

Cu Laser Regla Cerni 4 Wire Voltage Regulator Wiring Diagram Generator Seyahatplanla Com

Starter Generator Mounting Golfcartpartsdirect

Starter Generator Mounting Golfcartpartsdirect

Bench Testing A Golf Cart Starter Generator Sku 15421n Discount Starter Alternator

Bench Testing A Golf Cart Starter Generator Sku 15421n Discount Starter Alternator

Onan Control Board Operation

Onan Control Board Operation

Starter Generator Mounting Golfcartpartsdirect

Starter Generator Mounting Golfcartpartsdirect

Model T Ford Forum Wiring Diagrams Grrrrrrrrrrr

Model T Ford Forum Wiring Diagrams Grrrrrrrrrrr

Starter Generator Voltage Regulator Wiring Wheel Horse Electrical Redsquare Wheel Horse Forum

Starter Generator Voltage Regulator Wiring Wheel Horse Electrical Redsquare Wheel Horse Forum

Ezgo Starter Generator Parts World Usa Golf Cart Club Car Toro Utility Vehicle Workman Bobcat Utility Vehicle Husqvarna Utility Vehicle Club Car Golf Cart Kawasaki

Ezgo Starter Generator Parts World Usa Golf Cart Club Car Toro Utility Vehicle Workman Bobcat Utility Vehicle Husqvarna Utility Vehicle Club Car Golf Cart Kawasaki

Vire 7 Starter Generator Circuit Diagrams

Vire 7 Starter Generator Circuit Diagrams

Cycle Electrics Generator Wiring Issue 52 Pan Jockey Journal Forum

Cycle Electrics Generator Wiring Issue 52 Pan Jockey Journal Forum

Starter Generator Wiring Talking Tractors Simple Tractors

Starter Generator Wiring Talking Tractors Simple Tractors

Small Diesel Generators Wiring Diagrams

Small Diesel Generators Wiring Diagrams

Electrical Page Under Construction Daimler Ferret

Electrical Page Under Construction Daimler Ferret

Elctrial Diagram For A Ford 3000 1970 Diesel Lucas 5 Inch Starter Tractor Forum

Elctrial Diagram For A Ford 3000 1970 Diesel Lucas 5 Inch Starter Tractor Forum

0 Response to "40 starter generator wiring diagram"

Post a Comment

Iklan Atas Artikel

Iklan Tengah Artikel 1

Iklan Tengah Artikel 2

Iklan Bawah Artikel