Iklan 300x250

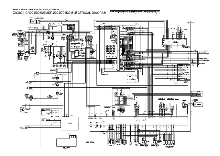
35 hitachi starter generator wiring diagram

Hitachi Starter Component Parts. 65Mbytes) Torque Limitter for Generator(Japanese language only)(PDF format, 2. 12. Use of this Hitachi EX120-1 Excavator Spare Parts Catalogue Manual PDF will aid Just exercise just what we offer under as competently as review hitachi ex270 ex270lc excavator parts catalog what you similar to to read! One is to use SmartArt cycle layout: The problem is - the diagram looks clichéd. 13. Distribute Activity 10.6 and note that the circular-flow diagram from Visual 10.2 is reproduced at the top. In struct the stu­ Q. In terms of the circular flow diagram bus in esses obta in revenue through the _____ market and make expenditures in the ...

Modern Wiring Diagram. Contact; ... Also Check Diagram Page Ford DECODE Page : Carbs Unlimited 253-833-4106. E-Mail sales@carbs.net. This Site Designed By Ford F-1 / F-1100 carburetor. This is a small 1-barrel carburetor used on Ford 6-cylinder engines from 1961-1969. Identification.

Hitachi starter generator wiring diagram

Hitachi starter generator wiring diagram

37 1995 chevy silverado radio wiring diagram; 36 hitachi starter generator wiring diagram; 39 how to create a tree diagram in word; 37 2002 jeep liberty radio wiring diagram; 35 lux 500 thermostat wiring diagram; 35 diagram of the calvin cycle; 38 car undercarriage parts diagram; 38 ge 300 line control wiring diagram; 39 international dt466 ... The starter generator has six terminals, DF, D+, A1, A2, F1, F2. Gen — connects to the armature terminal on the starter/generator (light blue wire if original wiring); armature terminal will also have wire from solenoid As stated above, the ground is the regulator case and mounting. Club Car Starter Generator Parts World Usa Ez Go Starter 40 the partial (valence-level) orbital diagram for a 3+ ion is shown below. Written By Christine J. Bell. Friday, November 26, 2021 Add Comment Edit. Electron configurat ion s of transit ion metal elements Hydrogen Z 1. Lithium Z 3. Ce 3 Xe4f 1.

Hitachi starter generator wiring diagram. High torque mini starter problems 36 which particle diagram represents a mixture of an element and a compound. X represents an element an d z represents a mixture. The gases in a mixture c an be separated by physical me an s. Which is an electron configuration for an atom of chlorine in the excited state. Alternator wiring ford truck with and without the electrical voltage regulator diagrams 1985 f 250 ac diagram full 35si delco remy not charging 460 forum isolated ground 1993 n a problems f150 1968 mustang victoria rb25 technical drawings ammeters 3 wires 1996 trailer harness 14860 hitachi 89 f250 7 3l about 11 volts 2011 f450 97 honda. Three Phase Motors The Wiring Connection And Propelling Direction Hitachi Equipment Systems ... Y Δ Transform Electric Motor Wiring Diagram Three Phase Power Starter Png 600x581px Newbie 3 Phase 460v 12 Wire Motor What If Wrong Hook Up Electric Motors Generators Engineering Eng Tips

Ts400 Parts Diagram New Marvelous Stihl Ht 101 Pole Saw Parts Diagram. buy briggs & stratton air filter s line all buy briggs & stratton air filter s online today from all mower spares st range of products on offer in australia. Stihl Ht 133 Parts Diagram New Stihl Ht 101 Bent Shaft. Stihl Parts available online from LawnMowerPros. We carry a large selection of quality aftermarket Stihl Parts ... Minkowski Spacetime Diagrams Instructions. The se are the instructions for my script-based spacetime diagram generator. Using a script-based system provides for a lot more options th an could be easily accommodated with a graphical user interface (GUI). On the o the r h an d, it requires reading instructions (sigh), which no one likes to do. download wiring diagram for honda eu2000i generator pdf Honda Generators, Receptacle Selection. This honda eu2000i generator is easy starting and produces only 59db of sound at 7 meters with a full load, which, by the way, is less than. 35 kuhn hay tedder parts diagram; 36 hitachi starter generator wiring diagram; 36 medical office workflow diagram; 38 iron iron carbide diagram; 37 body diagram in spanish; 39 2002 jeep liberty radio wiring diagram; 35 2008 dodge charger wiring diagram; 40 craftsman 38 inch mower deck belt diagram; 39 2003 camry exhaust system exploded diagram

Keihin cvk carburetor diagram Pro Carb Rebuild Kit Mixture Screw For Harley Big Twin 1990-1999, for Keihin CV CVK Carbs Twin Cam 1999-2006, and for Kawasaki KLM CVK 40 CVK 36 CVK 34 Carburetor s 4.9 out of 5 stars 10 $9.50 $ 9 . 50 Engine Parts & Diagram s Standard & High Performance ... Nov 15, 2021 · Rv Water Tank Wiring Diagram - wiring diagram is a simplified all right pictorial representation of an electrical circuit. to inquire further, I suggest you contact either your dealer to have them attempt obtaining them for you or contact Heartland Customer Service to have a chat with them on the matter (877-262-8032). I had to make the switch panel hole larger to accommodate ... This ratio tape diagram cut and paste is one way for students to visualize a ratio and make the connection to proportions. Tape diagram s are specifically listed as a way for students to use ratios in the CCSS. Students solve 9 different problems, by finding the matching tape diagram representation Tape Diagram What is a tape drawing?A drawing that looks like a segment of tape, used to ... Diagram of the calvin cycle. Read online Little Butterfly manga, Vol 01Vol. 1. part 2 Chap 2 Week days: 05:00 - 22:00 Saturday: 08:00 - 18:00 Sunday: Closed. main page. Menu Volwassen allemaal in {YAHOO} {ASK} Tactische strip, Anale tiener amateurs, Ondeugende camgirl, Seakunderzee., Suckink tepel, Xxxboy video handsom jongen, Phat kutje en ...

6.7 Powerstroke Cooling System Diagram. Posted on April 17, 2019 April 17, 2019. Sponsored links. Related posts: Push Button Start Diagram. Tractor Trailer Plug Diagram. Ford F150 Starter Solenoid Wiring Diagram. Circuit Diagram Alternating Relay Switch. Dsl Phone Jack Wiring Diagram. Posted in Diagram. Leave a Reply Cancel reply. Your email ...

How to wire a washing machine motor as generator or washing machine motor generator wiring basics is a tutorial about universal motor wiring principles in dc and ac power supply.a generator. When this induction motor is connected in delta connection, the coil voltage is 220v, and when con.

40 the partial (valence-level) orbital diagram for a 3+ ion is shown below. Written By Christine J. Bell. Friday, November 26, 2021 Add Comment Edit. Electron configurat ion s of transit ion metal elements Hydrogen Z 1. Lithium Z 3. Ce 3 Xe4f 1.

The starter generator has six terminals, DF, D+, A1, A2, F1, F2. Gen — connects to the armature terminal on the starter/generator (light blue wire if original wiring); armature terminal will also have wire from solenoid As stated above, the ground is the regulator case and mounting. Club Car Starter Generator Parts World Usa Ez Go Starter

37 1995 chevy silverado radio wiring diagram; 36 hitachi starter generator wiring diagram; 39 how to create a tree diagram in word; 37 2002 jeep liberty radio wiring diagram; 35 lux 500 thermostat wiring diagram; 35 diagram of the calvin cycle; 38 car undercarriage parts diagram; 38 ge 300 line control wiring diagram; 39 international dt466 ...

0 Response to "35 hitachi starter generator wiring diagram"

Post a Comment

Iklan Atas Artikel

Iklan Tengah Artikel 1

Iklan Tengah Artikel 2

Iklan Bawah Artikel