Iklan 300x250

35 troy bilt horse tiller parts diagram

TroyBilt - Troy-Bilt Lawn and Garden Power Equipment Roto Tillers, Mowers, Chipper Shredders, Brush Cutters, Tractors, Carts, Snowthrowers, Composters, ...

Ariens 5hp tiller CARBURETOR Carb for TECUMSEH Troy Bilt Horse TILLERS 5hp 6hp H50 H60 HH60. These are all from the 1970's and are USA made. Asking price is -1. 56. These were made for a few decades. Kept in storage since purchase - Feb. cburns2212; 2 mo ago; 3. . 1 owner unit low low hours. KOHLER CH270-TBH 7HP REPLACEMENT ENGINE KIT FOR ALL ...

Mcculloch parts diagram It's in the top 3 bestselling tillers and has a couple of popular alternatives in the same price range, such as Troy-Bilt Bronco . Begin production with 7 HP Kohler engine available. I would like to find out the year and horse power of this tiller, and if there is a … Craftsman 5hp tiller

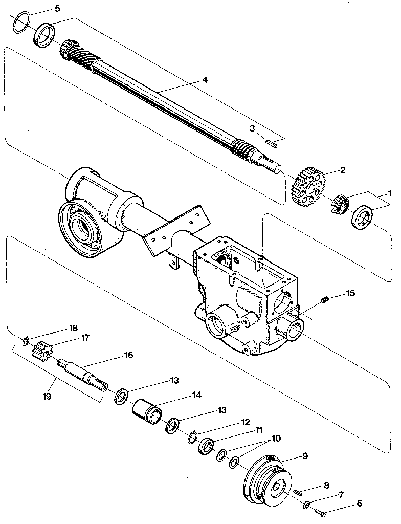
Troy bilt horse tiller parts diagram

Troy bilt horse tiller parts diagram

Troy Bilt Horse Parts Diagrams · 0360 HORSE-SILVER ANNIVERSARY(8HP) TILLER (S/N D0000001 · 10056 Horse III (S/N 640000-855638) · 12055 HORSE-OPC (7&8HP) ROTOTILLER ...

Troy Bilt Bronco Parts Diagram - Troy Bilt Riding Mower Belt Diagram Parts Horse Best Craftsman. troy bilt riding mower 13an77tg766 maintenance schedule before each use check engine oil level by using the dipstick always use fresh fuel when filling the equipment s gas tank check air. Troy-Bilt 13WV78KS Transmatic Lawn Tractor -- Bronco Parts.

12153 - Troy-Bilt Horse Rear-Tine Tiller > Parts Diagrams (11) Hide · ADDITIONAL STANDARD EQUIPMENT - BUMPER · ADDITIONAL STANDARD EQUIPMENT - WHEELS · DEPTH ...

Troy bilt horse tiller parts diagram.

We endure this nice Troy Bilt Super Bronco Tiller Parts Diagram graphic could be the most trending subject and accord it for Google improvement or Facebook. We strive to introduce it in this posting back this may be one of extraordinary references for any Troy Bilt Super Bronco Tiller Parts Diagram options.

20 manual and hp parts diagram briggs stratton intek 20 valve adjustment 0 Briggs And Stratton Ohv Engine Wire Diagram Best Place April 14th, 2019 - Briggs and Kohler Engine Parts on eBay 1976 Troy-Bilt Owner Order Form Roto Tiller-Power Composter for Tillers and Attachments (6 Pages) 1976 Troy-Bilt Parts Price List and Order

Troy-Bilt repair parts and parts diagrams for Troy-Bilt 12097 - Troy-Bilt Mini-Tiller (SN: 120970100101 & Above) Order Status Customer Support 512-288-4355 My Account Login to your PartsTree5. 2 4: 33cc Front Tine Gas Adjustable Wheel Garden Soil Aerator Mini Tiller Cultivator 9. Partl T-26750 - DISCONINTUED (NO LONGER

Two speed. Ser# 2731-315295. Four speed. Ser#315296-63999. Pto Horse. Ser#640000-857306. Opc Horse. Ser#87307- ? Two speed. Parts Manual.

We give a positive response this kind of Troy Bilt Tiller Parts Diagram graphic could be the most trending topic later distribute it for Google improvement or Facebook. We attempt to introduce it in this posting past this may be one of marvelous insinuations for any Troy Bilt Tiller Parts Diagram options.

Need to fix your 12071 PTO Horse Tiller? Use our part lists, interactive diagrams, accessories and expert repair advice to make your repairs easy.

2- For Troy-Bilt Horse Tillers manufactured from 2002 and newer please use the parts lookup tool to select your year and model number ...

Troy-Bilt Parts Lookup -Troy-Bilt-HORSE III 7HP ROTO TILLER (S/N 640000-855638)

Troy-Bilt 12193 6.5hp Roto-Tiller (S/N 121931100101-121931199999 ...

Troy-bilt 12193 6.5hp roto-tiller (s/n 121931100101-121931199999 ...

Troy-Bilt Horse III - Troy-Bilt Rear-Tine Tiller, 8hp (SN: 640000 ...

Troy-bilt horse iii - troy-bilt rear-tine tiller, 8hp (sn: 640000 ...

Troy-Bilt 12055 - Troy-Bilt Horse Rear-Tine Tiller (SN ...

Troy-bilt 12055 - troy-bilt horse rear-tine tiller (sn ...

Troy-Bilt Parts Lookup -HORSE II 6HP ROTO TILLER (S/N 1001-639999)

Troy-bilt parts lookup -horse ii 6hp roto tiller (s/n 1001-639999)

TROY-BILT PTO HORSE - 1989-1991 Parts Manual - 26 pages of must ...

Troy-bilt pto horse - 1989-1991 parts manual - 26 pages of must ...

Tiller Manuals

Tiller manuals

Troy-Bilt PTO Horse Tiller | 12071 | eReplacementParts.com

Troy-bilt pto horse tiller | 12071 | ereplacementparts.com

Troy Bilt Pony Tiller Parts Diagram | Pony, Troy, Tiller

Troy bilt pony tiller parts diagram | pony, troy, tiller

Pin on You

Pin on you

Troy-Bilt PTO Horse Tiller | 12071 | eReplacementParts.com

Troy-bilt pto horse tiller | 12071 | ereplacementparts.com

Troy-Bilt Horse Tiller | 21A-682P766 | eReplacementParts.com

Troy-bilt horse tiller | 21a-682p766 | ereplacementparts.com

Troy-Bilt 12080 HORSE-OPC (7&8HP) ROTOTILLER (S/N 120800100101-UP ...

Troy-bilt 12080 horse-opc (7&8hp) rototiller (s/n 120800100101-up ...

Troy Bilt Horse Tiller Parts Manual 1988 | eBay

Troy bilt horse tiller parts manual 1988 | ebay

Troy Bilt HORSE II 7HP ROTO TILLER (S/N 1001-639999) Parts Diagram ...

Troy bilt horse ii 7hp roto tiller (s/n 1001-639999) parts diagram ...

Troy Bilt HORSE II 8HP ROTO TILLER (S/N 1001-639999) Parts Diagram ...

Troy bilt horse ii 8hp roto tiller (s/n 1001-639999) parts diagram ...

Troy Bilt Horse Tiller Parts

Troy bilt horse tiller parts

Troy-Bilt HORSE Roto-Tiller Master Parts Manual 1980 Garden-Way ...

Troy-bilt horse roto-tiller master parts manual 1980 garden-way ...

Troy-Bilt Horse III - Troy-Bilt Rear-Tine Tiller, 7hp (SN: 640000 ...

Troy-bilt horse iii - troy-bilt rear-tine tiller, 7hp (sn: 640000 ...

Troy-Bilt 2215-2228 - Troy-Bilt Horse III Rear-Tine Tiller Power ...

Troy-bilt 2215-2228 - troy-bilt horse iii rear-tine tiller power ...

Troy-Bilt Horse II Roto Tiller Parts Catalog Manual 4-sp 1-Belt sn  315296-639999 | eBay

Troy-bilt horse ii roto tiller parts catalog manual 4-sp 1-belt sn 315296-639999 | ebay

Tiller Manuals

Tiller manuals

Details about TROY-BILT 1986 Pony Tiller - Parts Manual - 25 pages of must  have info!

Details about troy-bilt 1986 pony tiller - parts manual - 25 pages of must have info!

Troy Bilt 12193 Econo-Horse 6.5HP OPC Parts Diagram for Wheel And ...

Troy bilt 12193 econo-horse 6.5hp opc parts diagram for wheel and ...

Troy-Bilt 6311 - Troy-Bilt Econo-Horse Rear-Tine Tiller (SN ...

Troy-bilt 6311 - troy-bilt econo-horse rear-tine tiller (sn ...

TROY-BILT JUNIOR TECHNICAL MANUAL Pdf Download | ManualsLib

Troy-bilt junior technical manual pdf download | manualslib

Troy Bilt HORSE I 8HP ROTO TILLER (S/N 1001-639999) Parts Diagram ...

Troy bilt horse i 8hp roto tiller (s/n 1001-639999) parts diagram ...

Troy Bilt 2308 Horse III Parts Diagram for Tiller Attachment ...

Troy bilt 2308 horse iii parts diagram for tiller attachment ...

Troy-Bilt Parts Lookup -10056 Horse III (S/N 640000-855638)

Troy-bilt parts lookup -10056 horse iii (s/n 640000-855638)

Troybilt PONY SERIAL #S20312 AND UP rear-tine tiller parts | Sears ...

Troybilt pony serial #s20312 and up rear-tine tiller parts | sears ...

TROYBILT TROY-BILT ROTO TILLER-POWER COMPOSTER Parts | Model ...

Troybilt troy-bilt roto tiller-power composter parts | model ...

Troy-Bilt PTO Horse Tiller | 12071 | eReplacementParts.com

Troy-bilt pto horse tiller | 12071 | ereplacementparts.com

TROY-BILT HORSE TILLER OPERATION MANUAL Pdf Download | ManualsLib

Troy-bilt horse tiller operation manual pdf download | manualslib

13 Garden tools ideas | garden tools, tiller, home vegetable garden

13 garden tools ideas | garden tools, tiller, home vegetable garden

Tiller Manuals

Tiller manuals

0 Response to "35 troy bilt horse tiller parts diagram"

Post a Comment

Iklan Atas Artikel

Iklan Tengah Artikel 1

Iklan Tengah Artikel 2

Iklan Bawah Artikel