Iklan 300x250

37 beckett burner parts diagram

Call 1-888-757-4774. Add to List. List. Compare. Add to List. List. Transformer Gasket Kit For Beckett A, AF, and AFG Series Oil Burners. 51304 Transformer Gasket Kit For Beckett A, AF, and AFG Series Oil Burners. SKU: 51304 Beckett.

Beckett Burner Parts Diagram . Beckett Burner Parts Diagram . Beckett Burner Wiring Diagram Kwikpik Me Noticeable Oil Schematic. Amazing Oil Boiler Manuals Picture Collection Electrical Diagram. Goodman Electric Furnace Wiring Diagram Circuit Parts Damper Gas

beckett oil burner wiring diagram - You will need an extensive, expert, and easy to know Wiring Diagram. With this kind of an illustrative manual, you are going to have the ability to troubleshoot, prevent, and total your assignments with ease.

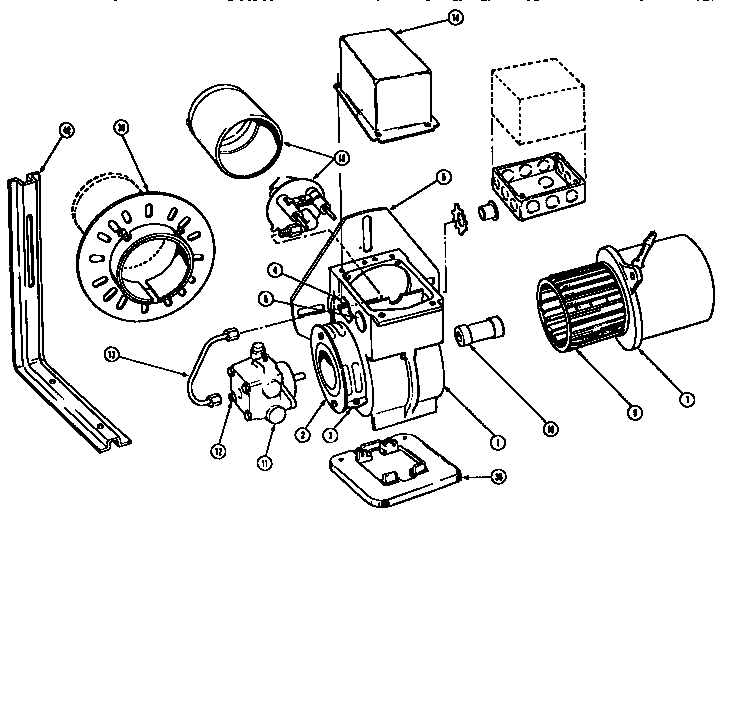
Beckett burner parts diagram

Beckett burner parts diagram

4 PN 28141 REV. K [10/30/2018] 3. Introduction • Models BCL (90, 100, 120, 130, 145) S BCL-S models are rear breech oil fired forced air lowboy

12v beckett burner wiring diagram. Here is a picture gallery about beckett burner wiring diagram complete with the description of the image please find the image you need. 000405 62736 bjb3001 r00 model afg serial number 000405 62736 series oil burner. If you continue to use this site we will assume that you are happy with it.

©1937-R.W. Beckett Corp.All rights reserved. | Privacy Policy 38251 Center Ridge Rd., North Ridgeville, OH 44039 | Ph:440.327.1060 | Fx:440.327.1064

Beckett burner parts diagram.

Beckett B2007 - AFG Series Flame Retention Residential Oil Burner - Note: Air Tube Assembly and Nozzles must be purchased separately Note: This product is an AFG Chassis w/ GeniSys Burner control, PSC Motor, Beckett Ignitor, and Single Stage Beckett CleanCut Pump. Air Tubes (different lengths), Mounting Flanges, End Cones (Firing Rates),and Oil Nozzles are <u>sold separately.</u> <br><br ...

AF/AFG Outside Air Kits. Part No. Description. 51747. Air Boot Kit Includes: Burner air boot adapter, Vacuum Relief, Inlet air hood. 51851U. Outside air adapter for use with 5207301Uburner cover kit. 51908U. Air Boot Kit - Mobile Home Applications: Air boot, gaskets, instructions.

Beckett AFII85 furnace parts - manufacturer-approved parts for a proper fit every time! We also have installation guides, diagrams and manuals to help you along the way!

Parts Diagram ... avoided, will result in death, serious injury, or Thank you for purchasing a Beckett burner for use with your heating appliance. Please pay at-tention to the Safety Warnings contained within this instruction manual. ...

BECKETT B2007 AFG FLAME RETENTION RESIDENTIAL OIL BURNER. In Stock. $412.95 ea. BECKETT 51827U ELECTRONIC OIL IGNITOR W/ WAYNE E BASE. In Stock. $58.95 ea.

beckett oil burner parts diagram is among the images we discovered on the internet from reliable resources. We tend to explore this beckett oil burner parts diagram image here just because based on information from Google engine, It really is one of many top rated queries keyword on the internet. And we also believe

This category contains Burners and replacement parts manufactured by Beckett. [pool1] Beckett Burners & Parts; View our resources. Beckett Burners & Parts. Replacing or repairing a Beckett Burner has never been easier with this selection of Beckett Burners and Parts. Beckett Burners. Air Tubes. Replacement Heads & Static Disks. Burner Motors.

Fig. 6. Typical wiring diagram for 24 Vac thermostat and R7184 for valve-on delay/burner motor off oil burner system. Fig. 7. Typical wiring diagram for line voltage Aquastat® thermostat and R7184B,P,U for valve-on delay/burner motor-off delay oil burner system. Simulate ignition failure: 1. Follow starting procedure to turn on burner, but do

Parts & Accessories Manuals. - AquaSmart 7600WTM Wireless Temperature Module Manual. - Combination Control R8182H Installation Instructions. - GeniSys Lockout Alarm Instructions. - GeniSys Display and Contractor Tool Manual. - 12V PowerLight Oil Igniter Instructions. - 24V PowerLight Oil Igniter Instructions.

Description: Beckett Burner Model Sdc 12V for Beckett Oil Burner Parts Diagram, image size 723 X 384 px, and to view image details please click the image.. Truly, we also have been noticed that beckett oil burner parts diagram is being just about the most popular field right now. So that we attempted to obtain some good beckett oil burner parts diagram picture to suit your needs.

Wiring Diagram Beckett Oil Burner Parts Diagram. Print the electrical wiring diagram off in addition to use highlighters to trace the signal. When you use your finger or even the actual circuit along with your eyes, it's easy to mistrace the circuit. 1 trick that We 2 to print a similar wiring plan off twice.

'Alternative Fuels and Beckett Burners Technical Bulletin' Form # 664860. Note 1: Approval Agency listings rate these burners for 0.40 - 3.00 GPH. However, the firing rate range is limited by the specific air tube combination being used. Refer to Figure 3, Page 5. Note 2: See appliance manufacturer's burner specifications for recom-

Beckett oil burner parts list, Model afg -hz, 3450 rpm | The New ...

Beckett oil burner parts list, model afg -hz, 3450 rpm | the new ...

RWB 6104 BAFII R01 Page 1 Model AFII Oil Burner Potential for Fire, Smoke and Asphyxiation Hazards To the Homeowner or Equipment Owner: Please read and carefully follow all instructions

M1S Oil Burner

M1s oil burner

Ford F350 Trailer Wiring Diagram Sample Oil Furnace Wiring Diagram & Beckett Oil Furnace Parts. We collect lots of pictures about Beckett Oil Burner Parts Diagram. and finally we upload it on our website. Many good image inspirations on our internet are the best image selection for Beckett Oil Burner Parts Diagram. .

EnergyLogic Parts Diagram

Energylogic parts diagram

BECKETT BURNER PARTS. BECKETT BURNER REPAIR PARTS. BECKETT 5780U ELECTRODE KIT: BECKETT 51633 IGNITION CONTROL BOARD FOR 12VDC UNITS BECKETT MOTORS: BECKETT TRANSFORMERS. DELAVAN SPRAY NOZZLES USED ON BECKETT BURNERS We support the following Beckett Burners and Beckett Burner Repair Parts CALL US

Oil Furnace Repair Long Island | New Oil Furnace Installation, Oil ...

Oil furnace repair long island | new oil furnace installation, oil ...

AF/AFG Oil Burner. The AF & AFG burners utilize the most technically advanced components to meet the performance requirements of high efficiency equipment and meet the demands of biofuels to reduce emissions and meet carbon reduction goals. The AF/AFG burners are certified for traditional home heating oils, biodiesel blends to 20% (B20) and ...

Replacement parts ................... back cover, Replacement ...

Replacement parts ................... back cover, replacement ...

REPLACEMENT PARTS LIST. 2. 3 43 42 CMF Series Downflow Furnace - CMF80 Convertible and CMF100 1Use 621435 Capacitor ... 26 660604 Burner Mounting Gasket 6 626465 Limit Switch, Aux. 27 901689 Door Assembly 7 621435 Capacitor 10/370 MFD ... AF-15 Beckett Oil Burner For Power Oil Models 26 Complete Burner Assembly 4 24 5 6 22 14 10 11 13 19 23 17 ...

6104 BAFG.pdf | Beckett Corp.

6104 bafg.pdf | beckett corp.

BUrners replacement Parts, continued 8.750-520. Fan, 1/2 Bore - S 8.751-072. Fan ... wiring diagram for quick 12VDCand easy installation • Power and ignition indicator lights ... Beckett Burner Chart. 116 hotsy BUrners Blower Wheel Wayne Burner Parts Wayne

No. 40 Safety thermostat 47-90-27327 for GU55 G55

No. 40 safety thermostat 47-90-27327 for gu55 g55

HVAC Parts Universal Oil Burner Electrode Setting Gauge Tool 40445 Fits Beckett Carlin Aero Wayne. 4.3 out of 5 stars. 52. $11.15. $11. . 15. Get it as soon as Fri, Aug 13.

BECKETT AF MANUAL Pdf Download | ManualsLib

Beckett af manual pdf download | manualslib

Beckett AFG OIL BURNER furnace parts - manufacturer-approved parts for a proper fit every time! We also have installation guides, diagrams and manuals to help you along the way!

Oil Burner / Piping Air Removal Air Bleeding Procedure

Oil burner / piping air removal air bleeding procedure

beckett oil burner parts diagram is one of the pics we discovered on the web from reliable sources. We tend to talk about this beckett oil burner parts diagram pic in this post because according to data from Google engine, It is one of many best queries key word on the internet.

Find A Part | Beckett Corp.

Find a part | beckett corp.

Parts & Accessories. Technology Made Simple. Beckett Parts & Accessories are backed by solid technical support and fast delivery. Based on proven durability, they are engineered to provide years of reliable service. Showing 1-16 of 18 results.

Find A Part | Beckett Corp.

Find a part | beckett corp.

Parts Diagram Beckett Limited Warranty Information This manual contains information that applies to both AF and AFG burners. These burners may appear to be basically identical, but there are differences in design and. Dec 01, · Beckett Oil Burner Pump Filter Parts Diagram ~ This is images about beckett oil burner pump filter parts diagram ...

Find A Part | Beckett Corp.

Find a part | beckett corp.

Oil Burner Electrode Assembly: Inspection, Cleaning, Adjustment

Oil burner electrode assembly: inspection, cleaning, adjustment

Oil Burner . Flame Retention Oil Burner Head Diagram

Oil burner . flame retention oil burner head diagram

Gun Type Oil Burners | Heater Service & Troubleshooting

Gun type oil burners | heater service & troubleshooting

High-Efficiency Oil Burner, 120 V AC, Integrated Solenoid

High-efficiency oil burner, 120 v ac, integrated solenoid

EZ-Series Oil Burners – Carlin Combustion Technology, Inc.

Ez-series oil burners – carlin combustion technology, inc.

Oilheat America - Burners

Oilheat america - burners

Becket Oil Burner

Becket oil burner

Find A Part | Beckett Corp.

Find a part | beckett corp.

HOUSE :: HEATING :: FORCED HOT-WATER SYSTEM :: OIL BURNER image ...

House :: heating :: forced hot-water system :: oil burner image ...

Find A Part | Beckett Corp.

Find a part | beckett corp.

Find A Part | Beckett Corp.

Find a part | beckett corp.

HVAC Service Contracts Exeter NH | Preventative Maintenance ...

Hvac service contracts exeter nh | preventative maintenance ...

BECKETT BURNER PARTS

Beckett burner parts

Find A Part | Beckett Corp.

Find a part | beckett corp.

Find A Part | Beckett Corp.

Find a part | beckett corp.

Crematory Oil Burner Replacement Parts

Crematory oil burner replacement parts

Gun Type Oil Burners | Heater Service & Troubleshooting

Gun type oil burners | heater service & troubleshooting

Find A Part | Beckett Corp.

Find a part | beckett corp.

Introduction to How to Repair Oil Furnaces | HowStuffWorks

Introduction to how to repair oil furnaces | howstuffworks

Unit 12 Oil Heat Components - ppt video online download

Unit 12 oil heat components - ppt video online download

Beckett AF OIL BURNER furnace parts | Sears PartsDirect

Beckett af oil burner furnace parts | sears partsdirect

Oil Burner Assembly

Oil burner assembly

Find A Part | Beckett Corp.

Find a part | beckett corp.

EZ Steam Boiler Part Finder

Ez steam boiler part finder

0 Response to "37 beckett burner parts diagram"

Post a Comment

Iklan Atas Artikel

Iklan Tengah Artikel 1

Iklan Tengah Artikel 2

Iklan Bawah Artikel