Iklan 300x250

37 international tractor parts diagram

Additional info, all states ag parts has salvaged a steiger puma 1000 tractor for used parts. Where america goes for used, new, rebuilt and nos 2 cylinder tractor parts! Do you know the idea of case 580 ck backhoe parts diagram that we show you in this post is related to the desire record about case 580 ck backhoe parts diagram. Need a new ignition key or other Jinma Tractor parts? We suggest these parts to keep on hand for your tractor. And if you don't have a Jinma Tractor, we offer assistance with other Chinese tractor brands as well. If you're still having any difficulty, give us a call at 1-855-330-5272 and we'd be happy to help.

Ford Tractor 12 Volt Conversion Free Wiring Diagrams 9n 2n Ford Tractors Alternator 8n Ford Tractor . Pin On Interesting Stuff . International Tractor Wiring Harness In 2021 Alternator Tractors Ford Tractors . Free Printable Graph Paper Forms Puzzles Sudoku In 2021 Winch Solenoid Winch Electric Winch .

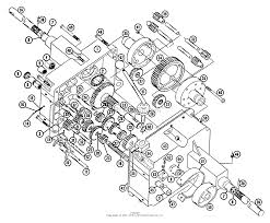
International tractor parts diagram

International tractor parts diagram

Maybe you are long gone. This must be a British produced BTD6 model. US/Canada etc. TD6 models were gas start switch over to diesel same engine as a Farmall MD tractor. Look at the British model parts book at the link in my other reply, pages 76 or 79 ..serial no. dependent.. of the PDF essentially show diagram. Case IH, Kubota, JCB and more, to delivering exceptional service and parts support to keep your equipment running at peak performance, Hoober is there for agricultural, light construction, excavation and rural homeowner customers throughout the mid-Atlantic region. At Hoober, Service is Our Business. Cub Cadet Specialties offers new and used vintage IH International Harvester Lawn mower, garden tractor parts, Cub Cadet Parts, Diagrams, mowers, attachments and sell Genuine OEM parts for Cub Cadets. We also carry Kohler engine parts, OEM Seats, Brinly Sleeve hitch and Cat. 0 3 point hitches, Duff Norton electric lift parts,

International tractor parts diagram. 1. Search by tractor part group. Engine and Related Parts Front Axle - Steering and Related Parts Rear Axle and Related Parts Transmission - PTO and Related Parts Clutch Assembly (Assy) - Brake and Related Parts Cooling Systems Parts Hydraulic System Parts Electrical System Parts Miscellaneous [-----------All tractor part groups ... Implement Parts - BULLDOG Front End Loader, Lucky co chuyên tân trang, sửa chữa, cung cấp các loại xe máy cày, thương hiệu nổi tiếng Nhật Bản. The best book I have for coverage of a 9W #44 on a D2 is, No. 44 Hydraulic Control for D2 Tractor Parts Catalog, Form 32165. The following user(s) said Thank You: hfdzl Please Log in or Create an account to join the conversation. For Jinma Tractors, Farm Pro Tractors, and More Chinese Tractor Models. Once you have removed your old fuel injection pump, here's how to install your new pump and set the timing: 1) Rotate the engine until the #1 piston rises to its highest point. 2) Connect the new pump to all fuel lines, except for the top hard lines that connect to each ...

DJS Tractor Parts / BASIC ZENITH CARB CARBURETOR REPAIR KIT - Allis Chalmers IU, U, UC - IH-574D Product Description & Features: Manufacturer: Miscellanious Estimated Read more Goodbest New Carburetor Repair Kit Fit For 267 carburetor models International Farmall Deere Allis Ford Tractor DJS Tractor Parts / BASIC ZENITH CARB CARBURETOR REPAIR KIT - International F20, F30, T20, W30 - IH-574D Product Description & Features: Manufacturer: Miscellanious Estimated Read more goodfind68 Carburetor For Zenith 70949C92 71523C93 70949C91 MFG 13781 13794 old Cub tractor Cub Cadet Specialties offers new and used vintage IH International Harvester Lawn mower, garden tractor parts, Cub Cadet Parts, Diagrams, mowers, attachments and sell Genuine OEM parts for Cub Cadets. We also carry Kohler engine parts, OEM Seats, Brinly Sleeve hitch and Cat. 0 3 point hitches, Duff Norton electric lift parts, Posted: Mon Nov 08, 2021 9:49 am Post subject: Re: Case 350 Front Wheel Seals. CVPost-Andrew350 wrote: (quoted from post at 17:17:33 11/08/21) I have a 1957 Case 350 and when I am in 4th high going down the road grease flys off of the front wheels. I was just wondering if it looked like I needed new seals and if I did where might I be able to ...

Find schematics, manuals, specifications and diagram s for HYDRAULIC, DRAFT SENSING, 1086 AND 1486 TRACTORS. Find genuine OEM parts for your needs. 1086 - INTERNATIONAL DIESEL TRACTOR (01/76 - 12/79) CATALOG SEARCH. note: use keywords or part numbers instead of full sentences for best results. examples: 737-3025, 1234, filter, oil, pump, etc. Ih 1086 doesnt seam to want to lift a single line ... Posted: Mon Nov 08, 2021 10:40 am Post subject: Re: Farmall 450 TA section leaking. There are two possible sources of oil into that dry cavity. one is engine oil from a rear main or possibly a cam plug rusted through. the second (as noted) is the seals on the TA assembly. Either require a split of the tractor into 2 parts at the engine (at ... Ih 56 Planter Parts Manual Diagram Latest Ad: Want a reconditioned Farmall/International 350 or 400 utility tractor with step thru front loader. Must be gas powered with at least the IH 2 point rear hitch plus draw bar. Combine Case IH 1600 v2.0. The V2 of the 1600 Axial Flow series I made. The crop you harvest with this WILL create no yield UNLESS you hit num 0, in there youll find a diagram, as of real life you have to adjust your combine, setting preferances are listed below. Controls: Num 0: Open Diagram Alt Num 4/5: DecreaseIncrease rotor speed Alt Num 7 ...

Farmall 706 Wiring Diagram

Farmall 706 Wiring Diagram

KUBOTA M7060HD $32,900.00. Hold at Elizabethtown. 2017 Kubota M7060HD. Kubota V3307 Direct Injection 3.3L (203 cu. in.), 71 horsepower, 4 Cyl Common Rail Electronic Fuel Injected Turbo charged Diesel, 4WD, Electronic Engine Management, Constant RPM management.

International Harvester 234 244 254 Tractor Parts Catalog Manual TC-255 | eBay

International Harvester 234 244 254 Tractor Parts Catalog Manual TC-255 | eBay

Tractor's Parts - Mitsubishi, Lucky co chuyên tân trang, sửa chữa, cung cấp các loại xe máy cày, thương hiệu nổi tiếng Nhật Bản.

unknown

unknown

WFLNHB New Carburetor Carb Repair Rebuild kit Fit for IH Farmall Cub Tractors Product Description & Features: 1.Carburetor carb rebuild repair kit fits for IH. Read more. RepairWill 251234R91 251234R92 Carburetor for International Farmall IH Tractor Cub Engine SN 312389 Early Cub LoBoy 154 Tractor Replace 71523C92 405004R91 63349C91 364579R91 ...

Case-IH 385 Tractor Parts Manual

Case-IH 385 Tractor Parts Manual

SERVICE REPAIR MANUAL

Murray G3554160 - Lawn Tractor (1997) Parts Diagram for ...

Murray G3554160 - Lawn Tractor (1997) Parts Diagram for ...

Cub Cadet Specialties offers new and used vintage IH International Harvester Lawn mower, garden tractor parts, Cub Cadet Parts, Diagrams, mowers, attachments and sell Genuine OEM parts for Cub Cadets We also carry Kohler engine parts, OEM Seats, Brinly Sleeve hitch and Cat. 0 3 point hitches, Duff Norton electric lift parts,

860-880 North Lake Shore Drive, Electrical Riser Diagram (11/28/1949) // Ludwig Mies van der Rohe (American, born Germany, 1886–1969) Associate Architect: Holsman, Holsman, Klekamp and Taylor (American, 20th century) Associate Architect: Pace Associates (American, 20th century) Structural Engineer: Frank J. Kornacker (American, active 1940s–1950s)

860-880 North Lake Shore Drive, Electrical Riser Diagram (11/28/1949) // Ludwig Mies van der Rohe (American, born Germany, 1886–1969) Associate Architect: Holsman, Holsman, Klekamp and Taylor (American, 20th century) Associate Architect: Pace Associates (American, 20th century) Structural Engineer: Frank J. Kornacker (American, active 1940s–1950s)

Joined Jan 20, 2009 Messages 3,805 Location Carroll, Ohio Tractor IH Farmall 656 gas/ IH 240 Utility/ 2, Super C Farmalls/ 2, Farmall A's/ Farmall BN/McCormick-Deering OS-6/McCormick-Deering O-4/ '36 Farmall F-12/ 480 Case hoe. '65 Ford 2000 3 cyl., 4 spd. w/3 spd Aux. Trans

1086 International Tractor Wiring Diagram - Calidad Y Mejora Continua Libro Pdf

1086 International Tractor Wiring Diagram - Calidad Y Mejora Continua Libro Pdf

Search by tractor part group. Engine and Related Parts Front Axle - Steering and Related Parts Rear Axle and Related Parts Transmission - PTO and Related Parts Clutch Assembly (Assy) - Brake and Related Parts Cooling Systems Parts Hydraulic System Parts Electrical System Parts Miscellaneous [-----------All tractor part groups------------] List ...

International Harvester 1086 Tractor Parts Manual

International Harvester 1086 Tractor Parts Manual

Download Case IH MX100, MX110, MX120, MX135 Tractor Service Repair Manual Download We Offers manuals high quality images, diagrams, instructions to help you to operate, maintenance, diagnostic, and repair your truck. This document is printable, without restrictions, contains searchable text, bookmarks, crosslinks for e

International Harvester 185 - International Harvester Cub Lo-Boy Tractor Carburetor Parts Lookup ...

International Harvester 185 - International Harvester Cub Lo-Boy Tractor Carburetor Parts Lookup ...

Cub Cadet Specialties offers new and used vintage IH International Harvester Lawn mower, garden tractor parts, Cub Cadet Parts, Diagrams, mowers, attachments and sell Genuine OEM parts for Cub Cadets. We also carry Kohler engine parts, OEM Seats, Brinly Sleeve hitch and Cat. 0 3 point hitches, Duff Norton electric lift parts,

International 364 Tractor Parts Catalog PDF 4.99 – Farm Manuals Free

International 364 Tractor Parts Catalog PDF 4.99 – Farm Manuals Free

Message. 1948jr. Long Time User. Joined: 25 Jun 2013. Posts: 667. Report to Moderator. Posted: Mon Nov 08, 2021 8:18 am Post subject: THrottle on a 50 john deere. How to hook up throttle and governor spring on a 50 john deere (diagram)

International Harvester Farmall 300 350 Utility Tractor Parts Catalog Manual IH | eBay

International Harvester Farmall 300 350 Utility Tractor Parts Catalog Manual IH | eBay

Cub Cadet Specialties offers new and used vintage IH International Harvester Lawn mower, garden tractor parts, Cub Cadet Parts, Diagrams, mowers, attachments and sell Genuine OEM parts for Cub Cadets. We also carry Kohler engine parts, OEM Seats, Brinly Sleeve hitch and Cat. 0 3 point hitches, Duff Norton electric lift parts,

people watching car race

people watching car race

Case IH, Kubota, JCB and more, to delivering exceptional service and parts support to keep your equipment running at peak performance, Hoober is there for agricultural, light construction, excavation and rural homeowner customers throughout the mid-Atlantic region. At Hoober, Service is Our Business.

white and blue air plane in mid air during daytime

white and blue air plane in mid air during daytime

Maybe you are long gone. This must be a British produced BTD6 model. US/Canada etc. TD6 models were gas start switch over to diesel same engine as a Farmall MD tractor. Look at the British model parts book at the link in my other reply, pages 76 or 79 ..serial no. dependent.. of the PDF essentially show diagram.

Installation Diagram for Stone Line (c. 1976) // Richard Long English, born 1945

Installation Diagram for Stone Line (c. 1976) // Richard Long English, born 1945

Nine-part Modular Cube (1977) // Sol LeWitt American, 1928-2007

Nine-part Modular Cube (1977) // Sol LeWitt American, 1928-2007

Amazon.com: International Harvester 444 Tractor Parts Manual: 6301147691675: Industrial & Scientific

Amazon.com: International Harvester 444 Tractor Parts Manual: 6301147691675: Industrial & Scientific

Farmall Super C Parts Diagram - Hanenhuusholli

Farmall Super C Parts Diagram - Hanenhuusholli

[DIAGRAM] 444 International Tractor Wiring Diagram FULL Version HD Quality Wiring Diagram ...

[DIAGRAM] 444 International Tractor Wiring Diagram FULL Version HD Quality Wiring Diagram ...

International Harvester 574 Tractor Engine Parts Manual

International Harvester 574 Tractor Engine Parts Manual

Farmall B Tractor Owners Manual

Farmall B Tractor Owners Manual

Farmall Md Wiring Diagram - Wiring Diagram & Schemas

Farmall Md Wiring Diagram - Wiring Diagram & Schemas

Toro 656, 656 Tractor, 1966 Parts Diagram for TRANSMISSION PARTS LIST

Toro 656, 656 Tractor, 1966 Parts Diagram for TRANSMISSION PARTS LIST

International Harvester Hydro 186 786 886 986 1086 1486 1586 Chassis Service Manual

International Harvester Hydro 186 786 886 986 1086 1486 1586 Chassis Service Manual

Case 580D Starter Wiring Diagram Perfect On Case Ih ...

Case 580D Starter Wiring Diagram Perfect On Case Ih ...

International Harvester 184 - International Harvester Cub Lo-Boy Tractor Starting And Lighting ...

International Harvester 184 - International Harvester Cub Lo-Boy Tractor Starting And Lighting ...

Case 856xl 856 Xl International Diesel Tractor Parts Catalog Ipl Manual – PDF Download – HeyDownloads – Manual Downloads

Case 856xl 856 Xl International Diesel Tractor Parts Catalog Ipl Manual – PDF Download – HeyDownloads – Manual Downloads

EIBSEE LAKE GARMICH PARTENKIRCHEN BAVARIA OBERBAYERN ZUGSPITZE SOUTHERN GERMANY MUNICH GERMANY's HIGHEST MOUNTAIN AJ IMG_5444

EIBSEE LAKE GARMICH PARTENKIRCHEN BAVARIA OBERBAYERN ZUGSPITZE SOUTHERN GERMANY MUNICH GERMANY's HIGHEST MOUNTAIN AJ IMG_5444

966 Ih Tractor Wiring Schematic For - Wiring Diagram Networks

966 Ih Tractor Wiring Schematic For - Wiring Diagram Networks

Case Tractor Farmall 95 105 115 U EP Service Manual | Auto ...

Case Tractor Farmall 95 105 115 U EP Service Manual | Auto ...

unknown

unknown

Nude Model (Male) (1977) // Andy Warhol American, 1928–1987

Nude Model (Male) (1977) // Andy Warhol American, 1928–1987

International 584 Tractor - Parts Catalog | Farm Manuals Fast

International 584 Tractor - Parts Catalog | Farm Manuals Fast

IHS3543 Farmall 706 & 806 Gas Restoration Quality Wiring ...

IHS3543 Farmall 706 & 806 Gas Restoration Quality Wiring ...

anyone got an exploded diagram of a carb for a H ...

anyone got an exploded diagram of a carb for a H ...

INTERNATIONAL HARVESTER FARMALL 300 350 Utility Tractor Parts Catalog Manual IH - $34.65 | PicClick

INTERNATIONAL HARVESTER FARMALL 300 350 Utility Tractor Parts Catalog Manual IH - $34.65 | PicClick

966 Ih Tractor Wiring Schematic For - Wiring Diagram Networks

966 Ih Tractor Wiring Schematic For - Wiring Diagram Networks

International Agricultural Tractors, International Tractor Parts, Parts Dealer, IHC Farmall C ...

International Agricultural Tractors, International Tractor Parts, Parts Dealer, IHC Farmall C ...

0 Response to "37 international tractor parts diagram"

Post a Comment

Iklan Atas Artikel

Iklan Tengah Artikel 1

Iklan Tengah Artikel 2

Iklan Bawah Artikel