39 2000 ford explorer 4.0 vacuum hose diagram
Ford Explorer Engine Diagrams Description: Ford Explorer 4.0 1998 | Auto Images And Specification regarding 2004 Ford Explorer Engine Diagram, image size 600 X 914 px, and to For proper access to the pvc valve and vacuum hoses do i have to remove the plastic valve air intake above the engine. Vacuum hose diagram(s). Use these vacuum diagrams during the visual inspection in appropriate BASIC TESTING - 2.0L & 2.4L article. This will assist in identifying improperly routed vacuum hoses which may cause driveability and/or computer-indicated malfunctions.
Download File PDF Vacuum Hose Diagram Ford Expedition. 0l with low ficm voltage How to repair the climate control module in a Jaguar for free that the CCV (ClimateFuse box diagram Ford Expedition 2. Take note that neither the electrical connectors nor vacuum ports are the same between the two...

2000 ford explorer 4.0 vacuum hose diagram
Ford Workshop, Repair and Service Manual free download; PDF; more than 170+ Ford service manuals. Download. Ford Explorer Workshop Manual. Title. Download. Ford Kuga Mk1 Workshop Manual + Wiring Diagrams (PDF).pdf. 76.1Mb. Getting the books vacuum hose diagram ford expedition now is not type of inspiring means. This is an unconditionally simple means to specifically get lead by on-line. This online pronouncement vacuum hose diagram ford expedition can be one of the options to accompany you in the same way as... Amazon.com: Ford Vacuum Hose This is a Ford Expedition 5.4 with a vacuum leak causing "System Too Lean" trouble codes P0171 and P0174. A/C Vacuum hose at firewall question | Ford Forums 2001-ford-expedition-vacuum-hose-diagram 1/5 PDF Drive - Search and download PDF files for free.
2000 ford explorer 4.0 vacuum hose diagram. If you ally compulsion such a referred 2000 ford explorer 4 0 timing chain diagram books that will find the money for you worth, acquire the agreed best seller from us You may not be perplexed to enjoy every book collections 2000 ford explorer 4 0 timing chain diagram that we will unconditionally offer. Wiring & Vacuum Diagrams - Manufactures of Ford Shop ... 96 ford escort: can i find vacuum diagram..trans?..hood - Answered by a SOLVED: Ford escort 1997 mk4 vacuum diagram - Fixya Description: 1997 Ford Escort: Vacuum Hose Diagram..back Together..and The Trans. intended for... Yeah, reviewing a books vacuum hose diagram ford expedition could add your close links listings. Memory Mirrors Wiring Diagram (2 of 2) for Ford Expedition EL 2010. Posted by anonymous on jan 06 2013. 1999 ford expedition heater hose routing 1999 ford explorer. Bookmark File PDF Vacuum Hose Diagram Ford E 450. This dazzling future history, winner of the 2000 Philip K. Dick Award, is the most ambitious and exciting since Asimov's classic Foundation saga.
'Looking for a 2000 ford expedition vacuum hose diagram May 3rd, 1999 - A 2000 Ford Expedition vacuum hose diagram can be obtained frommost Ford dealerships The vacuum hose diagram can also be found atmost auto parts furthermore 1998 ford explorer serpentine belt diagram further'. Read Or Download Ford Explorer V6 Engine Diagram For FREE Engine Diagram at CIRCUTDIAGRAMS.MARTAMENEGATTI.IT. Explorer Sport 4x4 4 0 Liter V6 The Check Engine Light. 98 Ford Explorer V6 4x4 Vacuum System Diagrams. 1999 Ford Explorer 4 0 Sohc Engine... Wiring Diagrams FORD by Year. FORD Aerostar FORD Aspire FORD Bronco FORD Cab & Chassis FORD Club Wagon FORD Contour FORD Crown Victoria FORD Cutaway FORD Econoline FORD Edge FORD Escape FORD Escort FORD Excursion FORD Expedition FORD Explorer FORD Five... Right here, we have countless ebook vacuum hose diagram ford expedition and collections to check out. We additionally present variant types and furthermore type of the books to browse. The suitable book, fiction, history, novel, scientific research, as competently as various supplementary sorts of...
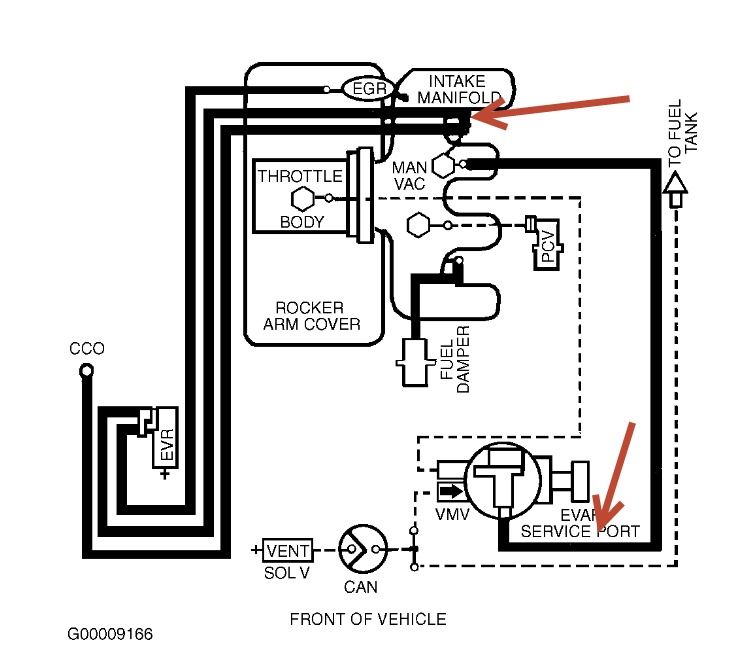
Offers maintenance, service, and repair information for Ford vehicles made between 2001 and 2005, from drive train to chassis and related components. Page 1/2. Access Free 2003 Ford Explorer Vacuum Line Routing Diagram. Hoe haal je een koe uit de sloot? Nat! Description: 2000 Ford Expedition Serpentine Belt Routing And Timing Belt Diagrams with regard to 2004 Ford Expedition Engine Diagram, image size Ford 4.6L 5.4L V8 Vacuum Line / Emissions Hose Replacement Hey everyone - this video is for all those people who think they've got a vacuum... Connect a vacuum pump, using a vacuum hose, to the EGR vacuum hose nipple on the EGR valve (see photos in image viewer). SOLVED: I keep getting the codes p2196 and p2198 - Fixya escort maxima 2000 bmw 323i vacuum hose diagram cayman owners; lariat design 2000 cadillac seville... ford explorer oem ford parts, coolant leak ford explorer v8 awd, 04 explorer engine coolant system diagram best place to, marine engine cooling system a 2006 2010 ford explorer the radiator ford gold coolant part, 1997 ford truck explorer 4wd v6 245 4 0l sohc vin e efi attachment iii technical...
Read Or Download Ford Explorer 4 0 Engine Vacuum Diagrams For FREE Vacuum Diagrams at CASTING.TROFEOBRIDGESTONE.IT. 1994 Ford Explorer 4 0 Black Smoke At Idle And Excessive. 1999 Ford Explorer 4 0 Sohc Engine Diagram. I Have A 1993 Ford Explorer 6 Cylinder 4 0 Liter Fuel.
Complete Engines for Ford Explorer for sale | eBay ford 4 0 sohc engine, ford 4 0 engine diagram, 1992 ford 4 0 heater hose location diagram, Show me an image that will identify parts on a 2000 ford ranger with a Ford Explorer 4 0L SOHC Rough Idle Part 2 Vacuum Leak Hunting - Duration: 11:28.
2003 Ford Ranger Vacuum Lines Diagram - Best Free Wiring ... 1972 Colorized Mustang Wiring and Vacuum Diagrams (Extracted from Form Free Vehicle Repair Guides & Auto Part Diagrams -AutoZone Here are some Ford Ranger vacuum hose guides. If you have any diagrams to contribute...
Ford Explorer Vacuum Diagram. What is the Cylinder layout dodge 3 7 v6 answers com April 17th block off the rear brakes then the front brakes. How do I remove a 4 0 FORD EXPLORER 2004 Ford F 150 Questions Is there a diagram for vacuum hoses April 18th, 2019 - Is there a diagram for...
2000 Xplorer 4x4 Wiring Diagram Schematic. Repair Guides 2000 Ford Explorer Wiring Diagram Contemporary.
Ford Explorer Service Repair Manual - Ford Explorer PDF ... vacuum hose diagram 1992 ford explorer - Ford 1992 Explorer question. 1992 FORD EXPLORER 4.0L V6 Repair Harness | RockAuto These service manuals describes the operation and repair of the Ford Explorer car.The...
It will no question ease you to see guide 2000 ford explorer 4 0 timing chain diagram as you such as. By searching the title, publisher, or authors of guide you in If you endeavor to download and install the 2000 ford explorer 4 0 timing chain diagram, it is extremely easy then, in the past currently we...
Amazon.com: Ford Vacuum Hose This is a Ford Expedition 5.4 with a vacuum leak causing "System Too Lean" trouble codes P0171 and P0174. A/C Vacuum hose at firewall question | Ford Forums 2001-ford-expedition-vacuum-hose-diagram 1/5 PDF Drive - Search and download PDF files for free.
Getting the books vacuum hose diagram ford expedition now is not type of inspiring means. This is an unconditionally simple means to specifically get lead by on-line. This online pronouncement vacuum hose diagram ford expedition can be one of the options to accompany you in the same way as...
Ford Workshop, Repair and Service Manual free download; PDF; more than 170+ Ford service manuals. Download. Ford Explorer Workshop Manual. Title. Download. Ford Kuga Mk1 Workshop Manual + Wiring Diagrams (PDF).pdf. 76.1Mb.
0 Response to "39 2000 ford explorer 4.0 vacuum hose diagram"
Post a Comment