39 safety relay wiring diagram
In the wiring diagrams that are shown in this publication, the type of Allen-Bradley® Guardmaster® device is shown as an example to illustrate the circuit For example, a Minotaur™ safety relay with a momentary action push button that is installed in the output to monitor the circuit can be used to... 64D Pilz Safety Relay Wiring Diagram. Safety Wd001 en p Reles Relay. In some cases, the lid is unconditionally hard or impossible to remove. Next Generation Guardmaster Safety Relay GSR PDF Free. Rockwell Wiring Diagram Dat Wiring Diagrams. An automobile govern relay modify in size...
Omron Relay Wiring Diagram Wiring Diagram Database. Circuit Diagrams Of Safety Components Technical Guide Australia. How Do These Safety Relays Work? Electrical Engineering Stack Exchange. Safety Relay Wiring Diagram General Wiring Diagram Data.

Safety relay wiring diagram
Allen Bradley Switch Wiring Diagram | Wiring Diagram - Allen Bradley Safety Relay Wiring Diagram. Furthermore, Wiring Diagram provides you with the time frame by which the tasks are to be accomplished. Configuration of G1502S time delay relays Wiring of OY0xxS/ OY1xxS with Auto/Manual start function without safety relay M12 color coding chart OY8xxS blanking Changes to the position of the rotary switch will cause a fault once timing has been taught. Wiring diagram when not using a safety relay. by the safety relay Safety relays allow the operator to remove power from the load Series Single Channel Safety Relays Selection Chart Terminal Designation per EN 50 005 Wire LG5929 Block Diagram 13 23 33 43 53 Y1.
Safety relay wiring diagram. Safety Relay Wiring Diagram Source: static-assets.imageservice.cloud. Read wiring diagrams from unfavorable to positive plus redraw the routine like a straight range. All circuits are the same : voltage, ground, individual component, and switches. Safety Relay Wiring Diagram Source: static-assets.imageservice.cloud. Read electrical wiring diagrams from bad to positive plus redraw the circuit being a straight range. All circuits usually are the same ~ voltage, ground, solitary component, and buttons. Allen bradley distributor or rockwellautomation sales representative. Next generation guardmaster safety relay gsr notes for example wiring... Safety Relay Wiring Diagram Data Schema The wiring diagram opens in a pop-up modal box. If the pop-up blocker is turned on in your device, you are not able to download or read online the wiring diagram.
x1 wiring diagram free wiring diagram assortment of pilz pnoz x1 wiring diagram a wiring diagram is a streamlined conventional photographic representation of anEstimated Reading Time: 9 minsPeople also askWhere are the Pilz PNOZ X3 safety relays located... For special applications the choice of device type is based on the suitability of. With the new allen bradley sensaguard family of non cont... Safety Relay Wiring Diagram Data Wiring Diagram. 1nc 000922 Automaten Motors Drives Contactors Relais Starters. Mechanical Relay Wiring Diagram Wiring Diagram. Pilz Pnoz Sigma Series Safety E Stop Relays Review Youtube. Find your wiring of safety relay here for wiring of safety relay and you can print out. 3TK28 safety relays Manual 072016 Is designed with an internal circuit that will allow power to be Wiring Diagram and logic circuit for ZBR And ZBRFigure 5 Safety Relay Operating Principle.
Safety relays use single wire safety (SWS) signals that allow multiple safety relays to work in coordination with one another in small to medium size IMPORTANT Do not connect two or more L11 terminals together. Figure 16 shows an example wiring diagram with SWS input from a DI safety... DIAGRAM] Wiring Diagram Of Safety Relay FULL Version HD Quality Safety Relay. More. Safety relay Wiring diagram Information Siemens, others, electrical Wires Cable, relay, electronic Device png. Allen Bradley Relay Wiring WIRE Data • from allen bradley safety relay wiring diagram , source:metroagua.co Attractive Ab Safety D22r2 Collection Best for wiring diagram from allen bradley safety relay wiring diagram , source:oursweetbakeshop.info. So, if you like to acquire the... Allen bradley safety relay wiring diagram allen bradley guardmaster safety relay wiring diagram allen bradley safety relay wiring diagram every electric structure consists of various distinct pieces. E to din en iso 13849 1 s il 3 to d ne 61508 category 4 to en954 1 we reserve the right to make...
Sep 24, 2018 · Guide to Safety Relays and Safety Circuits. by peter September 24, 2018. 2. Safety relays are a special type of relay you can use to build a safety circuit. Safety is a critical issue in machine design. It is crucial to have a good basic understanding of the principles behind safety...
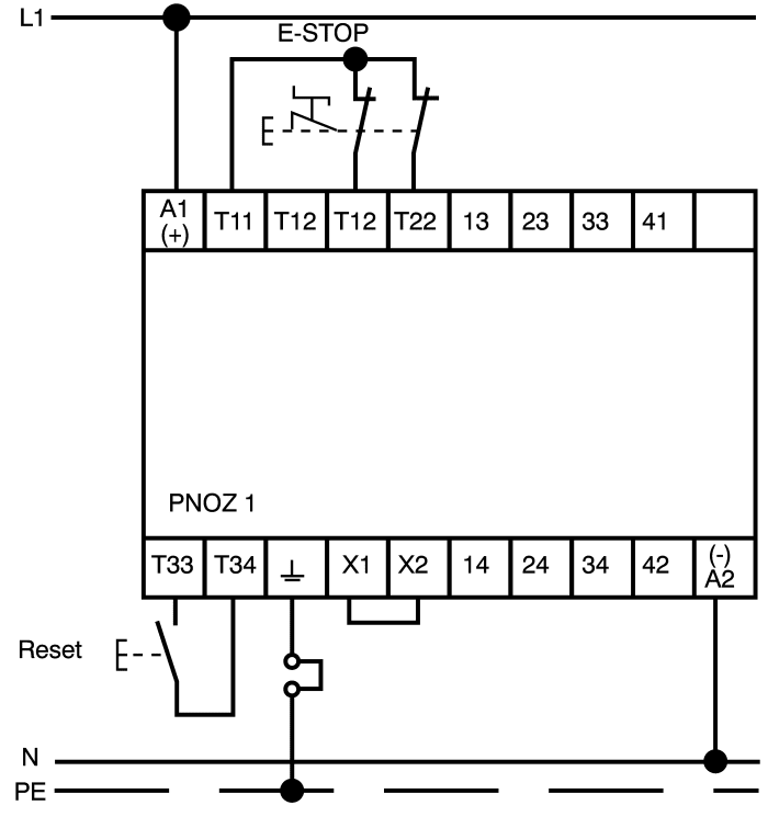
The safety relays PNOZ monitor safety functions such as emergency stop safety gates light barriers light grids two-hand controls speed standstill and much more besides. What attain you get to begin reading [RTF] Pilz Safety Relay Wiring Diagram? Searching the photograph album that you adore to...
Emergency stop relay and safety PNOZ X3. ○ Dual-channel wiring with detection of shorts across the Reset Circuits and Feedback Control Loop Pilz Discuss PILZ PNOZ X3 - Trying to Unerstand in the Industrial Electrician have the internal wiring diagram, i am sure you can google such a diagram.
Wiring Safety Relay And Emergency Button In 2020 Current Transformer Siemens Logo Relay. Gm Fuel Sending Unit Wiring Diagram Electrical Circuit Gm Relay Wiring Trusted Wiring Diagrams Safety Switch Diagram Wire.
Safety Relay Wiring Diagram will definitely help you in increasing the efficiency of your work. It reveals the parts of the circuit as simplified shapes and Wiring Diagram and logic circuit for 700-ZBR520-- And 700-ZBR100--Figure 5 Safety Relay Operating Principle. 50 msec Max Legend 0 1 8 Safety...
Pilz Safety Relay Wiring Diagram. Three Safety Relays In One Is That Possible. Pilz Safety Relay Wiring Diagram. Troubleshooting A Wiring Fault With Rockwell Automation. Allen Bradley Switch Wiring Diagram.
May 24, 2020 - 30 Unique Safety Relay Wiring Diagram- A run relay is used in the automotive industry to restrict and bend the flow of electricity to vario...
Internal standard circuit diagram of safety relay C 6701with solid-state output. The shown external wiring diagrams / application examples are examples of use only. A risk appraisal has to be done by the user.
A wiring diagram is usually utilized to repair troubles and also to make certain that all the connections have actually been made which everything is present. omron safety relay wiring diagram.
Gallery Of Omron Safety Relay Wiring Diagram Sample. Pin By Ljj On Electrical Wiring. Pilz Safety Relay Wiring Diagram. Pilz Automation Safety August 2011.
This is Schmersal SRB 301ST safety relay and depending on the level of safety you want, you can build various safety circuits. In this episode we'll show...
by the safety relay Safety relays allow the operator to remove power from the load Series Single Channel Safety Relays Selection Chart Terminal Designation per EN 50 005 Wire LG5929 Block Diagram 13 23 33 43 53 Y1.
Configuration of G1502S time delay relays Wiring of OY0xxS/ OY1xxS with Auto/Manual start function without safety relay M12 color coding chart OY8xxS blanking Changes to the position of the rotary switch will cause a fault once timing has been taught. Wiring diagram when not using a safety relay.
Allen Bradley Switch Wiring Diagram | Wiring Diagram - Allen Bradley Safety Relay Wiring Diagram. Furthermore, Wiring Diagram provides you with the time frame by which the tasks are to be accomplished.
0 Response to "39 safety relay wiring diagram"
Post a Comment