37 troy bilt horse drive belt diagram
Tractor. kioti nx4510 hst. Brother, the two belt numbers are part #1128, Belts-"V", pair, tiller serial #'s 2731 to 314150, two speed tillers. Earlier tillers used a single #1128 belt & #1007 pulley. This info is from Master parts catalog for Horse Model from the year 1979. Hope this info helps, Bob. MTD Riding Lawnmowere belt diagram. Troy bilt 13wm77ks011 pony 2015 mower deck 42 inch exploded view parts lookup by model. Well, to try and make a long story a little shorter I have a Murray riding mower from 2003. troy bilt 42 inch deck troy pony parts diagram good bronco deck belt in of cover letters with strong, image source: cryptoverse ...
Troy Bilt Pony 7 Speed Belt Diagram. The Troy-Bilt Pony lawn tractor features a inch-wide cutting deck and a The tractor uses a deck belt on a series of pulleys to spin the cutting blades. 7. Locate the deck lift rod on the mower deck, and remove the bow-tie pin. Drive Belt Replacement in a Cub Cadet Series · Install a Deck Belt on a Inch.

Troy bilt horse drive belt diagram
Troy-Bilt repair parts and parts diagrams for Troy-Bilt 13AK79BT011 - Troy-Bilt Horse 46" Lawn Tractor, Hydro Drive (2018) Get a replacement drive belt for your Troy-Bilt Pony lawn tractor here: http://www.ereplacementparts.com/belt-p-291924.htmlhttp://www.ereplacementparts.com/b... Lookup Parts by Diagram. Use our parts diagram tool below to find the parts you need for your machine. Select the model and year, then browse the parts diagrams to find the right part. Add to cart when you're ready to purchase and we'll ship it to you as soon as possible! Financing Now Available for Online Purchases.*. Learn More.
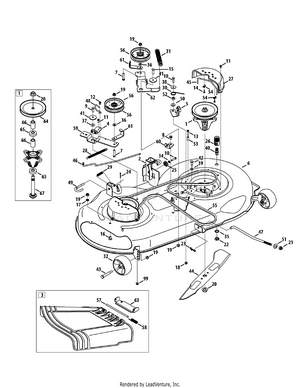
Troy bilt horse drive belt diagram. Troy Bilt 13WX79KT011 Horse (2013) Exploded View parts lookup by model. Complete exploded views of all the major manufacturers. It is EASY and FREE The upper drive belt on the inch Troy-Bilt lawn mower is the only serviceable Draw a diagram of how the belt routes around the pulleys on the mower deck. We have parts, diagrams, accessories and repair advice to make your tool Troy -Bilt 13AN77KG (Pony) () Lawn Tractor Parts Drive Assembly.Troy Bilt 13ANG Pony () Drive Exploded View parts ... Troy Bilt 14AA80TP766 Big Red Horse (2007) Deck 50 Exploded View parts lookup by model. Complete exploded views of all the major manufacturers. It is EASY and FREE Yes, printed Troy-Bilt Operator's Manuals, Illustrated Parts Lists and Troy-Bilt / MTD Engine Manuals are available for purchase. The price for a pre-printed manual is typically less than $20+s/h, but can range up to $45+s/h for larger documents. To order a pre-printed Troy-Bilt manual, have your Model & Serial Number handy and call our ...
Shop with Confidence. Avoid frustration when buying parts, attachments, and accessories with the Troy-Bilt Right Part Pledge. If you purchase the wrong part from Troy-Bilt or a Troy-Bilt authorized online reseller, Troy-Bilt, or your Troy-Bilt authorized online reseller will work with you to identify the correct part for your equipment and initiate a free exchange. Troy-Bilt repair parts and parts diagrams for Troy-Bilt 12068 - Troy-Bilt Horse Rear-Tine Tiller (SN: 120680100101 & Above) The Right Parts, Shipped Fast! ... WHEEL SPEED LEVER, BELT DRIVE, ENGINE & WHEELS. WHEELS/TINES/PTO DRIVE LEVER ASSEMBLY. Attachments For This Model (5) Hide . Find parts for your Horse XP Troy-Bilt Riding Lawn Mower . Parts diagrams and manuals available. Free shipping on parts orders over $45. Troy Bilt 13WM77KS Pony Mower Deck Inch Parts Diagram. SWIPE SWIPE 3. Belt Keeper Belt Keeper No Longer Available. 4. I had to go thru them to find a part number for a mid 80's Horse unit that had a broken drive coupling. Anyways, they have parts breakdowns. 13AN77TG - Troy-Bilt Pony Lawn Tractor (). > Upper drive Belt Troy- Bilt C (replaces B) ..
Troy Bilt 13WX79KT Horse XP () Mower Deck Parts Diagram. SWIPE SWIPE Drive & Rear Wheels . Deck Belt Cover $ They're more concerned with making it difficult for the belt to come off. of the small pulleys (#75 in the diagram) pivots and give you enough slack to fit the whole thing properly. On a Horse XP there is only one drive pulley. Parts lookup for Troy Bilt power equipment is simpler than ever. Enter your model number in the search box above or just choose from the list below. ... Troy Bilt Econo Horse Tillers Parts Diagrams 12086 ECONO-HORSE(6HP) OPC (S/N 120860100101-UP) 12174 ECONO-HORSE(6HP) OPC OHV (S/N 121741100101-UP) 12185 Econo-Horse 7HP OPC (S/N 121851100101 ... Troy-Bilt repair parts and parts diagrams for Troy-Bilt GTX 2446 (14AZ809H063) - Troy-Bilt Garden Tractor (2003) Find parts for your TB42 Hydro Tractor Troy-Bilt Riding Lawn Mower. Parts diagrams and manuals available. Free shipping on parts orders over $45.
Mower deck drive belt replacement is essential to keeping your Troy-Bilt lawn tractor running in working condition because the spinning belt wears down gradually. Replace the belt every one to two ...
Troy Bilt 13WX78KS Bronco () Drive & Transmission Parts Diagram . PLUG DECK HOLE 7/8 $ 36 A Upper Drive Belt. Troy Bilt 13WX78KS Bronco () Mower Deck Inch Exploded View parts lookup by model. Complete exploded views of all the major manufacturers. This is how you remove and change the deck belt on your Troy-Bilt riding lawn mower.
12153 - Troy-Bilt Horse Rear-Tine TillerParts & DiagramsParts Lists & Diagrams. 12153 - Troy-Bilt Horse Rear-Tine Tiller.
Hi rick, troy bilt pony. Troy bilt 13101 16hp gtx hydro garden tractor s n 131010100101 parts diagram for wiring. I took off the air filter and now it starts but the exhaust is. Troybuit electric wire diagram 13aj609g766 wiring schematic. Troy bilt 13wn77ks011 pony 2018 parts diagram mower wiring 13wx79kt011 horse xp 2011 lawn tractors 46 42 ...
Find parts for your Big Red Horse Troy-Bilt Garden Tractor . Parts diagrams and manuals available. Free shipping on parts orders over $45. ... Big Red Horse Troy-Bilt Garden Tractor . Model#: 14AA80TP766. Parts ... Belts (5) Blades (4) Brackets and Stampings (20) ...
Troy-Bilt Tillers Horse parts with OEM Troy-Bilt parts diagrams to find Troy-Bilt Tillers Horse repair parts quickly and easily. The Right Parts, Shipped Fast! Order Status; Customer Support; 512-288-4355; My Account; Order Status. Customer Support. 512-288-4355. My Account. About Us.
In "Blademan & Throttle: The Ultimate Choke-Out", Taryl shows you how to replace the drive belts on a Troy-Bilt / Yard Machine 7-speed riding mower. In anoth...
Troy Bilt 14AT809H766 Horse (2004) Exploded View parts lookup by model. Complete exploded views of all the major manufacturers. It is EASY and FREE
Hydrostatic mower drive belt - Troy Bilt Horse. Ask Question Asked 5 years, 8 months ago. Active 7 months ago. Viewed 22k times 0 1. I have a Troy Bilt horse that has 2 belts, one for the 2 blades on the deck and a drive belt that runs the hydrostatic transmission. The transmission belt broke, and I can't figure out how to get to the rear ...
Troy Bilt 12090 - 8HP Electric PTO Horse Tiller Exploded View parts lookup by model. Complete exploded views of all the major manufacturers. It is EASY and FREE
Lookup Parts by Diagram. Use our parts diagram tool below to find the parts you need for your machine. Select the model and year, then browse the parts diagrams to find the right part. Add to cart when you're ready to purchase and we'll ship it to you as soon as possible! Financing Now Available for Online Purchases.*. Learn More.
Get a replacement drive belt for your Troy-Bilt Pony lawn tractor here: http://www.ereplacementparts.com/belt-p-291924.htmlhttp://www.ereplacementparts.com/b...
Troy-Bilt repair parts and parts diagrams for Troy-Bilt 13AK79BT011 - Troy-Bilt Horse 46" Lawn Tractor, Hydro Drive (2018)
0 Response to "37 troy bilt horse drive belt diagram"
Post a Comment