38 bmw e60 cooling system diagram
Water Cooling System Auto Parts for BMW 5-Series E60/E61 (2004-2010): Cooling System Miscellaneous, Radiators, Water Pump, Thermostat & Hoses This new thermostat includes the thermostat gasket, ready to install in your BMW. Hailing from Stuttgart, Mahle-Behr specializes in automotive cooling systems. From air conditioning to engine cooling M-B has you covered with OE-quality replacement parts. Applications: 1999-2003 E39 528i, 525i, 530i sedan, touring wagon (M52TU engine, M54 engine)
The BMW 5 Series (E60, E61) Service Manual: 2004-2010 contains in-depth maintenance, service and repair information for the BMW 5 Series from 2004 to 2010. The aim throughout has been simplicity and clarity, with practical explanations, step-by-step procedures and accurate specifications. Whether you re a professional or a do-it-yourself BMW owner, this manual helps you understand, care for ...

Bmw e60 cooling system diagram
Free shipping over $69. OEM Bimmerparts has a wide selection of OEM BMW 5 Series 2004-2010 E60/E61 Engine Cooling Parts at the best prices. Shop now. This video will show you how to fill up the cooling system on BMW 5 series E60/E61, built between 2004-2011.Be careful what antifreeze you use, to have the n... BMW Cooling System Fundamentals. The engine, hoses, radiator, and expansion tank are filled with coolant mixture. On a BMW this is a mix of monoethylene glycol and distilled water. The water pump circulates the coolant and keeps the system pressurized. Starting from the pump, coolant enters the engine block and cylinder head to regulate ...
Bmw e60 cooling system diagram. BMW 535i Cooling System parts online. Buy OEM & Genuine parts with a Lifetime Warranty, Free Shipping and Unlimited 365 Day Returns. BMWPartsDeal.com offers the wholesale prices for genuine 2008 BMW M5 Sedan(E60) parts.Parts like . Lubrication System / Electrical Oil Pump are shipped directly from authorized BMW dealers and backed by the manufacturer's warranty.. Parts fit for the following vehicle options. included bmw e46 fanatics forum nd_7414] engine cooling system diagram . Mar 10, 2019 · Detailed 55-page guide on the operation and design of ... Bmw e60 ews reset - kulturverein-berlin-brandenburg.de INFINITI EX35, G20, G35, G37, I30, QX4 Wiring Diagrams Fuse box diagram BMW 5 E60/E61 2003-2005. 1. Heated rear window relay. 2. Ignition auxiliary circuits relay. 3. Ignition main circuits relay. F50. (20A) Fuel pump (FP) -520i/525i/530i- SiemensMS45.
If you shop around, you can get the N52 pump for just under $400. The N52 has 9 rubber hoses for just its cooling system, ignoring the heater hoses. The M54 has 3. The good news is that the water pump is self-diagnosable (Bentley E60, p. 170-2) and can throw codes for: ***8226; Impeller speed deviation. BMW 528i 2009, Dual Radiator and Condenser Fan Assembly by TYC®. The Cooling Fan Assembly is an essential part of a vehicle's cooling system. It must complement the rest of the cooling system by efficiently cooling the radiator and/or... your BMW R1200 Twins, 2004 thru 2009 -Routine Maintenance -Tune-up procedures-Engine, clutch and transmission repair -Cooling system -Fuel and exhaust -Emissions control -Ignition and electrical systems -Brakes, wheels and tires -Steering, suspension and final drive -Frame and bodywork -Wiring diagrams BMW 4 Series (F32, F33, F36) Service Manual Here is a system diagram of the cooling system wiring (fan and thermostats all together): ... M5Board is the best forum community for information on the BMW M5 E60 (V-10), E39 (V-8), E34 (straight 6), E28, F90 and F10. Discuss performance, specs, reviews and more! Full Forum Listing.
In this article, I'll go over the steps involved with replacing the engine coolant on the BMW E60 models. Be sure to work with a cool engine and confirm the cooling system lacks pressure before opening the cooling system. Lift and support the front of the vehicle safely. See our tech article on lifting your BMW E60. E60/61 Wiring diagrams. By Chris Bram, February 20, 2016 in E60/E61 2004-2010. Recommended Posts. Chris Bram 4 Chris Bram 4 Newbie ... the same image can you let me know what it all means, this is the first bmw diagram i've seen and struggling to work out Share this post. Link to post Share on other sites. Rosie 153 Rosie ... BMWPartsDeal.com offers the wholesale prices for genuine 2004 BMW 530i Sedan(E60) parts.Parts like . Cooling System Coolant Hoses are shipped directly from authorized BMW dealers and backed by the manufacturer's warranty.. Parts fit for the following vehicle options. HOW TO BLEED THE COOLING SYSTEM ON BMW E60 E61 530i 525i 530xi 525xi. It might cover BMW 520i 523i 535i 520d 530d 535d Check Out Our Website: http://mechanic...
Bmw cooling system diagram. The minimum screen resolution is 800 x 600 and only some mobile browsers may render the images properly and most cannot run the Java applet required to. Wiring Diagrams For Bmw Professional Audio System 17 EPUB Wiring Diagrams For Bmw Professional Audio System BMW 4 Series F32 F33 F36 Service Manual-Robert Bentley ...
We recommend a full cooling system overhaul on the E60 535 every 80-90,000 miles and to check for soft/pending codes at every 5,000 mile service . Base Cooling Overhaul Package includes: + Genuine BMW electric water pump, p/n 11517588885 or 11517632426.
Section 1 - Performing a BMW E60 Coolant Flush. In order to properly flush out the coolant system in your 5 series' N52 6 cylinder engine, you must remove as much of the existing coolant as possible. This requires draining the radiator and the engine block (via the thermostat). Please note this is a very messy job.
BMW coolant systems are not the most well renowned for being reliable. They have lots of plastic parts and BMW engines tend to run hot overall. This makes it especially important to maintain your BMWs coolant system properly, and one of the most important things to do is bleeding the air out of the coolant system.
Cooling. Your BMW cooling system is critical to the performance and longevity of your BMW engine. A BMW's cooling system works as a whole by circulating fluid to transfer heat away from your engine's vital internal parts. A cooling failure can leave you stranded, or worse -- complete engine failure. Don't risk your engine!
Keeping your BMW cool is very important, every 60k to 80k miles, you should be checking your cooling system for any leaks or degradation in any of the related parts. If something appears to be sub-par, it is recommended that it be replaced under "Preventive Maintenance" With that being said, here at Bimmerzone, we hav
Model 5 E60 E61 Model 6 E63 E64 Model 7 E65 E66 E68 Model X3 E83 Model X5 E53 Model X5 E70 Model Z4 E85 E86 Model Z8 E52 This high QUALITY official manual for 1994-2007 BMW Wiring Diagram System is 100 percents COMPLETE and INTACT, no MISSING, CORRUPT pages, sections to freak you out! This manual is exactly as described. Format: HTML/PNG/PDF etc.
BMW 5-Series (E60/E61; 2003-2010) fuses and relays Ad vertisements In this article, we consider the fifth generation BMW 5-Series (E60/E61), produced from 2003 to 2010.
The E34 (non-climate control) heater system consists of these parts: a) Solenoid valves and auxiliary water pump at the left-rear of the engine bay. Referenced respectively on EWD-131 at the upper-right, and EWD-133 at the lower-right. See my "Brake Fluid" procedure for a photo. B) Heater cores (little radiators) with temperature sensors ...
BMW - electrical systems - WIRING DIAGRAM Models covered: • 3-Series (E30) 316 (83 to 88), 316i (88 to 91), 318i (83 to 91), 320i (87 to 91), 325i (87 to 91).Also Touring and Convertible versions of these models • 5-Series (E28) 518 (81 to 85), 518i (85 to 88), 525i (81 to 88), 528i (81 to 88), 535i (85 to 88), M535i (85 to 88) • 5-Series (E34) 518i (90 to 91), 520i (88 to 91), 525i (88 ...
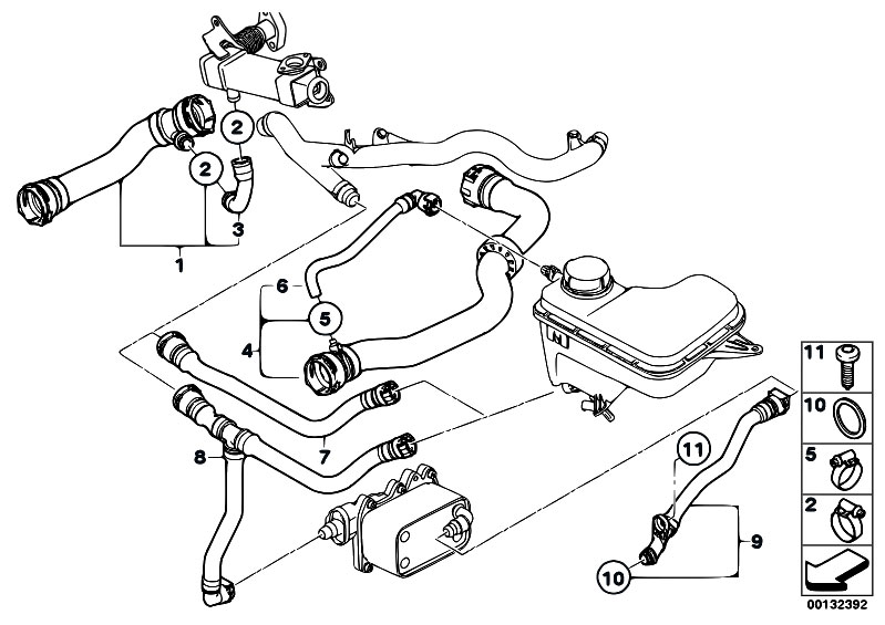
Cooling System Diagrams 2004-2005 530i Sedan (NA73) -. August 13, 2021. 0. BMW Cooling System Diagrams Includes detailed diagrams of the BMW's cooling system including radiator, expansion tank, hoses, and cooling fans. Can't find the correct diagram?
BMW Cooling System Fundamentals. The engine, hoses, radiator, and expansion tank are filled with coolant mixture. On a BMW this is a mix of monoethylene glycol and distilled water. The water pump circulates the coolant and keeps the system pressurized. Starting from the pump, coolant enters the engine block and cylinder head to regulate ...
This video will show you how to fill up the cooling system on BMW 5 series E60/E61, built between 2004-2011.Be careful what antifreeze you use, to have the n...
Free shipping over $69. OEM Bimmerparts has a wide selection of OEM BMW 5 Series 2004-2010 E60/E61 Engine Cooling Parts at the best prices. Shop now.
I took this picture near Castle Rock park right above Silicon Valley. This parking spot is one of the best places for shooting stars observation. When stars are not shooting, itâs also a great place for burning rubber. I drove there after work on the way home to draw several rings and quickly took several shots while it was not too dark. Didnât expect anything good, but this photo ended up successful in terms of angle and light. Somehow it conveys the aggressive nature of the car.
0 Response to "38 bmw e60 cooling system diagram"
Post a Comment