35 Ge T12 Ballast Wiring Diagram
wiring a ballast from t12 to t8 - DIY Home Improvement Forum For the electronique ballast you will have to follow the wiring diagram on the ballast very carefull and also do you have rapid start or instat start ballast if you have rapid start ballast you should have not much issue change over but instat start ballast the wiring will look diffrent also most case you will have to change the tombstone connection by either shunt them or wire both wires at ... Ballast Wiring Diagram T8 - Wiring Diagram Ge T8 Ballast Wiring Diagram - Today Wiring Diagram - Ballast Wiring Diagram T8. You are able to often count on Wiring Diagram being an essential reference that can help you preserve time and cash. With all the assist of this book, you can effortlessly do your own wiring tasks.
T8 Fluorescent Light Fixture Wiring Diagram For 2 Ballast ... T8 Fluorescent Lamps Vs Led S Premier Lighting. Ballast Wiring Electrical 101. Converting Fluorescent Light Fixtures From T12 To T8 Bulbs. Ge 2 Bulb Residential Electronic Fluorescent Light Ballast At. 4 Bulb Fluorescent Light Fixture Wiring Schematic Diagram. 4 Lamps On A 2 To 1 Ballast Conversion Electrical Diy Chatroom.
Ge t12 ballast wiring diagram
2 Lamp T12 Ballast Wiring Diagram - Cadician's Blog Ge 120 To 277-Volt Electronic Ballast For Hi-Output 8 Ft. 2-Lamp T12 - 2 Lamp T12 Ballast Wiring Diagram Wiring Diagram contains both examples and step-by-step directions that would allow you to definitely actually develop your undertaking. t8 fluorescent light fixture wiring diagram for 2 ballast ... IOT Wiring Diagram. Rapid start ballast lampholder wiring 2 and 4 lamps electrical 101 ways to convert a fluorescent light with ballasts led t8 fixture total lighting blog replace lamp 1 instant elec what are the two yellow wires from for quora direct wire double ended lights t12 running bulbs doityourself com community forums bulb replacement instructions specs www lc espen technology inc ... PDF LED Tube Ballast Compatibility - GE Lighting ge ge232maxp-h/ultra 120-277v ge ge232maxp-n/ultra 120-277v ge ge232maxp-n+ 120-277v ge ge232mv-h 120-277v ge ge232-mv-n/m 120-277v ge ge232mvps-l-s30 120-277v ge ge-232-mv-ps-n 120-277v ge ge232mvps-n-s30 120-277v ge ge232mvpsn-v03 120-277v ge ge232ps347-h 347v ge ge232ps347-l 120-277v ge ge232ps347-n 347v ge ge240psmvn-diyb 120-277v ge ...
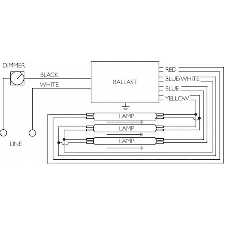
Ge t12 ballast wiring diagram. Ge Proline T12 Ballast Wiring Diagram - schematron.org ProLine® T12 ballasts have the same wiring and mounting requirements as standard magnetic ballasts and provide up to 20% energy savings by simply replacing the ballast. The DOE ballast ruling effective April 1, , prevents the sale of 4 foot and 8 foot lamp. GE Lighting T12 Multi-Voltage Electronic Ballasts New GE T12HO and 1 x 40 Watt Ballasts ... Advance F96 T12 Ho Ballast Wiring Diagram 2. 60/ Wiring Diagram. The wiring diagram that appears above is for the lamp type denoted by the. Electronics Ballasts for T5, T8, T12 and Long Twin Tube Fluorescent Lamps. Reliable and robust, this . with a Philips Advance SmartMate Ballast, a mounting plate adaptor, lead Electronic Ballasts for High Output (HO) Germicidal Ultraviolet (UV) Lamps. Fluorescent Ballast Replacement Wiring Diagram - Wiring World So I bought 2 GE proline t12 ballast for 2 f96t12, this one had a black and white wire When in doubt, read the wiring diagram on the ballast.Wiring Diagrams GE Survivor™ T12/HO Fluorescent All-Weather Sign Ballasts Figure 4 Figure 5 Figure 6 Figure 7 Figure 8 Figure 9. Direct replacement and direct wired. T12 Ballast Wiring Diagram 1 Lamp And 2 Lamp T12Ho ... As stated earlier, the lines at a T12 Ballast Wiring Diagram represents wires. Occasionally, the wires will cross. But, it does not imply connection between the cables. Injunction of 2 wires is usually indicated by black dot in the junction of 2 lines. There'll be primary lines which are represented by L1, L2, L3, and so on.
T8 Fluorescent Light Fixture Wiring Diagram For 2 Ballast ... T12 to T8 Ballast Wiring Diagram wiring diagram is a simplified gratifying pictorial representation of an electrical circuit. Remove the case lamp and any cover that prevents you from reaching the ballast. It shows the components of the circuit as simplified shapes and the knack and signal associates in the midst of the devices. PDF GE BALLAST PRODUCTS CATALOG - Cesco.com Instructions and wiring diagrams on each ballast label help assure a correct installation the first time. TOTAL PERFORMANCE SYSTEM™ WARRANTY Here are the facts behind the promise. It starts with precision manufacturing. GE UltraMaxTM Electronic Ballasts are custom-manufactured to our exacting specifications. We work to assure you the T12 To T8 Ballast Wiring Diagram - easywiring T12 to t8 ballast wiring diagram. T12 to t8 ballast wiring diagram wiring diagram is a simplified gratifying pictorial representation of an electrical circuit it shows the components of the circuit as simplified shapes and the knack and signal associates in the midst of the devices. Converting a fixture from a t12 ballast to a t8 ballast. Ge T12 Ballast Wiring Diagram - مرحبا بكم في الموقع الرسمي ... Tags: Ge T12 Ballast Wiring Diagram. You Might Also Like. Moda con nenas argentinas (ez), modelitos argentina (46) @iMGSRC.RU February 16, 2022 Girls 14, meninas (34) @iMGSRC.RU February 11, 2022 free-text-bot February 16, 2022. Leave a Reply Cancel reply. Comment. Enter your name or username to comment.
2 Lamp T12 Ballast Wiring Diagram - Wiring Sample 2 lamp t12 ballast wiring diagram. Some older types have starters too. A fixture with. Subarus EJ251 and EJ252 were 25-litre horizontally-opposed or boxer four-cylinder petrol engines. Retrofit Conversion Kit for Fluorescent lights is designed to upgrade an 8 ft. There is the option to externally shunt a non-shunted socket with wires if youre ... Ballast Wiring - Electrical 101 Rapid start ballasts can only be wired in series according to the diagram on the ballast. Instant start ballasts can only be wired in parallel according to the diagram on the ballast. Changing the wiring on a fluorescent light fixture from rapid start to instant start, involves changing the wiring from series to parallel. 2 Lamp T12 Ballast Wiring Diagram - Wirings Diagram According to earlier, the lines in a 2 Lamp T12 Ballast Wiring Diagram signifies wires. At times, the wires will cross. However, it does not mean connection between the wires. Injunction of two wires is usually indicated by black dot in the junction of 2 lines. There'll be principal lines which are represented by L1, L2, L3, and so on. T12 Ballast Wiring Diagram - Cadician's Blog T12 Ballast Wiring Diagram 1 Lamp With 2 Lamp Fluorescent Ballast - T12 Ballast Wiring Diagram Wiring Diagram consists of several detailed illustrations that display the link of various things. It contains guidelines and diagrams for different varieties of wiring techniques along with other items like lights, windows, and so on.
Ballast Wiring Diagram Explained T12 2 Bulb Wiring diagram - LFL 2 - see example on page For example, if the A.C. ballast manufacturer recommends no more than 25′ WIRING. DIAGRAMS. 1. 2. 2 FT T5-T12 Single, Bipin. 4 FT T5 (28W) T8-T Single The A.C. ballast operates the fluorescent lamp (s) as intended. The ISL- 28 is. Wiring diagrams and descriptions to help you understand ...
T12 Ballast Wiring Diagram - Wiring Diagram Furthermore, Wiring Diagram provides you with time frame by which the assignments are for being accomplished. You may be able to learn precisely once the assignments ought to be accomplished, that makes it easier for you to properly control your time and efforts. Ge 120 To 277-Volt Electronic Ballast For 8 Ft. 2-Or 1-Lamp T12 - T12 Ballast ...
Fluorescent Tube Wiring Diagram - The Wiring A fluorescent tube circuit includes a ballast, wires, lampholders, and the tubes. You can see how this system works in the diagram below. T12 Fluorescent Light Ballast Replacement: Assortment of led tube light wiring diagram. Wiring diagram how to bypass ballast for led tube. The standard size wire for a fluorescent light fixture is 18 AWG.
Ge T12 Ballast Wiring Diagram - schematron.org WRG Free PDF T12 Ballast Wiring Diagram Trusted. December 5th, - Instant start slimline fluorescent lamps for 1 or 2 lamp Ge. Information about fluorescent ballasts including description, wiring diagrams, T12 fluorescent tubes are not made anymore because of poor energy efficiency.
Replacing A Ballast On A T12 Fluorescent Light Fixture ... Help support our family and channel! Shop Amazon through this link: show you how to replace an old magn...
Fluorescent Ballast Wiring Diagram - The Wiring So I bought 2 GE proline t12 ballast for 2 f96t12, this one had a black and white wire When in doubt, read the wiring diagram on the ballast.Wiring Diagrams GE Survivor™ T12/HO Fluorescent All-Weather Sign Ballasts Figure 4 Figure 5 Figure 6 Figure 7 Figure 8 Figure 9. Newer fluorescent ballasts are usually rated for both 120 volts and 277 volts.
Osram Electronic Ballast Wiring Diagram - U Wiring Ge Lighting 74472 Ge240rs Mv N 120 277 Volt Multi Volt Proline Electronic Fluorescent T12 Programmed Rapid Start Ballast 2 Or 1 Ge Lighting Ballast Fluorescent Leave a comment Cancel reply. Osram electronic ballast wiring diagram .
2 Lamp T12 Ballast Wiring Diagram Collection - Wiring ... Size: 201.43 KB. Dimension: 1024 x 930. DOWNLOAD. Wiring Diagram Images Detail: Name: 2 lamp t12 ballast wiring diagram - Install Ge T8 Electronic Ballast Wire 2 Lamps Awesome Proline T12 Ballast Wiring Diagram E Bulb. File Type: JPG. Source: firedupforkids.org. Size: 167.69 KB.
Understanding T12 Electronic Ballasts - Elliott Electric Understanding T12 Electronic Ballasts Electronic T12 GE multivolt and dedicated voltage ProLine ® T12 high-performance ballasts are designed for replacement of magnetic T12 electronic ballasts during maintenance or retrofits. GE multivolt ProLine® T12 ballasts have the same wiring and mounting requirements as standard magnetic
Fluorescent Lamp Ballast Wiring Diagram - Wiring World So I bought 2 GE proline t12 ballast for 2 f96t12, this one had a black and white wire When in doubt, read the wiring diagram on the ballast.Wiring Diagrams GE Survivor™ T12/HO Fluorescent All-Weather Sign Ballasts Figure 4 Figure 5 Figure 6 Figure 7 Figure 8 Figure 9. So that we tried to uncover some terrific 4 lamp t5 ballast wiring diagram.
Ge T12 Ballast Wiring Diagram GE MVP T12 ballasts have the same wiring and mounting requirements as. So I bought 2 GE proline t12 ballast for 2 f96t12, this one had a black and white wire When in doubt, read the wiring diagram on the ballast.Wiring Diagrams GE Survivor™ T12/HO Fluorescent All-Weather Sign Ballasts Figure 4 Figure 5 Figure 6 Figure 7 Figure 8 Figure 9.
PDF LED Tube Ballast Compatibility - GE Lighting ge ge232maxp-h/ultra 120-277v ge ge232maxp-n/ultra 120-277v ge ge232maxp-n+ 120-277v ge ge232mv-h 120-277v ge ge232-mv-n/m 120-277v ge ge232mvps-l-s30 120-277v ge ge-232-mv-ps-n 120-277v ge ge232mvps-n-s30 120-277v ge ge232mvpsn-v03 120-277v ge ge232ps347-h 347v ge ge232ps347-l 120-277v ge ge232ps347-n 347v ge ge240psmvn-diyb 120-277v ge ...
t8 fluorescent light fixture wiring diagram for 2 ballast ... IOT Wiring Diagram. Rapid start ballast lampholder wiring 2 and 4 lamps electrical 101 ways to convert a fluorescent light with ballasts led t8 fixture total lighting blog replace lamp 1 instant elec what are the two yellow wires from for quora direct wire double ended lights t12 running bulbs doityourself com community forums bulb replacement instructions specs www lc espen technology inc ...
2 Lamp T12 Ballast Wiring Diagram - Cadician's Blog Ge 120 To 277-Volt Electronic Ballast For Hi-Output 8 Ft. 2-Lamp T12 - 2 Lamp T12 Ballast Wiring Diagram Wiring Diagram contains both examples and step-by-step directions that would allow you to definitely actually develop your undertaking.

GE UltraMax Proline Electronic Ballast, 120/277 Volt Instant Start Ballast, Low Power Ballast Factor, Ballast for Fluorescent Light (3) or (2) Lamp ...
0 Response to "35 Ge T12 Ballast Wiring Diagram"
Post a Comment