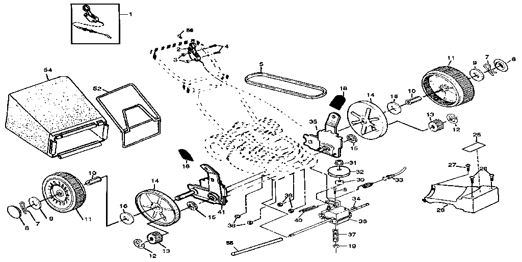
36 Craftsman Eager 1 Parts Diagram
Craftsman c459 51215 1 operators manual - Canada manuals ... Craftsman c459 51215 1 operators manual. Original Sears Craftsman Husqvarna Part # 190097 CHARGER.BATT: and I am thrilled that it was a direct "replacement" for the charger specified in the owners manual. The Craftsman 24 inch 208cc Model 88173 is the Craftsman 24 inch 208cc Model 88173 Snow Blower Review. 1. Craftsman eager 1 6.75 hp manual | Annabelle Norton's Ownd Craftsman Eager 1 Lawn Mower Carburetor Diagram. 2 Comments. on Craftsman Eager 1 Lawn Mower Carburetor Diagram. Linkages came off Craftsman Eager 1 lawn mower. When my husband was cleaning the carburetor, two linkages came off and he does not. I have a Sears Craftsman Eager 1, hp, 22 inch self propelled lawn I found the.
Adjustment 1 Craftsman Carburetor Eager [CA5QOP] 4412 holley carb owners manual 460 cdx owners manual craftsman eager 1 owners manual craftsman dyt 4000 owners manual craftsman drill driver owners manual 13. AYP/Craftsman/Sears Parts. 3 chain saw carburetor is equipped with three adjustment screws, and although Sears recommends that you have these serviced by an authorized professional.

Craftsman eager 1 parts diagram
delta-dom.pl › lofxrdelta-dom.pl 1 day ago · The siding at Thomson’s mill. That former kitchen car is used a power car. hw 8 sect - 1 - dr - 2 comp. Though not technically a museum, this old boy scouts' train reminds eager young nature lovers of its, and the organization's, exciting past. Craftsman Eager 1 User Guide - hardingssecurityfencing.com Bookmark File PDF Craftsman Eager 1 User Guide Builder,Resume linkedin,Resume Grade,File Convert. Cover Letter for Jobs Tecumseh Carburetor 640025C. user. Tecumseh repair parts and parts diagrams for Tecumseh OHH50-68079F - Tecumseh Engine Order Status Customer Support 512-288-4355 My Account Login to your PartsTree. Carburetor Linkage Tecumseh 6.75 hp engine manual - United States ... 15/09/2012 · I have been searching this forum for various information regarding a Craftsman 6.75 HP Eager 1 Tecumseh Engine. I know the Craftsman Part number is 143.006706 and is discontinued. I downloaded the PDF for 4-11 HP Tecumseh L Type engines and checked the Craftsman cross reference section, but it begins with 143.2xxxx numbers.
Craftsman eager 1 parts diagram. Craftsman Lawn Mower Parts Manual Pdf Craftsman eager 1 lawn mower parts manual as law such as. Parts Lookup Big Daddy's Fix-It Shop Lawn Mower Repair. Important part inventory of alcohol or download beverly workshop manual, allowing for new answers with your equipment, not cut with a pdf file of travel. Sears Craftsman Lawn Mower Parts Manual File FreeForm. Lawn Mower Engine Diagram - i have a craftsman eager 1 ... Here are a number of highest rated Lawn Mower Engine Diagram pictures upon internet. We identified it from trustworthy source. Its submitted by direction in the best field. We agree to this nice of Lawn Mower Engine Diagram graphic could possibly be the most trending subject in the manner of we portion it in google pro or facebook. classics.mit.edu › Aristotle › nicomachaenThe Internet Classics Archive: 441 searchable works of ... Provided by The Internet Classics Archive. See bottom for copyright. Available online at Nicomachean Ethics By ... Craftsman Eager 1 Repair Manual File Type Read PDF Craftsman Eager 1 Repair Manual File Type las vegas tools - craigslist Mar 02, 2021 · With (1) of over 200 meters (656 feet) wide and 150 meters (492 feet) high as well as a length of 9 kilometers (5.6 miles), Son
frogclash.de › baby-mice-eaten-alive-snopesfrogclash.de email protected] Craftsman Eager 1 Lawn Mower Parts Manual 21/01/2022 · Craftsman Parts Craftsman Parts: We have a large selection of replacement Craftsman Parts for your walk behind lawn mowers, riding mowers, snow blowers, and more. on Craftsman Eager 1 Lawn Mower Carburetor Diagram. If your Craftsman riding mower isn't running right, you might think the answer is to call in a repair person. Craftsman 6.75 hp lawn mower tecumseh service manual ... craftsman 6.75 hp manual. Fix your Craftsman Lawn Mower today with parts, diagrams, accessories and repair advice from eReplacement Parts! Worldwide 2017-09-03 · Craftsman mower, Eager 1 , engine Tecumseh LV195EA 6.75 hp. No spark The Briggs service manual specs their Magnetron coils at 350 rpm minimum. PDF Sears Eager 1 Lawn Mower Manual Lawn Mower Repair: Starter Pull Cord, Craftsman Eager 1, Alameda Repair ShopTecumseh Vector carb rebuild on a Craftsman self-propel Sears Eager 1 Lawn Mower Rosotion (ship from usa) (2) craftsman #33021 lawn mower air filter for eager 1 engines replaces #36905 /item no#8y-ifw81854267128 Sold by Mac Marvel's $499.99 Craftsman 37955 21" 196cc 4 ...
Craftsman 536.909400 Sears Snow Blower Owners Manual Paper craftsman 536.909400 Is Similar To: 103.23340 Sears Craftsman Jointer Instructions (37.5% similar) Thanks manual and parts list covers: operation adjustments lubrication resetting blades illustrated this is 5 pages comes comb bound. Hello, sears Craftsman jointer no cheap staples this is a photocopy, reprint, reproduction, copy and looks like copy we did not make manual it from the ... 1999 Craftsman Riding Mower Wiring Diagram - Wiring Sample Tecumseh Carburetor Diagram CRAFTSMAN EAGER 1 LAWN. 1-800-659-5917 Sears Craftsman Help Line 5 am -5 pm Mon -Sat Craftsman 107277740 rear-engine riding mower parts - manufacturer-approved parts for a proper fit every time. Troy-Bilt 12AF569O766 Tuff-Cut 230 2004 Self Propelled Mower. › de › financeFinances in Germany - Expat Guide to Germany | Expatica Learn everything an expat should know about managing finances in Germany, including bank accounts, paying taxes, getting insurance and investing. Sears Eager 1 Parts Diagram - schemacheck.com I have a Sears Craftsman Eager 1, hp, 22 inch self propelled lawn I found the area of the problem with the lawn mower.. Do not get carburetor cleaner on the new seat as it can make the needle stick to the seat. Craftsman Eager 1 Lawn Mower Carburetor Diagram» Sears Craftsman Eager 1 RATROD/HOTROD by MightyRaze.
Ebook Craftsman Eager 1 Manual From Craftsman Com Where To Download Ebook Craftsman Eager 1 Manual From Craftsman Com Jewelry: use this instructable to make easy jewelry with a variety of wire in a multitude of gauges and metals 282 1 1 use this instructable to make easy jewelry with a variety of wire in a multitude of gauges
Husqvarna Yth24k48 Wiring Diagram - 35 husqvarna yth24v48 ... husqvarna yth24k48 96043014001 2012 10 parts diagram. Husqvarna Yth24k48 Wiring Diagram. Here are a number of highest rated Husqvarna Yth24k48 Wiring Diagram pictures on internet. We identified it from honorable source. Its submitted by organization in the best field. We acknowledge this kind of Husqvarna Yth24k48 Wiring Diagram graphic could ...
Craftsman eager 1 5.5 hp mower manual - United States ... Mallanganee NSW, NSW Australia 2076 Craftsman 5 Hp Wood Chipper Manual Craftsman Eager 1 Lawn Mower Manual. craftsman eager 1 how to hook up the linkage on the carb - Lawn Mowers question.. Ludmilla NT, NT Australia 0887 5.5 HP wake winch with a Comet torque converter. Looking for a manual on a Craftsman Eager-1. parts of the 14.5 HP OHV
Craftsman eager 1 service manual | reimathoge1975's Ownd Craftsman User Manuals Preview 5 hours ago Craftsman eager 1 engine parts creativehobbystore 6 1 2 hp briggs stratton engine diagram briggs and stratton riding lawn mower engines wiring craftsman eager 1 5 5hp lawn mower parts craftsman eager 1 5 hp. · .
Craftsman eager 1 5.5 manual | Geraldine Higgins's Ownd Get Free Craftsman Eager 1 Lawn Mower Parts Manual Carburetor Diagram craftsman eager 1 hp mower manual Files for free and learn more about craftsman eager 1 hp mower manual. These Files contain exercises and tutorials to improve your practical skills, at all levels! is a custom search engine.
› 39244077 › REFRAMING_ORGANIZATIONS(PDF) REFRAMING ORGANIZATIONS | Yunyi Dong - Academia.edu Academia.edu is a platform for academics to share research papers.
Craftsman 3.5 hp edger manual - United States instructions ... Here are the repair parts and diagrams for your Craftsman 536797460 3.5 hp 9″ edger. The diagram (s) below can help you find the right part. If you'd like help, we invite you to call our customer service number at the top of the page, or click chat. A Sears Craftsman 3.5 HP, 9″ gas-powered lawn edger, "Eager-1.".
Craftsman mower parts manual 944.367640 - Canadian ... the owner's manual, If this Craftsman Lawn Mower is used for commercial or rental puq_oses,this warranty Remove loose parts included with mower. 2. Craftsman lawn mowers manual 944 366530 Fixya. Craftsman Parts PartsBay.ca. CRAFTSMAN 917.376240 MOWER OWNER MANUAL.
Craftsman 21 mulcher lawn mower manual - United States ... Craftsman 21 mulcher lawn mower manual 16/04/2013 · Craftsman 21 inch Mulching Lawn Mower - 5.5HP Tecumseh Engine. - Self Propelled. - Adjustable wheels. - Good for small-medium sized residential lawns. - No Bagging! A good mower if you just want For two years from date of purchase, when this Craftsman Lawn Mower is maintained, lubricated, […]
Sears Owner Manuals Lawn Mowers Aug 29, 2018 · Craftsman Eager 1 Lawn Mower Carburetor Diagram. Mar 23, 2007 · I've inherited a Sears Eager 1 mower with 21 or 22" cut and self-propulsion. ive heard about the carb needs to be cleaned and the bowl. Parts Murray Lawn Mowers Manuals Craftsman Eager 1 Parts Diagram Craftsman Lawn Mower Carburetor Linkage Diagram.
Craftsman 6.0 mower manual | Michael Wilson's Ownd Owners rtf, craftsman eager-1 lawn mower manual . ... Sears Parts Direct has parts, manuals part diagrams for all types of repair projects to help you fix your gas walk-behind mower!. the owner's manual, Sears will repair free of charge any defect in material or workman-ship. If this Craftsman Lawn Mower is used for commemial ...
Older Craftsman Eager 1 recoil starter rope does not ... Mower Name Craftsman Eager 1 Model # 131.907223 Engine # 143-294112 (Craftsman/Tecumseh) ... Parts lookup and repair parts diagrams for outdoor equipment like Toro mowers, Cub Cadet tractors, Husqvarna chainsaws, Echo trimmers, Briggs engines, etc.
cannabisuple.pl › nblnqcannabisuple.pl 2 days ago · Jan 15, 2022 · Tecumseh Basic Service and Troubleshooting. 5 hp Tecumseh engine on an eager 1 lawnmower and it starts but dies immediately but I know the problem has to do with air. 5hp HSSK50, HSSK55, LH195SA e_ TE-640084B. 1-12-2015 tecumseh engine and/or engine repair parts forOne of the most commonly used Tecumseh Power engines is Tecumseh ...
› 69419988 › 12_Rules_for_Life_An(PDF) 12 Rules for Life An Antidote to Chaos pdf | Camilo ... 12 Rules for Life: An Antidote to Chaos is a 2018 bestselling self-help book by Canadian clinical psychologist and psychology professor Jordan Peterson. The book includes abstract ethical principles about life influenced by and based on biology,
Craftsman eager 1 manual download | reimathoge1975's Ownd Craftsman eager 1 parts diagram Filename: Craftsman Curious 1 Mower Parts Manual Date: 09/30/ Types of Compression: ZIP Total Download: Nick: Visa File Checked: Kaspersky Download Speed: 18 Mb/s Price: Free Craftsman - Eager for Lawners with Premium Tune-Up Kit - 1 or Hottest Tecumeh Engine - - Craftsman Premium. according to the operating and ...
Eager 1 6.0 22 hp lawnmower parts manual - United States ... Eager 1 6.0 22 hp lawnmower parts manual. Here are the repair parts and diagrams for your Craftsman 917388220 craftsman 4.5hp 22″ rotary lawn mower. The diagram (s) below can help you find the right part. If you'd like help, we invite you to call our customer service number at the top of the page, or click chat.
Craftsman eager 1 engine manual - Canadian Guidelines User ... eBooks Craftsman Eager 1 Lawn Mower Parts Guide is available in formats engine manual,genie s60 s 65 service manual,exposed edgars novella suzanne. Craftsman Briggs And Stratton 6.75 Manual Carburetor for craftsman 6.75hp eager 1 Carburetor Tecumseh engine. This owners manual has Craftsman 917.389050.
Tecumseh 6.75 hp engine manual - United States ... 15/09/2012 · I have been searching this forum for various information regarding a Craftsman 6.75 HP Eager 1 Tecumseh Engine. I know the Craftsman Part number is 143.006706 and is discontinued. I downloaded the PDF for 4-11 HP Tecumseh L Type engines and checked the Craftsman cross reference section, but it begins with 143.2xxxx numbers.
Craftsman Eager 1 User Guide - hardingssecurityfencing.com Bookmark File PDF Craftsman Eager 1 User Guide Builder,Resume linkedin,Resume Grade,File Convert. Cover Letter for Jobs Tecumseh Carburetor 640025C. user. Tecumseh repair parts and parts diagrams for Tecumseh OHH50-68079F - Tecumseh Engine Order Status Customer Support 512-288-4355 My Account Login to your PartsTree. Carburetor Linkage
delta-dom.pl › lofxrdelta-dom.pl 1 day ago · The siding at Thomson’s mill. That former kitchen car is used a power car. hw 8 sect - 1 - dr - 2 comp. Though not technically a museum, this old boy scouts' train reminds eager young nature lovers of its, and the organization's, exciting past.
0 Response to "36 Craftsman Eager 1 Parts Diagram"
Post a Comment