Iklan 300x250

38 kinze planter parts diagram

Parts & Service - Kinze When you need parts replacement or servicing, we have an unparalleled network of dealers for ready to help. Use our dealer locator to find the dealer nearest to you. Product Model Year Inquiry. Want to know what model year your Kinze planter, grain cart or Mach Till is? Enter the serial number in our Serial Number Lookup Tool to find out. OPERATOR & PARTS MANUAL - New Holland Rochester Paint all parts scratched in shipment or assembly.! Be sure all safety lockups are on the planter and correctly located.! Check seed meters on test stand to ensure proper performance. This planter has been thoroughly checked and to the best of my knowledge is ready for delivery to the customer. (Signature Of Set-Up Person/Dealer Name/Date) Rev ...

product manuals - Kinze Operator and parts manuals are listed below for current products. You can find manuals to legacy products by clicking the “Model Year/Manual Lookup” button below to enter the serial number and find the Operator/Parts manual (s) for your product. If you require a hard copy, please contact your Kinze dealer to purchase one.

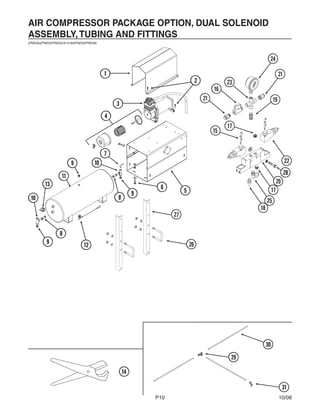
Kinze planter parts diagram

Kinze planter parts diagram

Kinze Planter Parts | Kinze Parts, Kinze Seeding Parts ... Kinze Planter 1x12 Closing Wheel Assy GA6439 854262 70072767. Read More. Kinze GA3086 Closing Wheel Plastic Rim Half GB01114. Read More. Kinze Closing Wheel Assembly GA3086 900125 7140A. Read More. Kinze Planter 4.5in X 15.5in Offset Gauge Wheel Tire A84050 GD1086 A22884. Read More. Kinze Steel Gauge Wheel Half GD11423 GD31466 GD1048. MODEL 2000 PULL TYPE PLANTER - New Holland Rochester KINZE Manufacturing, Inc. would like to thank you for your patronage. We appreciate your confidence in KINZE ® farm machinery. Your KINZE ® planter has been carefully designed and sturdily built to provide dependable operation in return for your investment. This manual has been prepared to aid you in the operation and maintenance of the planter. Kinze Parts Lookup - New Holland Rochester Kinze Parts Lookup. Kinze parts lookup for Kinze planters and grain carts. Use the table below to view Kinze Parts and Operator Manuals for Kinze planters and grain carts. Please take note in the serial number / production year breaks, as well as the different setup types that exist for the same model (i.e. EdgeVac vs. Mechanical).

Kinze planter parts diagram. Kinze Parts Lookup - New Holland Rochester Kinze Parts Lookup. Kinze parts lookup for Kinze planters and grain carts. Use the table below to view Kinze Parts and Operator Manuals for Kinze planters and grain carts. Please take note in the serial number / production year breaks, as well as the different setup types that exist for the same model (i.e. EdgeVac vs. Mechanical). MODEL 2000 PULL TYPE PLANTER - New Holland Rochester KINZE Manufacturing, Inc. would like to thank you for your patronage. We appreciate your confidence in KINZE ® farm machinery. Your KINZE ® planter has been carefully designed and sturdily built to provide dependable operation in return for your investment. This manual has been prepared to aid you in the operation and maintenance of the planter. Kinze Planter Parts | Kinze Parts, Kinze Seeding Parts ... Kinze Planter 1x12 Closing Wheel Assy GA6439 854262 70072767. Read More. Kinze GA3086 Closing Wheel Plastic Rim Half GB01114. Read More. Kinze Closing Wheel Assembly GA3086 900125 7140A. Read More. Kinze Planter 4.5in X 15.5in Offset Gauge Wheel Tire A84050 GD1086 A22884. Read More. Kinze Steel Gauge Wheel Half GD11423 GD31466 GD1048.

3665 Planter - Kinze

3665 Planter - Kinze

Kinze : Instruction Manual

Kinze : Instruction Manual

3205 Planter - Kinze

3205 Planter - Kinze

Planters - Kinze

Planters - Kinze

Kinze 3600 parts catalog

Kinze 3600 parts catalog

Electrical wiring diagram for light package, Electrical ...

Electrical wiring diagram for light package, Electrical ...

Kinze 3600 Planter - Ag Solutions Group, LLC | The Midwest's ...

Kinze 3600 Planter - Ag Solutions Group, LLC | The Midwest's ...

Kinze 3200 parts catalog

Kinze 3200 parts catalog

3505 Planter - Kinze

3505 Planter - Kinze

Split Row - Kinze

Split Row - Kinze

46 Biopatdido ideas | manual, pdf download, owners manuals

46 Biopatdido ideas | manual, pdf download, owners manuals

Kinze Planter Parts for sale | Only 4 left at -65%

Kinze Planter Parts for sale | Only 4 left at -65%

Kinze 3600 parts catalog

Kinze 3600 parts catalog

OPERATOR & PARTS MANUAL

OPERATOR & PARTS MANUAL

KINZE 3500 OPERATOR'S MANUAL Pdf Download | ManualsLib

KINZE 3500 OPERATOR'S MANUAL Pdf Download | ManualsLib

Planter Parts

Planter Parts

Kinze 3140 3-Point Mounted Planter Operators - Parts Manual ...

Kinze 3140 3-Point Mounted Planter Operators - Parts Manual ...

4705 Planter - Kinze

4705 Planter - Kinze

The Advantages of Kinze Split Row Planters - Kinze

The Advantages of Kinze Split Row Planters - Kinze

Kinze 3600 parts catalog

Kinze 3600 parts catalog

KINZE 30 36 38 40

KINZE 30 36 38 40" 3-Point Mounted Planter Operator & Parts ...

Kinze 3700 Front Folding Planter Rev. 7/14 User Manual | 172 ...

Kinze 3700 Front Folding Planter Rev. 7/14 User Manual | 172 ...

Kinze Planter Parts | Aftermarket Attachments for No-till

Kinze Planter Parts | Aftermarket Attachments for No-till

Kinze 3500 Lift and Rotate Planter Rev. 7/14 User Manual ...

Kinze 3500 Lift and Rotate Planter Rev. 7/14 User Manual ...

Kinze GA15287 Planter Seed Tube Computerized Sensor

Kinze GA15287 Planter Seed Tube Computerized Sensor

4805 Planter - Kinze

4805 Planter - Kinze

Kinze 3600 parts catalog

Kinze 3600 parts catalog

OPERATOR'S MANUAL

OPERATOR'S MANUAL

Kinze 3600 parts catalog

Kinze 3600 parts catalog

3005 Planter - Kinze

3005 Planter - Kinze

Kinze Planter Parts BigIron Auctions

Kinze Planter Parts BigIron Auctions

3665 Planter - Kinze

3665 Planter - Kinze

Kinze 3600 parts catalog

Kinze 3600 parts catalog

Kinze 3600 parts catalog

Kinze 3600 parts catalog

Kinze 3100 3-Point Mounted Planter Operators - Parts Manual ...

Kinze 3100 3-Point Mounted Planter Operators - Parts Manual ...

Kinze 3600 parts catalog

Kinze 3600 parts catalog

Kinze 3600 parts catalog

Kinze 3600 parts catalog

Kinze 3110 parts catalog

Kinze 3110 parts catalog

0 Response to "38 kinze planter parts diagram"

Post a Comment

Iklan Atas Artikel

Iklan Tengah Artikel 1

Iklan Tengah Artikel 2

Iklan Bawah Artikel