Iklan 300x250

39 club car clutch diagram

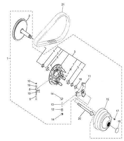
club car catalog - Vintage Golf Cart Parts | Manualzz Club car clutch & transmission. Drive Clutch Puller Bolt for Club. Car DS and Precedent models with after market Salsbury Drive. Car Repair and Service Manuals Free Online PDF Large database of digital car maintenance manuals, service and repair manuals, owner's manuals and color wiring diagrams. Free Pdf preview and download. Car Service Repair Manuals and Wiring Diagram. PDF Free Online.

Club Car DS Driven Clutches - YouTube I didn't see much out there on YouTube right now (August 2020) for Club Car driven clutches, so this is just some miscellaneous information about them.

Club car clutch diagram

Club car clutch diagram

Gas Club Car Wiring Diagram Free - Wiring Diagram Source Wiring diagram for club car ds gas comvt with regard to 93 club car wiring diagram image size 800 x 637 px and to Car club diagram. You can also find other images like wiring diagram parts diagram replacement parts electrical diagram repair Club Car Clutch Diagram Wiring Schematic Diagram. 4003 - Driven Clutch - Club Car - Gboost Technology OEM part #101834003 Club Car. GBoost Technology offers Driven Clutches to replace your worn/damaged clutch. Order a "severe duty" belt to go along with your new clutch. Club Car Driven Clutch Assembly Diagram To put the new spring in, take the drive belt off (start on the driven clutch and roll the belt off the edge). Then, remove the bolt holding the driven... club car clutch diagram. Status. Not open for further replies.

Club car clutch diagram. SOLVED: Pt cruiser clutch diagram - Fixya pt cruiser clutch diagram 5 speed manual. 2002 . Hard to get in and out of gear when engine running. Car moves - Chrysler 2002 PT Cruiser question. Car moves forward when clutch to the floor in 1st,after the e brake disengaged. Is it a clutch or transmission issue. Just recently fixed the shifter... What Is a Clutch in a Car? | How a Car Clutch Works | CJ Pony Parts Clutches are an essential component of any transmission. But what is a clutch, and do automatic cars have them? Learn more about clutches and how they Clutches in cars are mechanical devices located between the engine and transmission. They transfer the rotational power of an engine to the... How a car clutch works | How a Car Works With a diagram of the parts of a clutch. How the clutch works. It transmits engine power to the gear box, and allows transmission to be interrupted while a gear is selected to move off from a stationary position, or when gears are changed while the car is moving. Car Clutch assembly Diagram - My Wiring DIagram Category: Clutch system diagram Show details. How Does a Car Clutch Work » Learn Driving Tips. 6 hours ago When we lift the clutch pedal up, it forms 9 hours ago Single plate clutch diagram Driving members: It is consists of a flywheel mounted on the engine crankshaft. The flywheel is bolted to a...

Club Car Clutch Parts & Drive Belts - Shop at DIY Golf Cart Looking for top-quality Club Car clutch parts and drive belts? DIY Golf Cart has you covered with the best replacement clutches and parts. Shop our huge stock! Wiring diagrams for cars - Technical support for auto electrician repair Car Wiring Diagrams. PORTAL-DIAGNOSTOV. Wiring diagrams, location of elements, decoding fuses. Club Car DS Wiring Diagrams 1981 To 2002 - Golf Cart Tips Club Car Golf carts have evolved many times since 1975, and although the basic electrical design has stayed close to the same, there are small… Club Car DS 1981-85 Electric 5 Solenoid Type Wiring Diagram. carparts.com Cars Luxury Cars Sport Cars Amazing Cars Vehicles of all types Aero planes...

Find great deals on eBay for club car clutch. Shop with confidence. Related:club car drive clutch club car clutch puller. 129 results for club car clutch. Save this search. Shipping to: Finland. Club car engines & engine parts for golf carts For Club Car gas 1984-91, 341cc item 4735; Crankshaft bearing, clutch side Club Car gas 1992-up DS & Precedent, FE290 also 1984-91. 341cc item 3867; CAMSHAFT FOR CLUB CAR 1984-1991 GAS item 30022; Short block rebuild kit. Includes valves, gaskets, bearings, connecting rod and crankshaft. Automobile Clutch - Clutch Types, Principle, Types Of Clutches Introduction To Clutch : A Clutch is an important element in power transmission. In this article, we will see brief information about what is transmission, function, and requirement of clutches, types of clutches, application, and their diagrams. 1980-1985 Club Car DS Electric Wiring Diagram | Club car golf cart... Carry All Club Car Ke Parts Diagram, Carry, Free Engine Image For User Manual Download. Ladislao Reyes. planos electricos. Drift Trike. Pit Bike. GO KART TORQUE CONVERTER KIT CLUTCH 3/4" COMET TAV2 30-75 218353A 12T #35 10T 41 | eBay.

Golf Cart Clutch Club Car Precedent DS 1997 and Up

Golf Cart Clutch Club Car Precedent DS 1997 and Up

Clutch anatomy | Car Construction Car clutch anatomy: a - single-disk; b - two-disk; 1 - engine crankshaft; 2 - flywheel; 3 - a driven disk with friction pads; 4 - pressure plate; 5 - clutch housing; 6 - clutch cover; 7 - a pulling finger; 8 - support of the pulling lever; 9 - pull lever, 10 - clutch; 11 - the drive shaft of the gearbox; 12 - pedal...

gas cart drive or driven squeak

gas cart drive or driven squeak

Single Plate Clutch - Types, Working, Parts & Diagram ( Single plate clutch Diagram and Working ) and Single plate clutch Parts and their importance all are explained in detail. Single plate clutches are used in cars, buses and trucks because of the larger size of the engines of these vehicles. Hence, enough space is available to fit a single plate clutch to...

2007 Club Car Ds Gasoline And Electric Golf Cart Maintenance ...

2007 Club Car Ds Gasoline And Electric Golf Cart Maintenance ...

Brochures | Information Sheets | Videos | Club Car Learn more about Club Car products with industry articles, product videos, downloadable brochures, and training. Club Car and ezLocator debut all-new integration providing superintendents real-time pin placement control while delivering to golfers the most precise yardages on the market.

Install Clutch Spring Club Car - specialskiey

Install Clutch Spring Club Car - specialskiey

Starter Clutch Diagram? - Harley Davidson Forums Anyone out there got a diagram of the starter clutch (exploded view) for an older evo 1340? Solenoid and starter are seperate. Have a feeling some thing is missing here. New Clutch should not have chewed up a new ring gear.

CL11-530 - Primary Clutch Bushing Kit - Vintage Golf Cart ...

CL11-530 - Primary Clutch Bushing Kit - Vintage Golf Cart ...

Clutch pedal diagram? - ClubLexus - Lexus Forum Discussion wait before you go shopping. Did your mechanic adjust the clutch pedal at all for pedal play? If not then it might just need Here is a diagram outlining adjustment procedures. I checked on my car, it looks a little tight but you should be able to...

Amazon.com : CLUB CAR GOLF CART PARTS DRIVEN CLUTCH 1988-1996 ...

Amazon.com : CLUB CAR GOLF CART PARTS DRIVEN CLUTCH 1988-1996 ...

Club Car Driven Clutch Assembly Diagram To put the new spring in, take the drive belt off (start on the driven clutch and roll the belt off the edge). Then, remove the bolt holding the driven... club car clutch diagram. Status. Not open for further replies.

Buy Club Car Driven Clutch For 1997 And Up Golf Cart Models ...

Buy Club Car Driven Clutch For 1997 And Up Golf Cart Models ...

4003 - Driven Clutch - Club Car - Gboost Technology OEM part #101834003 Club Car. GBoost Technology offers Driven Clutches to replace your worn/damaged clutch. Order a "severe duty" belt to go along with your new clutch.

CP-0105 Secondary Clutch Kit Installation Instructions

CP-0105 Secondary Clutch Kit Installation Instructions

Gas Club Car Wiring Diagram Free - Wiring Diagram Source Wiring diagram for club car ds gas comvt with regard to 93 club car wiring diagram image size 800 x 637 px and to Car club diagram. You can also find other images like wiring diagram parts diagram replacement parts electrical diagram repair Club Car Clutch Diagram Wiring Schematic Diagram.

2005-2008 G27A: U-Max Light Duty Gas - Primary Sheave - Gas ...

2005-2008 G27A: U-Max Light Duty Gas - Primary Sheave - Gas ...

Golf Cart Primary Clutch Drive OEM Club Car Fe350 101833904 ...

Golf Cart Primary Clutch Drive OEM Club Car Fe350 101833904 ...

Golf Cart Clutches: Basics of Operation | Golf-Cart-Blog

Golf Cart Clutches: Basics of Operation | Golf-Cart-Blog

Club Car, Assembly, moveable face

Club Car, Assembly, moveable face

CL44-220 - Driven Clutch Assembly - Vintage Golf Cart Parts Inc.

CL44-220 - Driven Clutch Assembly - Vintage Golf Cart Parts Inc.

CBF 150 Clutch Motorcycle Dirt Bike Clutch Assembly 150cc ...

CBF 150 Clutch Motorcycle Dirt Bike Clutch Assembly 150cc ...

We have an older model club car that has a very loud engine ...

We have an older model club car that has a very loud engine ...

Amazon.com: Stens Drive Clutch Assembly, Club Car 101833904 ...

Amazon.com: Stens Drive Clutch Assembly, Club Car 101833904 ...

2005-2008 G23A U-Max Medium Duty I Gas - Gas - YAMAHA PARTS ...

2005-2008 G23A U-Max Medium Duty I Gas - Gas - YAMAHA PARTS ...

Club Car Serial Number Guide | GolfCarCatalog.com

Club Car Serial Number Guide | GolfCarCatalog.com

Club Car Gas Driven Clutch (Fits 1988-1996)

Club Car Gas Driven Clutch (Fits 1988-1996)

Club Car, Key

Club Car, Key

Dreadful Golf Cart Clutch ? | The Golf Cart Center

Dreadful Golf Cart Clutch ? | The Golf Cart Center

Club Car Drive Clutch Diagram | Cartaholics Golf Cart Forum

Club Car Drive Clutch Diagram | Cartaholics Golf Cart Forum

41 Golf cart repair ideas in 2022 | golf cart repair, golf ...

41 Golf cart repair ideas in 2022 | golf cart repair, golf ...

The ROP Shop Gas Front Drive Clutch Assembly for Club Car ...

The ROP Shop Gas Front Drive Clutch Assembly for Club Car ...

Drive Clutch - Part 1 - GolfCartPartsDirect

Drive Clutch - Part 1 - GolfCartPartsDirect

2005-2006 Carryall 294 Homologated Vehicles Illustrated Parts ...

2005-2006 Carryall 294 Homologated Vehicles Illustrated Parts ...

Club Car DS & Precedent Drive Clutch Kit by Golf Cart King

Club Car DS & Precedent Drive Clutch Kit by Golf Cart King

Club Car Driven Clutch Assembly Diagram | Cartaholics Golf ...

Club Car Driven Clutch Assembly Diagram | Cartaholics Golf ...

Drive Clutch - GolfCartPartsDirect

Drive Clutch - GolfCartPartsDirect

FRONT FLASHER LIGHT ASSY 1 for G2-AB 1987 - order at CMSNL

FRONT FLASHER LIGHT ASSY 1 for G2-AB 1987 - order at CMSNL

GBoost E Z GO ClutchKit CKSDEZ19

GBoost E Z GO ClutchKit CKSDEZ19

Driven Clutch - Part 2 - GolfCartPartsDirect

Driven Clutch - Part 2 - GolfCartPartsDirect

Best Turf WestNL Club Car Drive Clutch for Gas 1997-up DS & Precedent

Best Turf WestNL Club Car Drive Clutch for Gas 1997-up DS & Precedent

eSaabParts.com - Saab 9-4X (168) > Electrical Parts ...

eSaabParts.com - Saab 9-4X (168) > Electrical Parts ...

Bestauto Drive Clutch for Club Car Gas Golf Cart U5000 RPM 5700 Nivel Metal  CP0020 5700,Fits 1998 and up Club car FE290 FE350 engines, DS Precedent ...

Bestauto Drive Clutch for Club Car Gas Golf Cart U5000 RPM 5700 Nivel Metal CP0020 5700,Fits 1998 and up Club car FE290 FE350 engines, DS Precedent ...

2007 Club Car DS Golf Car Gas And Electric Golf Cart Service ...

2007 Club Car DS Golf Car Gas And Electric Golf Cart Service ...

DRIVEN CLUTCH – TURF/CARRYALL 1,2,2XRT,252,AND TURF/CARRYALL ...

DRIVEN CLUTCH – TURF/CARRYALL 1,2,2XRT,252,AND TURF/CARRYALL ...

SPRING- DRIVE CLUTCH

SPRING- DRIVE CLUTCH

Driven Clutch for Club Car DS 1988-1996

Driven Clutch for Club Car DS 1988-1996

0 Response to "39 club car clutch diagram"

Post a Comment

Iklan Atas Artikel

Iklan Tengah Artikel 1

Iklan Tengah Artikel 2

Iklan Bawah Artikel