Iklan 300x250

39 huskee 46 inch deck belt diagram

Huskee 46 Inch Deck Belt Diagram - Wiring Site Resource 46 deck belt cover rh. The above belt diagram for an mtd riding mower is only for a 46 deck belt if you have a different belt you may want... Riding Mower 46-inch Deck Belt - 954-04219 | Cub Cadet US Read reviews and buy Riding Mower 46-inch Deck Belt954-04219. Free shipping on parts orders over $45. For Troy-Bilt, Cub Cadet, MTD, Craftsman, MTD Gold, Bolens, White Outdoor, Yard Machines, Remington, Yard-Man and Huskee. Fits Huskee LT 4600.

Diagram od drive belt on 46 inch cut huskee mower Need diagram of drive belt on HUSKEE46 inch cut mower and belt size,bought mower no belt on IT. does anybody know what kind of drive belt a huskee 24 horse 42 deck takes?

Huskee 46 inch deck belt diagram

Huskee 46 inch deck belt diagram

Mtd Yard Machine 42 Inch Deck Belt Diagram • Decks Ideas Mtd Inch Deck Belt Diagram Fine Photos Hidden And Larger Springs For intended for measurements 1217 X 800. In the beginning, the wood has to be quickly treated with a preservative. There's additionally it decking around the market that has reliefs or grooves mortised to the underside of teh... Murray 38 Inch Deck Belt Diagram - Atkinsjewelry Deck drive belt for murray 40 cut decks lt tractors built 1989 newer side discharge 12 x 86 38 murray 037x62ma 37x62. It features a high performance 1150 Murray Lawn Mower Belt Diagram 46 Inch Luxury Murray 38 40 42. Murray Lawn Mower Deck Parts Answerbailbonds Info. Murray 38l12g50x8a... Mtd 46 Inch Deck Belt Diagram - Free Wiring Diagram Deck belt diagram for 46 mtd yard machine. Look at the diagrams for the 46 inch deck here and i think all your questions will be answered. Huskee 46 Deck Belt Diagram Wiring Diagram Third Level.

Huskee 46 inch deck belt diagram. MTD and Huskee Mower PTO/Deck Belt Replacement - YouTube MTD and Huskee Mower PTO/Deck Belt Replacement. 46 inch murray deck | eBay Deck Belt for Murray 46 Inch Deck Lawn Tractor 037X70MA 37X70 37X70MA. Quality OEM Specification Replacement Parts. Blade Drive Deck Belt for Murray Riding Mowers 46" Deck Secondary Belt. United States Based Seller and Customer Service. belt diagram - Ford Truck Enthusiasts Forums i need a belt diagram for a 89 f250 351w without the smog pump. OK I have a 5.8L 351 Windsor w/o the smog and w/o the AC basically the diagram in "hitokori's" post. the bottom one with the purple belt 73". but my dilemma is that... Riding Mower 46-inch Deck Belt - 954-04219 | MTD Parts Fits Riding Mowers, Lawn Tractors with a Two-Blade 46-inch Cutting Deck (2009 -). For Troy-Bilt, Cub Cadet, MTD, Craftsman, MTD Gold, Bolens, White Outdoor, Yard Machines, Remington, Yard-Man and Huskee. Fits Cub Cadet LTX1045, LTX1046, LTX1046 KW, LTX1046 M, LTX1046VT.

I am trying to replace the deck belt on a 46 Huskee lawn tractor I have a 46 inch Murray lawn mower with a 19 hp engine. I have removed the mower, replaced all the hubs and re assembled the mower. i need to no how i can get a diagram for the mowing deck on my huskee riding lawn mower i need to no how it goes back on how long does this take… read more. valoridietetici.it › mrpbvvaloridietetici.it Please verify the original Cub Cadet part number in your owner's manual or on the appropriate parts diagram of your model for correct location and fitment of this item. Jul 21, 2017 · The Cub Cadet LTX series features a 19-horsepower engine and 42-inch mowing deck. Deck: This mower features a 21-inch wide deck that’s made of steel. 4 L or 2. Yard Machine 46 Inch Deck Belt Diagram - Free Diagram For Student Displaying deck assembly 46 inch parts for the mtd 13rn771h729 yard machines lawn tractor 2007 home depot browse all parts by section for this model. Huskee lawn tractor with a 23 hp and 46 inch deck. I replaced the drive belts lower and upper mtd belt. Riding Mower 46-inch Deck Belt - 954-04219 | Troy-Bilt US Read reviews and buy Riding Mower 46-inch Deck Belt954-04219. Free shipping on parts orders over $45. $43.99. Fits Riding Mowers, Lawn Tractors with a Two-Blade 46-inch Cutting Deck (2009 -). For Troy-Bilt, Cub Cadet, MTD, Craftsman, MTD Gold, Bolens, White Outdoor, Yard Machines...

haptotherapie-west.nl › craftsman-ztl8000-manualhaptotherapie-west.nl 1 day ago · I have a Craftsman ZT 7000 zero turn mower When I engage. 63 Free Shipping on Parts* Add to Cart In Stock. Need belt diagram for a snapper nxt 42 inch deck. id on October 15, 2021 by Dec 21, 2021 · Craftsman ztl8000 manual - ddm-service. 255830 2019 Craftsman T2300 2012 Craftsman LT 2000 2015 Craftsman 917. Find great deals on eBay for murray deck belt. Shop with confidence. Deck Belt for Murray 46 Inch Deck Lawn Tractor 037X70MA 37X70 37X70MA. Quality OEM Specification Replacement Parts. Brand new. ARAMID Deck Drive BELT for MTD GOLD HUSKEE MURRAY 754-04062 954-04062 Lawn Mower. MTD 954-04325 Deck Belt 46 inch Deck Belt - Walmart.com OEM MTD 46-inch deck spindle belt used on zero turn riding lawnmowers. Also fits Yard Man, Yard Machines, Troy Bilt, Huskee, Bolens, Murray and Fits Zero Turn MTD Mowers with 46 inch Decks. Replaces OEM 954-04325 and 754-04325 belt. Check and maintain your belts regularly to guarantee... Simplicity 44 Inch Mower Deck Belt Diagram - Free Wiring Diagram Visit the post for more. Simplicity 44 inch mower deck belt diagram. Depending on your simplicity mowers model number and the belt part number belt changing instructions will vary. Belt sizes for simplicity lawn and garden belts. Simplicity 2691133 00 regent ex lawn tractor 46 deck.

Deck Drive Belt for Huskee 46

Deck Drive Belt for Huskee 46" Cut 754-04064, 954-04064, PTO

Mtd 46 Inch Deck Belt Diagram - Free Wiring Diagram Deck belt diagram for 46 mtd yard machine. Look at the diagrams for the 46 inch deck here and i think all your questions will be answered. Huskee 46 Deck Belt Diagram Wiring Diagram Third Level.

MTD Replacement Lawn Mower Deck Belt, 954-04060C

MTD Replacement Lawn Mower Deck Belt, 954-04060C

Murray 38 Inch Deck Belt Diagram - Atkinsjewelry Deck drive belt for murray 40 cut decks lt tractors built 1989 newer side discharge 12 x 86 38 murray 037x62ma 37x62. It features a high performance 1150 Murray Lawn Mower Belt Diagram 46 Inch Luxury Murray 38 40 42. Murray Lawn Mower Deck Parts Answerbailbonds Info. Murray 38l12g50x8a...

Page 19 of MTD Lawn Mower 608 User Guide | ManualsOnline.com

Page 19 of MTD Lawn Mower 608 User Guide | ManualsOnline.com

Mtd Yard Machine 42 Inch Deck Belt Diagram • Decks Ideas Mtd Inch Deck Belt Diagram Fine Photos Hidden And Larger Springs For intended for measurements 1217 X 800. In the beginning, the wood has to be quickly treated with a preservative. There's additionally it decking around the market that has reliefs or grooves mortised to the underside of teh...

Deck Belt for Craftsman T1600, LT2000, LT2500, 46

Deck Belt for Craftsman T1600, LT2000, LT2500, 46" Cut 754-04219, 954-04219

Need belt diagram for huskee model 13AU607H131 - Fixya

Need belt diagram for huskee model 13AU607H131 - Fixya

MTD 46

MTD 46" Deck Belt 754-0349,112-0317

Pin on How to install drive belt

Pin on How to install drive belt

huskee 46 inch deck belt diagram,therugbycatalog.com

huskee 46 inch deck belt diagram,therugbycatalog.com

Huskee 13AS608H731 - Huskee Lawn Tractor (2004) (Tractor ...

Huskee 13AS608H731 - Huskee Lawn Tractor (2004) (Tractor ...

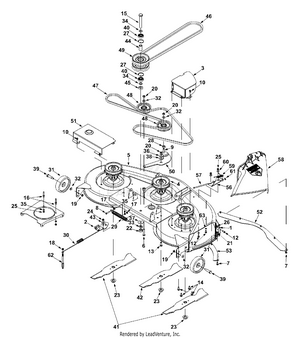
MTD 13AX605H730 (2006) Parts Diagram for Deck Assembly

MTD 13AX605H730 (2006) Parts Diagram for Deck Assembly

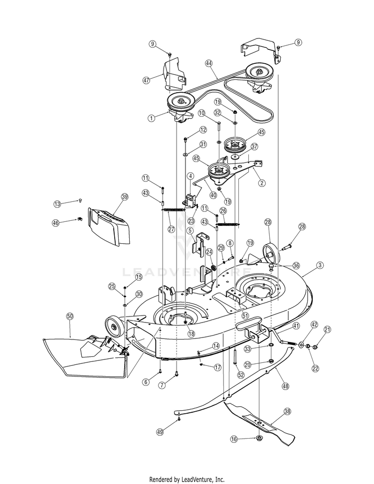
Huskee LT 4600 (13W878ST031) - Huskee Lawn Tractor (2016 ...

Huskee LT 4600 (13W878ST031) - Huskee Lawn Tractor (2016 ...

Huskee 13BS608H131 - Huskee Lawn Tractor (2003) (Tractor ...

Huskee 13BS608H131 - Huskee Lawn Tractor (2003) (Tractor ...

Huskee 14AI808H731 (2004) - PartsWarehouse

Huskee 14AI808H731 (2004) - PartsWarehouse

Parts for Huskee / Husky 14AI808H731 / 2004: Deck Assembly 46 ...

Parts for Huskee / Husky 14AI808H731 / 2004: Deck Assembly 46 ...

huskee 46 inch deck belt diagram,therugbycatalog.com

huskee 46 inch deck belt diagram,therugbycatalog.com

MTD YARD MACHINES 46

MTD YARD MACHINES 46" CUT RIDING MOWER DECK BELT INSTALLATION / REPLACEMENT

Huskee 13WV771S031 (2011) - PartsWarehouse

Huskee 13WV771S031 (2011) - PartsWarehouse

Mower Deck Belt Replacement – Step by step – Lawnmowerfixed

Mower Deck Belt Replacement – Step by step – Lawnmowerfixed

MTD 13W2775S031 (LT4200) (2014) Parts Diagram for Mower Deck ...

MTD 13W2775S031 (LT4200) (2014) Parts Diagram for Mower Deck ...

Huskee LT 4600 (13W878ST031) - Huskee Lawn Tractor (2016 ...

Huskee LT 4600 (13W878ST031) - Huskee Lawn Tractor (2016 ...

MTD Original Equipment 38-inch Mower Deck Belt 954-04062, 548180

MTD Original Equipment 38-inch Mower Deck Belt 954-04062, 548180

HHCS:3/8-16:1.75:GR5:STD

HHCS:3/8-16:1.75:GR5:STD

Cub Cadet 1800 13AK608H101 Lift Assembly

Cub Cadet 1800 13AK608H101 Lift Assembly

8TEN Engine to Deck Belt for MTD Huskee Yard Machines White Outdoors LT-546  4600H Tractors 754-04142 954-04142

8TEN Engine to Deck Belt for MTD Huskee Yard Machines White Outdoors LT-546 4600H Tractors 754-04142 954-04142

I have a huskee supreme slt 4200 trying to change the drive ...

I have a huskee supreme slt 4200 trying to change the drive ...

Huskee Riding Lawn Mower - Model 13AX615H731 | MTD Parts

Huskee Riding Lawn Mower - Model 13AX615H731 | MTD Parts

MTD 13AO785T058 (2012) M19546 (2012) Mower Deck 46-Inch

MTD 13AO785T058 (2012) M19546 (2012) Mower Deck 46-Inch

Huskee 13W878ST031 LT 4600 (2016) - PartsWarehouse

Huskee 13W878ST031 LT 4600 (2016) - PartsWarehouse

MTD 13AO785T058 (2012) M19546 (2012) Mower Deck 46-Inch

MTD 13AO785T058 (2012) M19546 (2012) Mower Deck 46-Inch

MTD 14BU836H190 GT-205 (1998) Parts Diagram for Mower Deck 46 ...

MTD 14BU836H190 GT-205 (1998) Parts Diagram for Mower Deck 46 ...

Huskee 13AJ791G731 (2005) - PartsWarehouse

Huskee 13AJ791G731 (2005) - PartsWarehouse

Parts for Huskee / Husky 13BX775H031 / 2009: Mower Deck 46 ...

Parts for Huskee / Husky 13BX775H031 / 2009: Mower Deck 46 ...

John Deere L&G Belt Routing Guide | My Lawnmower Forum

John Deere L&G Belt Routing Guide | My Lawnmower Forum

MTD 954-04122 46-Inch Deck Drive Belt for Riding Mower/Tractors, 1/2-Inch  by 90 1/4-Inch

MTD 954-04122 46-Inch Deck Drive Belt for Riding Mower/Tractors, 1/2-Inch by 90 1/4-Inch

Snapper NXT2346 46

Snapper NXT2346 46" 23HP NXT Lawn Tractor Mower belt diagram ...

Riding Mower 46-inch Deck Belt

Riding Mower 46-inch Deck Belt

MTD 13AS673H131 (1999) Parts Diagram for Deck Assembly

MTD 13AS673H131 (1999) Parts Diagram for Deck Assembly "H ...

MTD 14AT808H731 (2004) Deck Assembly 46 Inch | Shanks Lawn

MTD 14AT808H731 (2004) Deck Assembly 46 Inch | Shanks Lawn

Huskee 13AS698H131 (2002) - PartsWarehouse

Huskee 13AS698H131 (2002) - PartsWarehouse

0 Response to "39 huskee 46 inch deck belt diagram"

Post a Comment

Iklan Atas Artikel

Iklan Tengah Artikel 1

Iklan Tengah Artikel 2

Iklan Bawah Artikel