Iklan 300x250

39 toro recycler 22 parts diagram

Toro 20016, 22" Recycler Lawnmower ... - Small Engine Parts Toro 20016, 22" Recycler Lawnmower, 2003 (SN 230000001-230999999) Parts Diagrams. JavaScript Disabled - Unable to show Cart. Parts Lookup - Enter a part number or partial description to search for parts within this model. There are (273) parts used by this model. Found on Diagram: 2 BAIL HANDLE ASSEMBLY. Toro 20330 Recycler Lawn Mower Parts - Quick Parts ... The engine for your Toro 20330 Recycler Lawn Mower is a Briggs and Stratton with 6.75 and 4 Cycle. Your Toro Lawn Mower has 22" mowing width. If you need help finding the Toro 20330 Recycler Lawn Mower Parts that you need you can Search Using Weingartz Illustrated Diagrams to view an illustrated diagram or call us at 1-855-669-7278.

Toro 20332, 22in Recycler Lawn Mower ... - Small Engine Parts Toro 20332, 22in Recycler Lawn Mower, 2012 (SN 312000001-312999999) Parts Diagrams. SWIPE SWIPE. DECK, SIDE CHUTE AND REAR DOOR ASSEMBLY. ENGINE AND BLADE ASSEMBLY.

Toro recycler 22 parts diagram

Toro recycler 22 parts diagram

Parts - 22in Recycler Lawn Mower with SmartStow | Toro Fuel Stabilizer .05 oz. Model #: 20234. TORO WPM MAINT KIT - BRIGGS. Model #: 20601. Lawn Striping Kit with 22in Roller, Walk-Behind Lawn Mowers. Model #: 38990. Replacement Drive Belt Kit, 22-inch 2009 and After Front-Wheel Drive L. Model #: 490-2012. Smart Stow Walk Power Mower Cover. Toro Recycler 22" Self-Propelled Lawn Mower Model Number : 20353. FIND A DEALER. 22" all-wheel drive personal pace variable speed gas self-propelled gas mower featuring no oil changes ever*. FIND A DEALER. ×. Toro Recycler 22" Self-Propelled Lawn MowerToro Recycler 22" Self-Propelled Lawn Mower. Powered by a Briggs & Stratton 163cc EXi 725 Series™ EngineModel Number : 20353. Toro Recycler 22 Personal Pace Parts Diagram - Reviewmotors.co Vv 9222 Lawn Mower Engine Part Diagram On Toro Push Parts. Toro Recycler 22 Personal Pace Blade Stop Lawn Mower. Toro Lawn Mowers Recycler 22 Inch Manual. 22 Personal Pace All Wheel Drive Lawn Mower Toro. Kooy Brothers Landscape Equipment Toro Recycler Mower 20353 22. Da 5832 Toro Recycler Parts Diagram Car Tuning Schematic Wiring.

Toro recycler 22 parts diagram. Parts - 22in Recycler Lawn Mower | Toro TORO 4-CYCLE SAE 30 OIL (32OZ BOTTLE) Model #: 38916 Summer Oil, Case of 24 20-Ounce Bottles Model #: 38990 Replacement Drive Belt Kit, 22-inch 2009 and After Front-Wheel Drive L Model #: 490-7318 TORO SMALL WALK BEHIND BAG Model #: 490-7462 20353 - Toro 22" Recycler Walk-Behind Mower (SN: 315000001 ... Repair parts and diagrams for 20353 - Toro 22" Recycler Walk-Behind Mower (SN: 315000001 - 315999999) (2015) Toro recycler 22 parts manual - United States Instructions ... Toro 20051 22-Inch Recycler Lawn Mower Parts Catalog Owners Manual With a 3-in-1 mowing system, the toro recycler 22-inch 6.75 ft-lb gross torque 149cc. Kohler - Toro Lawn Mower Repair - Wont Start - Carburetor Service 149cc your repair manual when doing repair or maintenance work on Outdoor Power. Toro 22 Recycler Lawn Mower Ignition System Wiring Diagram The Toro 22" Personal Pace® electric start lawn mower features a Briggs Toro Recycler electric start lawn mower model Electric Start, no need to pull the recoil cord to start the engine; Personal Pace® Self Propel self propel system one spark plug (part # ), one air filter (part # ) and a oz.Need a wiring diagram for toro pace electric start.

20334 - Toro 22" Recycler Walk-Behind Mower Parts Lookup ... Toro 20334 - Toro 22" Recycler Walk-Behind Mower Parts Lookup with Diagrams - Select Your Model (14) Hide Amazon.com: toro 22 recycler parts 1-16 of over 1,000 results for "toro 22 recycler parts" Price and other details may vary based on product size and color. Toro 22" Recycler Mower Replacement Blade 59534P Display pack contains 131-4547-03 (Genuine). Toro 20353 - Toro 22" Recycler Walk-Behind Mower (SN ... Bag Assembly diagram and repair parts lookup for Toro 20353 - Toro 22" Recycler Walk-Behind Mower (SN: 404400000 - 405670000) The Right Parts, Shipped Fast! Reviews 20332 - Toro 22" Recycler Walk-Behind Mower Parts Lookup ... Repair parts and diagrams for 20332 - Toro 22" Recycler Walk-Behind Mower. ... Toro 20332 - Toro 22" Recycler Walk-Behind Mower Parts Lookup with Diagrams - Select Your Model (15) Hide . Toro 20332 - Toro 22" Recycler Walk-Behind Mower (SN: 290000001 - 290999999)

Toro Recycler 22 in. Briggs & Stratton Personal Pace ... Recycler 22 in. SmartStow 60-Volt Max Lithium-Ion Cordless Battery Walk Behind Mower, 6.0 Ah Battery/Charger Included The Toro 60V Max 22" Recycler Mower is the The Toro 60V Max 22" Recycler Mower is the perfect excuse to up your cutting game on every level. Part of America's #1 brand of mowers, it makes easier and faster work of the entire job. Parts - 22" Recycler Lawnmower | Toro Model # 20016 Serial # 220000001 - 220300000 Product Name 22" Recycler Lawnmower Product Brand Toro 20018, 22" Recycler Lawnmower ... - Small Engine Parts Toro 20018, 22" Recycler Lawnmower, 2002 (SN 220300001-220999999) Exploded View parts lookup by model. Complete exploded views of all the major manufacturers. It is EASY and FREE Toro Recycler 22" Self-Propelled Lawn Mower 22" all-wheel drive personal pace variable speed gas self-propelled gas mower featuring no oil changes ever*. Where to Buy. ×. Toro Recycler 22" Self-Propelled Lawn MowerToro Recycler 22" Self-Propelled Lawn Mower. Powered by a Briggs & Stratton 163cc EXi 725 Series™ Engine. Click and drag image to rotate.

Find My Model Number - Mower Shop Products

Find My Model Number - Mower Shop Products

Parts - Toro Illustrated Parts Catalog (Irrigation) Toro Ag Products and Parts List Toro Ag 2022 Price List - Effective January 1 2022. Close. View Model List. Select a model number to pass to the search box. 0.

Pin on Equipment

Pin on Equipment

Toro 20332, 22in Recycler Lawn Mower ... - Small Engine Parts Toro 20332, 22in Recycler Lawn Mower, (SN 400000000-999999999) Parts Diagrams. Parts Lookup - Enter a part number or partial description to search for parts within this model. There are (105) parts used by this model.

Toro 20013, 22

Toro 20013, 22" Recycler Lawnmower, 2003 (SN 230000001 ...

Toro Recycler 22 Parts Diagram Toro , 22in Recycler Lawn Mower, (SN ) Parts Diagrams Parts Lookup - Enter a part number or partial description to search for parts within this Found on Diagram: ENGINE AND BLADE ASSEMBLY.22" Recycler® Cutting Deck Cut more grass in less time and improve the health of your lawn with larger 22" cutting width.

Toro Lawn Mower | 20072 | eReplacementParts.com

Toro Lawn Mower | 20072 | eReplacementParts.com

Toro 20072, 22in Recycler Lawn Mower ... - Small Engine Parts Toro 20072, 22in Recycler Lawn Mower, 2007 (SN 270000001-270999999) Exploded View parts lookup by model. Complete exploded views of all the major manufacturers. It is EASY and FREE

Toro 20377, 22in Recycler Lawn Mower, 2012 (SN 312000001 ...

Toro 20377, 22in Recycler Lawn Mower, 2012 (SN 312000001 ...

Parts - 22in Recycler Lawn Mower | Toro Toro Walk Mower Cover Model #: 59310 BAG - REPL 2009 RWD RC Model #: 59312 BAG - REPL KIT 2009 RWD RC Model #: 59502 Replacement Wheel, 2002 and After Front-Wheel Drive 22-inch Recycler L Model #: 59503

BOSCH Warnzettel | Ersatzteile für GCM 350-254 | 1609B05130

BOSCH Warnzettel | Ersatzteile für GCM 350-254 | 1609B05130

Toro Recycler 22 inch 149cc (Kohler) Variable Speed Lawn Mower Features for the Toro Recycler 20378. This Toro Recycler 20378 lawn mower runs with the self-propelled, variable-speed drive system. Powered by the front wheels and supported by 11 inch high rear wheels, this mower can cruise across your lawn with minimal effort.

22

22" Variable Speed High Wheel Lawn Mower | Toro

Amazon.com: toro recycler 22 parts Parts Club Cluparis Drive Wheel Replacement Toro 115-4695 8" Wheel Gear Assembly for 22" / 55 cm RWD Recycler Push Lawn Mower (Pack of 2 ) 4.1 out of 5 stars 18 $32.99 $ 32 . 99

Buy A Makita PLM4101 Spare part or Replacement part for Your Lawnmower and  Fix Your Machine Today

Buy A Makita PLM4101 Spare part or Replacement part for Your Lawnmower and Fix Your Machine Today

Toro Recycler Lawn Mower Parts - Quick Reference Guide Call Us at (855) 669-7278. Below is a list of Popular Models for Toro Recycler Lawn Mower Parts. The quick reference guide will provide you with the most common parts needed for your Toro Recycler Lawn Mower parts. These parts include; Spark Plug, Blades, Air Filter, Oil Filter, Front Wheel, Rear Wheel, Drive Belt, Blade Belt, Drive Cable, Bail ...

Toro 20071A, 22in Recycler Lawn Mower, 2007 (SN 270000001 ...

Toro 20071A, 22in Recycler Lawn Mower, 2007 (SN 270000001 ...

Toro Recycler Parts Diagram - schematron.org Search for Parts, Manuals, Accessories, Specifications and Product Details View Model List Find Model/Serial Plate Lookup Help BUY Parts for your. Shop Toro Recycler Lawn Mower Parts - Using Quick Parts Reference Guide or Parts Illustrated Diagrams - Same Day & $ Flat Rate Shipping!.12 Volt Lithium Ion Battery Packs Car Battery Comparison Video ...

Toro Recycler 22 Parts Drive Belt Outlet Store, UP TO 61% OFF ...

Toro Recycler 22 Parts Drive Belt Outlet Store, UP TO 61% OFF ...

Toro 22in Recycler Lawn Mower with ... - e Replacement Parts Need to fix your 20339 (314000001 - 314999999) 22in Recycler Lawn Mower with SmartStow? Use our part lists, interactive diagrams, accessories and expert repair advice to make your repairs easy.

Toro Recycler 22” Self-Propelled SMARTSTOW® Lawn Mower

Toro Recycler 22” Self-Propelled SMARTSTOW® Lawn Mower

Toro 20041 22in Recycler Lawn Mower Parts - Quick Parts ... The engine for your Toro 20041 22in Recycler Lawn Mower is a Briggs and Stratton with 4 Cycle. Your Toro Lawn Mower has 22′' mowing width. If you need help finding the Toro 20041 22in Recycler Lawn Mower Parts that you need you can Search Using Weingartz Illustrated Diagrams to view an illustrated diagram or call us at 1-855-669-7278.

SOLVED: Throttle linkage diagram for toro 22035 - Fixya

SOLVED: Throttle linkage diagram for toro 22035 - Fixya

Toro Recycler 22 Personal Pace Parts Diagram - Reviewmotors.co Vv 9222 Lawn Mower Engine Part Diagram On Toro Push Parts. Toro Recycler 22 Personal Pace Blade Stop Lawn Mower. Toro Lawn Mowers Recycler 22 Inch Manual. 22 Personal Pace All Wheel Drive Lawn Mower Toro. Kooy Brothers Landscape Equipment Toro Recycler Mower 20353 22. Da 5832 Toro Recycler Parts Diagram Car Tuning Schematic Wiring.

Toro Lawn Mower | 20332 | eReplacementParts.com

Toro Lawn Mower | 20332 | eReplacementParts.com

Toro Recycler 22" Self-Propelled Lawn Mower Model Number : 20353. FIND A DEALER. 22" all-wheel drive personal pace variable speed gas self-propelled gas mower featuring no oil changes ever*. FIND A DEALER. ×. Toro Recycler 22" Self-Propelled Lawn MowerToro Recycler 22" Self-Propelled Lawn Mower. Powered by a Briggs & Stratton 163cc EXi 725 Series™ EngineModel Number : 20353.

Toro 22in Recycler Lawn Mower 20337 - REV B - iFixit

Toro 22in Recycler Lawn Mower 20337 - REV B - iFixit

Parts - 22in Recycler Lawn Mower with SmartStow | Toro Fuel Stabilizer .05 oz. Model #: 20234. TORO WPM MAINT KIT - BRIGGS. Model #: 20601. Lawn Striping Kit with 22in Roller, Walk-Behind Lawn Mowers. Model #: 38990. Replacement Drive Belt Kit, 22-inch 2009 and After Front-Wheel Drive L. Model #: 490-2012. Smart Stow Walk Power Mower Cover.

Toro 20017, 22

Toro 20017, 22" Recycler Lawnmower, 2002 (SN 220000001 ...

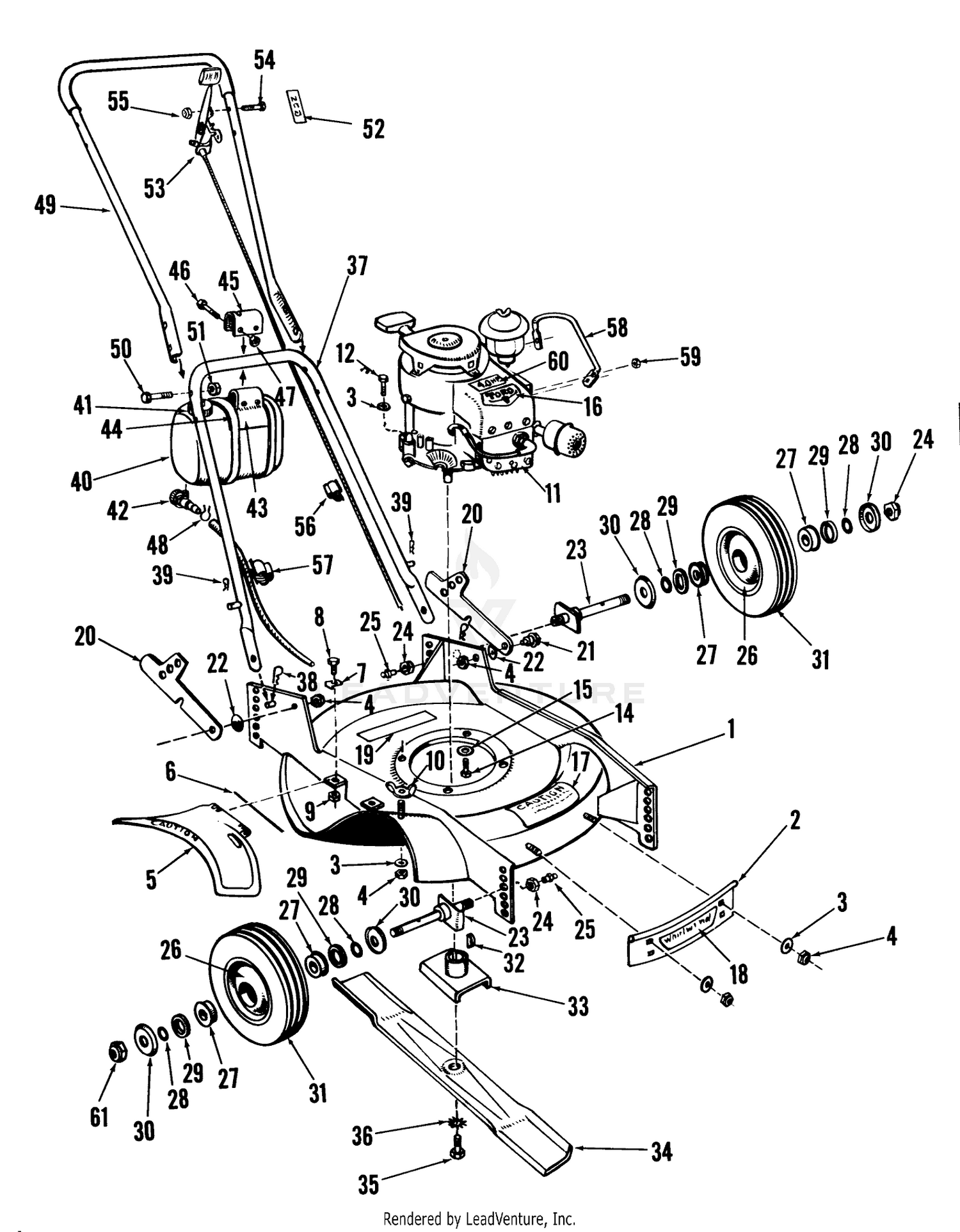
TORO 21

TORO 21" Whirlwind h.p Walk-Behind Lawn Mower Parts Manual 19121 | eBay

Hitachi SLIDE COMPOUND SAW C12FSA Spare Parts

Hitachi SLIDE COMPOUND SAW C12FSA Spare Parts

Toro 20353, 22in Recycler Lawn Mower, 2015 (SN 315000001 ...

Toro 20353, 22in Recycler Lawn Mower, 2015 (SN 315000001 ...

BBI Züri West — Mechanik

BBI Züri West — Mechanik

Toro Recycler 22” Self-Propelled SMARTSTOW® Lawn Mower

Toro Recycler 22” Self-Propelled SMARTSTOW® Lawn Mower

Ersatzteillisten für Toro Roth / TORO Gehäuse, Kicker ...

Ersatzteillisten für Toro Roth / TORO Gehäuse, Kicker ...

Interactive Manual

Interactive Manual

Toro Spacer Kit for Blade Retainer, 22

Toro Spacer Kit for Blade Retainer, 22" Recycler Mowers ...

Toro 20374, 22in Recycler Lawn Mower, 2012 (SN 312000001 ...

Toro 20374, 22in Recycler Lawn Mower, 2012 (SN 312000001 ...

Toro Recycler 22 Parts Drive Belt Outlet Store, UP TO 61% OFF ...

Toro Recycler 22 Parts Drive Belt Outlet Store, UP TO 61% OFF ...

Toro Recycler 22 Parts Drive Belt Outlet Store, UP TO 61% OFF ...

Toro Recycler 22 Parts Drive Belt Outlet Store, UP TO 61% OFF ...

Operator Manual for Toro Recycler 22 inch | Manualzz

Operator Manual for Toro Recycler 22 inch | Manualzz

Toro 22in Recycler Lawn Mower with SmartStow | 20339 ...

Toro 22in Recycler Lawn Mower with SmartStow | 20339 ...

Toro 22 Inch Recycler Lawn Mower Parts | The Garden

Toro 22 Inch Recycler Lawn Mower Parts | The Garden

Toro Recycler 22 Parts Drive Belt Outlet Store, UP TO 61% OFF ...

Toro Recycler 22 Parts Drive Belt Outlet Store, UP TO 61% OFF ...

Toro Recycler 22” Self-Propelled SMARTSTOW® Lawn Mower

Toro Recycler 22” Self-Propelled SMARTSTOW® Lawn Mower

Toro 23100, 21

Toro 23100, 21" Whirlwind Hevi-Duty Lawnmower, 1965 (SN ...

Toro 22in Recycler Lawn Mower with SmartStow® 20340 - REV B ...

Toro 22in Recycler Lawn Mower with SmartStow® 20340 - REV B ...

Toro 20353 - Toro 22

Toro 20353 - Toro 22" Recycler Walk-Behind Mower (SN ...

VRS 56 P - Mower assembly EXPLODED PARTS LIST

VRS 56 P - Mower assembly EXPLODED PARTS LIST

Parts – 55cm Recycler Lawn Mower | Toro

Parts – 55cm Recycler Lawn Mower | Toro

TORO 20007 OPERATOR'S MANUAL Pdf Download | ManualsLib

TORO 20007 OPERATOR'S MANUAL Pdf Download | ManualsLib

Toro Personal Pace Parts Diagram Top Sellers, UP TO 56% OFF ...

Toro Personal Pace Parts Diagram Top Sellers, UP TO 56% OFF ...

Fanex 603 - KRAMP

Fanex 603 - KRAMP

0 Response to "39 toro recycler 22 parts diagram"

Post a Comment

Iklan Atas Artikel

Iklan Tengah Artikel 1

Iklan Tengah Artikel 2

Iklan Bawah Artikel