Iklan 300x250

38 poulan lawn mower parts diagram

POULAN PRO Parts Lookup by Model - Jacks Small Engines Parts lookup for POULAN PRO power equipment is simpler than ever. Enter your model number in the search box above or just choose from the list below. How to FIND Your POULAN PRO Model Number > POULAN PRO Parts Diagrams 952711930 TRIMMERS/EDGERS 952711931 TRIMMERS/EDGERS 954570857 TRACTORS/RIDE MOWERS BLOWERS CHAIN SAWS Poulan Illustrated Parts Diagrams - Lawnmower Pros Poulan Illustrated Parts Diagrams available online from Lawn Mower Pros. We have a large selection of Poulan Illustrated Parts Diagrams to cover your Poulan Lookup needs. If you do not see the Poulan Parts you need, please complete the Lawn Mower Parts Request Form and we will be happy to assist you.

Poulan Riding Lawn Mower Parts Diagram | Automotive Parts ... Description : Poulan Riding Mower Parts Diagram Lawn Tractor Repair And In in Poulan Riding Lawn Mower Parts Diagram, image size 620 X 420 px, and to view image details please click the image. Truly, we have been realized that poulan riding lawn mower parts diagram is being just about the most popular subject at this moment.

Poulan lawn mower parts diagram

Poulan lawn mower parts diagram

Poulan Walk Behind Lawn Mower | PR550Y22SHP ... Poulan PR550Y22SHP Walk Behind Lawn Mower Parts We Sell Only Genuine Poulan Parts Hex Flange Locknut $5.09 Add to Cart Hex Head Screw $5.09 Add to Cart Lock Washer $3.81 Add to Cart Hardened Washer $5.09 Add to Cart Handle Knob $3.81 Add to Cart E-Ring $3.81 Add to Cart Handle Bolt $3.81 Add to Cart Rear Skirt $12.74 Add to Cart Search within model Poulan PP12538 Tractor Parts Diagram for MOWER ... Poulan PP12538 Tractor MOWER Exploded View parts lookup by model. Complete exploded views of all the major ... Lawn Mower Spindle Assembly (Includes Key No. Drive Belt Diagram For Poulan Riding Mower - schematron.org The mower blade drive belt may be replaced without tools. Park the tractor on level surface. Engage.Page To Replace Mower Drive Belt. SERVICE AND ADJUSTMENTS TO REPLACE MOWER DRIVE BELT (See Fig. 26) MOWER DRIVE BELT REMOVAL • Park tractor on a level surface. En gage parking brake. • Lower attachment lift lever to its lowest position.

Poulan lawn mower parts diagram. Poulan Lawn & Garden Tractors Parts with Diagrams - PartsTree 271190 - Poulan Lawn Tractor (2004) 271470 - Poulan Lawn Tractor (2001) 271471 - Poulan Lawn Tractor (2001) 271490 - Poulan Lawn Tractor (2002) 271491 - Poulan Lawn Tractor (2002) 279370 - Poulan Lawn Tractor (2003) 342054 - Poulan Lawn Tractor (2006-03) 342064 - Poulan Lawn Tractor (2006-06) Parts for Poulan PR4N22SHA: Rotary Lawn Mower Parts ... The handle bolt is a genuine OEM Part for lawn mowers and snowblowers. It is compatible with some models from Husqvarna, Murray, Weed Eater, Poulan, Jonsered, Craftsman, and Ryobi. It should be noted that this product is sold individually, and the handle knob is not included. by Husqvarna. Part Number AP6134974. Poulan Parts Lookup by Model - Jacks Small Engines Parts lookup for Poulan power equipment is simpler than ever. Enter your model number in the search box above or just choose from the list below. Poulan Riding Mower Wiring Diagram Poulan Illustrated Parts Diagrams available online from Lawn Mower Pros. We have a large selection of Poulan Illustrated Parts Diagrams to cover your Poulan Lookup needs. If you do not see the Poulan Parts you need, please complete the Lawn Mower Parts Request Form and we will be happy to assist you.

Poulan PP20VA46 - 96042018800 (2015-08) Parts ... Poulan PP20VA46 - 96042018800 (2015-08) Exploded View parts lookup by model. Complete exploded views of all the major manufacturers. It is EASY and FREE. Poulan Pro Lawn Mower Parts Diagram | Home Improvement Shop for Poulan Lawn Mower parts today, from 532087877 to 873800500!. We recommend you refer to model specific diagrams for appropriate uses and . We are here to help - over 324 genuine Poulan repair and replacement parts. Parts Diagrams (12). How to Replace a Riding Lawn Mower Blade Drive Belt. Poulan PP19A42 - 96046007700 (2015-08) Parts Diagrams Poulan PP19A42 - 96046007700 (2015-08) Exploded View parts lookup by model. Complete exploded views of all the major manufacturers. It is EASY and FREE. Poulan PP175G42 - 96046007500 (2015-08) Parts Diagrams Poulan PP175G42 - 96046007500 (2015-08) Exploded View parts lookup by model. Complete exploded views of all the major manufacturers. It is EASY and FREE.

PR55HY21CA Poulan Walk Behind Lawn Mower Parts & Free ... The best way to find parts for Poulan walk behind lawn mower model PR55HY21CA is by clicking one of the diagrams below. You can also browse the most common parts for Poulan walk behind lawn mower model PR55HY21CA. Poulan Rotary Lawn Mower | 961440001 | eReplacementParts.com Poulan 961440001 (96144000100) Rotary Lawn Mower Parts We Sell Only Genuine Poulan Parts Hex Flange Locknut $5.09 Add to Cart Hex Head Screw $5.09 Add to Cart Lock Washer $3.81 Add to Cart Mower Blade (22-Inch) $15.28 Add to Cart Wheel Dust Cover $5.09 Add to Cart Engine Control Cable $14.02 Add to Cart Hardened Washer $5.09 Add to Cart Handle Knob OEM Poulan Lawn Mower Parts [PR625Y22RKP] | Repair Videos ... Shop for Poulan Lawn Mower PR625Y22RKP repair parts today! PR625Y22RKP Poulan Lawn Mower Parts & Repair Help | PartSelect Parts for the PR625Y22RKP. [Viewing 10 of 100] Keep searches simple, eg. "belt" or "pump". Blade, 22". PartSelect #: PS9017810. Manufacturer #: 532406713. This blade is sourced directly from the manufacturer for use in Craftsman and Husqvarna lawn mowers. The blade is the part of the mower that is responsible for cutting and mulching the grass.

IPL, Poulan, PP55Y22CHA, 2004-03, Lawn Mower

IPL, Poulan, PP55Y22CHA, 2004-03, Lawn Mower

Poulan PP20H46A Tractor Mower Deck Parts Diagram ... Poulan PP20H46A Tractor Mower Deck Exploded View parts lookup by model. Complete exploded views of all the major manufacturers. It is EASY and FREE.

Poulan Pro 42 Deck Parts Online Store, UP TO 55% OFF | www ...

Poulan Pro 42 Deck Parts Online Store, UP TO 55% OFF | www ...

Poulan Pro Riding Mower Drive Belt Diagram Decal-Mower V-Belt Schematic. $ Part Number: In Stock, 1 Available. Poulan Pro riding mowers are backed by a 2-year limited warranty so you can feel confident behind your lawn investment. Plus, models with a reinforced deck featured a 10 year limited warranty on the deck and last but not least, mowers that feature a fast automatic transmission ...

Lawn Mower Parts & Accessories | Poulan Pro

Lawn Mower Parts & Accessories | Poulan Pro

Poulan PO14538LT - 96048002200 (2012-02) Parts ... Poulan PO14538LT - 96048002200 (2012-02) Exploded View parts lookup by model. Complete exploded views of all the major manufacturers. It is EASY and FREE.

Poulan P2260A Mower Parts Diagram for Rotory Lawn Mower

Poulan P2260A Mower Parts Diagram for Rotory Lawn Mower

Wiring Diagram For Poulan Pro Riding Mower - easywiring Poulan riding lawn mower wiring diagram thanks for visiting our site this is images about poulan riding lawn mower wiring diagram posted by benson fannie in poulan category on nov 08 you can also find other images like wiring diagram parts diagram replacement parts electrical diagram repair manuals engine diagram engine scheme.

Elektrik | Baugruppen Aufbau / Fahrgestell | AMX 8.57 LV ...

Elektrik | Baugruppen Aufbau / Fahrgestell | AMX 8.57 LV ...

Owner's Manuals | Poulan Pro Search Poulan Pro owner's manuals, illustrated parts lists and more. Cookies help us deliver a better experience. By using this site, you agree to our use of cookies.

Poulan PR500N21SH - 96112012403 (2014-02) Parts Diagram for ...

Poulan PR500N21SH - 96112012403 (2014-02) Parts Diagram for ...

Poulan Lawn Mower Parts | Same Day Shipping | Millions of ... Popular Poulan Lawn Mower Parts. Your Price. $14.33. In Stock. Add To Cart. Blade, 22". PartSelect Number PS9017810. Manufacturer Part Number 532406713. This blade is sourced directly from the manufacturer for use in Craftsman and Husqvarna lawn mowers.

Poulan PRO Walk-Behind 22

Poulan PRO Walk-Behind 22" Rotary Lawn Mower Parts Catalog Manual PR625Y22RKP | eBay

Poulan and Poulan Pro Parts and ... - PartsWarehouse.com Poulan Pole Pruners/Pole Saws. Poulan Pro Pole Pruners and Pole Saws. Poulan Riding Mowers-Tractors. Poulan Pro Tractors. Poulan Trimmers and Edgers. Poulan Pro Trimmers and Edgers. Poulan Blowers. Poulan Pro Blowers. Poulan Walk Behind Mowers.

Poulan Pro Lawn Mower 96134000800 Users Manual IPL ...

Poulan Pro Lawn Mower 96134000800 Users Manual IPL ...

Poulan Riding Mower Parts Diagram | Automotive Parts ... Description : Poulan Riding Mower Parts Diagram - All Image Wiring Diagram in Poulan Riding Mower Parts Diagram, image size 480 X 300 px, and to view image details please click the image. Here is a picture gallery about poulan riding mower parts diagram complete with the description of the image, please find the image you need.

Poulan 961380017 - 96138001705 (2012-05) Walk Behind Mower

Poulan 961380017 - 96138001705 (2012-05) Walk Behind Mower

Poulan Pro Riding Mowers Parts with Diagrams - PartsTree Poulan Pro Riding Mowers Parts Lookup & Diagrams Poulan Pro Riding Mowers Parts Lookup & Diagrams Poulan Pro Riding Mowers ( 506 Models ) BB 18542 LT (960120027-00) - Poulan Pro Lawn Tractor (2005) ... CO 17542 LT (960120075-00) - Poulan Pro Lawn Tractor (2007-02) Next 10. This model has more than one variation. Select one: The Right Parts ...

Poulan PP155G42 96042018300 (2015-07) Riding Mower

Poulan PP155G42 96042018300 (2015-07) Riding Mower

Poulan PR65N22SHB gas walk-behind mower parts | Sears ... Here are the diagrams and repair parts for Poulan PR65N22SHB rotary lawn mower, as well as links to manuals and error code tables, if available. There are a couple of ways to find the part or diagram you need: Click a diagram to see the parts shown on that diagram. In the search box below, enter all or part of the part number or the part's name.

Poulan Pro Pp175g42 Battery Discount, 55% OFF | tercesa.com

Poulan Pro Pp175g42 Battery Discount, 55% OFF | tercesa.com

Poulan P160RWD - 96764560100 (2016-09) Parts Diagrams Poulan P160RWD - 96764560100 (2016-09) Parts Diagrams SWIPE SWIPE ENGINE HANDLE MOWER DECK / CUTTING DECK JavaScript Disabled - Unable to show Cart Parts Lookup - Enter a part number or partial description to search for parts within this model. There are (81) parts used by this model. Found on Diagram: ENGINE 000000000 No Longer Available 532125078

Poulan Pro PB 17542LT (960120125-01) - Poulan Pro Lawn ...

Poulan Pro PB 17542LT (960120125-01) - Poulan Pro Lawn ...

Poulan Parts - Lawnmower Pros If you do not see the Poulan Part you need, please complete the Lawn Mower Parts Request Form and we will be happy to assist you. Poulan Illustrated Parts Diagrams Poulan Air Filter Covers Poulan Air Filters Poulan Anti-Vibration Mounts Poulan ATP Fuses Poulan Bar Nuts Poulan Base Gasket Poulan Battery Poulan Battery Cable Assembly Poulan

Poulan PR550N21RH3 | Parts Diagram - Page 1

Poulan PR550N21RH3 | Parts Diagram - Page 1

Poulan Pro Riding Mower Wiring Diagram - schematron.org poulan pro lawn mower wiring diagram furthermore stihl engine parts diagram html along with 5 hp briggs and stratton engine diagram along with sabre lawn mower belt diagram along with 3y83a wiring diagram craftsman riding lawn mower need one in addition kohler ignition wiring furthermore john deere mower deck belt diagram moreover briggs stratton …

Poulan Pro Riding Lawn Mower Parts Deals, 58% OFF | www.geb.cat

Poulan Pro Riding Lawn Mower Parts Deals, 58% OFF | www.geb.cat

Lawn Mower Parts & Accessories - Poulan Pro Lawn Mower Parts & Accessories | Poulan Pro Lawn Mower Parts & Accessories Lawn Mower Blades Find replacement blades or additional blades to enhance your mower. View large image 20" High Lift Blade View large image 21" 3-n-1 Blade View large image 21" Eliminator Blade View large image 22" Eliminator Blade View large image 21" 3-in-1 Blade

Poulan / Weed Eater Rasenmäher XE735AR - Poulan Pro Walk ...

Poulan / Weed Eater Rasenmäher XE735AR - Poulan Pro Walk ...

PDF Illustrated Parts List Rotary Lawn Mower Model Number ... POULAN PRO 3 ROTARY LAWN MOWER - MODEL NUMBER PR550N21R3 (MFG. ID. NO. 96132010101) 29 532 41 05-94 Wheel Adjusting Bracket 30 532 40 16-29 Spacer 31 532 16 57-60 Discharge Deflector 32 532 41 08-88 Selector Spring, Rear 33 532 08 78-77 Selector Knob 34 532 41 08-90 Axle Arm Assembly, Rear 35 532 42 65-89 Locknut, Hex 5/16-18 36 532 40 16-38 ...

Auto Express New Carburetor Fits Poulan Pro, Pro XT Lawnmower w/Briggs &  Stratton Intek Motor

Auto Express New Carburetor Fits Poulan Pro, Pro XT Lawnmower w/Briggs & Stratton Intek Motor

Poulan PXT22 (96116000800) gas walk-behind mower parts ... Poulan PXT22 (96116000800) gas walk-behind mower parts - manufacturer-approved parts for a proper fit every time! We also have installation guides, diagrams and manuals to help you along the way!

SOLVED: I need a wiring diagram for a poulan mower model - Fixya

SOLVED: I need a wiring diagram for a poulan mower model - Fixya

Poulan Riding Lawn Mower Parts Diagram | Home Improvement Poulan Illustrated Parts Diagrams available online from Lawn Mower Pros.. . 2010. POULAN PRO, RIDING MOWER, 7227549 - PB195H42LT, Parts List. Shop for Poulan Lawn Mower parts today, from 532087877 to 873800500! Find genuine. 380ZX. Ride -On Mower · 541ZX-. We recommend you refer to model specific diagrams for appropriate uses and applications.

Poulan PP105G30 96022002701 (2016-08) Riding Mower

Poulan PP105G30 96022002701 (2016-08) Riding Mower

Drive Belt Diagram For Poulan Riding Mower - schematron.org The mower blade drive belt may be replaced without tools. Park the tractor on level surface. Engage.Page To Replace Mower Drive Belt. SERVICE AND ADJUSTMENTS TO REPLACE MOWER DRIVE BELT (See Fig. 26) MOWER DRIVE BELT REMOVAL • Park tractor on a level surface. En gage parking brake. • Lower attachment lift lever to its lowest position.

Poulan Pro Mower Parts Hotsell, 54% OFF | www.geb.cat

Poulan Pro Mower Parts Hotsell, 54% OFF | www.geb.cat

Poulan PP12538 Tractor Parts Diagram for MOWER ... Poulan PP12538 Tractor MOWER Exploded View parts lookup by model. Complete exploded views of all the major ... Lawn Mower Spindle Assembly (Includes Key No.

Poulan LO45N22SA Rotary Lawn Mower Owner's Manual | Manualzz

Poulan LO45N22SA Rotary Lawn Mower Owner's Manual | Manualzz

Poulan Walk Behind Lawn Mower | PR550Y22SHP ... Poulan PR550Y22SHP Walk Behind Lawn Mower Parts We Sell Only Genuine Poulan Parts Hex Flange Locknut $5.09 Add to Cart Hex Head Screw $5.09 Add to Cart Lock Washer $3.81 Add to Cart Hardened Washer $5.09 Add to Cart Handle Knob $3.81 Add to Cart E-Ring $3.81 Add to Cart Handle Bolt $3.81 Add to Cart Rear Skirt $12.74 Add to Cart Search within model

Poulan Xt Riding Mower Parts Flash Sales, 56% OFF | tercesa.com

Poulan Xt Riding Mower Parts Flash Sales, 56% OFF | tercesa.com

42

42" Deck Rebuild Kit Poulan Pro PP19A42 XT195H42LT

Poulan Pro Riding Mowers PP19A42

Poulan Pro Riding Mowers PP19A42

Poulan / Weed Eater Rasenmäher PP730SC - Poulan Pro Walk ...

Poulan / Weed Eater Rasenmäher PP730SC - Poulan Pro Walk ...

Poulan / Weed Eater PP751HW - Poulan Pro Walk-Behind Mower ...

Poulan / Weed Eater PP751HW - Poulan Pro Walk-Behind Mower ...

Poulan Lawn Tractor | PXT195G42 | eReplacementParts.com

Poulan Lawn Tractor | PXT195G42 | eReplacementParts.com

POULAN PRO PRO PBGT26H54 REPAIR PARTS MANUAL Pdf Download ...

POULAN PRO PRO PBGT26H54 REPAIR PARTS MANUAL Pdf Download ...

Poulan XE750HWAR Mower Parts Diagrams

Poulan XE750HWAR Mower Parts Diagrams

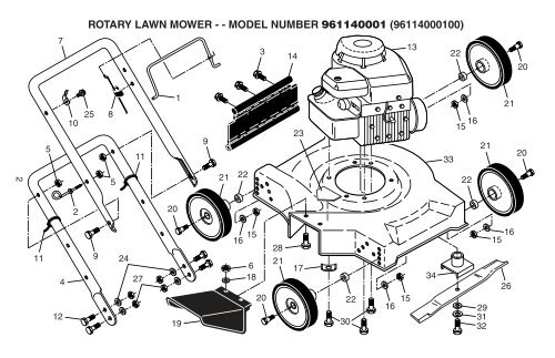
rotary lawn mower - - model number 961140001 ... - Poulan

rotary lawn mower - - model number 961140001 ... - Poulan

Poulan Pro PP1053ES Snow Thrower Owner's Manual

Poulan Pro PP1053ES Snow Thrower Owner's Manual

OAKTEN Spindle Assembly for AYP Craftsman Husqarna Poulan 137645, 130794,  532130794 30-130794

OAKTEN Spindle Assembly for AYP Craftsman Husqarna Poulan 137645, 130794, 532130794 30-130794

Poulan PRO PB301 Briggs & Stratton 30 in. 10.5 HP 4-Speed ...

Poulan PRO PB301 Briggs & Stratton 30 in. 10.5 HP 4-Speed ...

Poulan PR625Y22RHP - 96142012701 (2015-02) Parts Diagrams

Poulan PR625Y22RHP - 96142012701 (2015-02) Parts Diagrams

Poulan Lawn Mower PB195H42LT User Guide | ManualsOnline.com

Poulan Lawn Mower PB195H42LT User Guide | ManualsOnline.com

Poulan PR500N21SH - 96112012403 (2014-02) Parts Diagrams

Poulan PR500N21SH - 96112012403 (2014-02) Parts Diagrams

Poulan Pro PR46BT SN 967086901 parts manual

Poulan Pro PR46BT SN 967086901 parts manual

Poulan Pro 42 Deck Parts Best Sale, UP TO 64% OFF | www ...

Poulan Pro 42 Deck Parts Best Sale, UP TO 64% OFF | www ...

Poulan Push Mower Parts Store, 58% OFF | www.simbolics.cat

Poulan Push Mower Parts Store, 58% OFF | www.simbolics.cat

0 Response to "38 poulan lawn mower parts diagram"

Post a Comment

Iklan Atas Artikel

Iklan Tengah Artikel 1

Iklan Tengah Artikel 2

Iklan Bawah Artikel