36 ford 3910 tractor parts diagram
Ford 3910 Wiring Diagram. Try this ford switch wiring diagram - c0dce50a-f61acb 9d8de Ford Tractor Wiring Diagram SSB Farm Tractor. November 3rd, - Dwayne I m working on a for a friend that has had a few. The instrument cluster on my tractor burnt. I replaced the cluster but not the harness. Dose anyone have a wiring diagram to help me out. Some of the parts available for your Ford | New Holland 3910 include Air Conditioning, Clutch, Transmission, ... Ford 3910 Industrial Tractor Parts Manual.
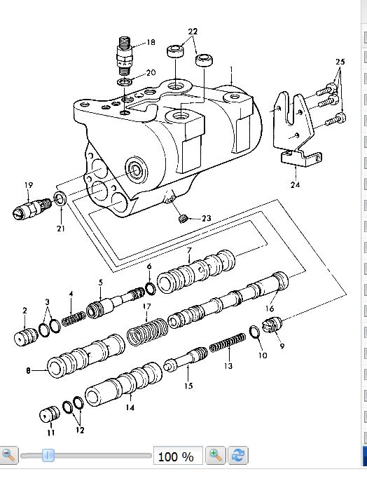
Ford 3910 Parts found in: I & T Shop Service Manual, Double Spool Double Acting Hydraulic Remote Valve Kit, 8 Speed Transmission Shift Pattern Decal, ...

Ford 3910 tractor parts diagram
ford 3000 tractor parts diagram is among the most pictures we located on the web from reliable sources. We choose to explore this ford 3000 tractor parts diagram picture in this article just because according to facts coming from Google engine, It is one of the best queries key word on google. And that we also feel you The ford 3910 was designed as an all purpose utility tractor. Ford 3000 tractor parts diagram is among the most pictures we located on the web from reliable sources. All of our new rebuilt and used parts come with a 1 year warranty. The 3910 ford tractor was manufactured from 1983 to 1990. We want to help you find your Ford Tractor Parts! If you have questions or need help finding your part call our Parts Helpline. 1-866-441-8193 Parts Helpline. -Online Parts Store Helpline Hours - Weekdays 8:00 am - 5:00 pm and Saturday 8:00 am - 12:00 pm Central Time. Ford Tractor Parts Lookup / Parts Catalog by model number.
Ford 3910 tractor parts diagram. We carry a large selection of Ford-New Holland 3910 Tractor PTO Parts - Tractor Parts. With easy online ordering and same day shipping. All of our parts for sale are new, aftermarket parts unless specified otherwise in the description. Our experienced and friendly sales staff are available to help with any of your Ford 2910 tractor parts and engine parts needs. Call our toll-free customer support line today if you have any questions. 1-800-853-2651, available Monday - Friday, 7 ... Cav injection pump code. Diesel injectors work similarly to gasoline injectors, but the injector pump is timed with the camshaft and supplies fuel differently than a gasoline inje 3910. Worthington Ag Parts is your home for new, used, and rebuilt tractor parts. We stock a broad selection of parts for your Ford-New Holland® 3910 ...
Your results for products within tractor model Ford New Holland - 10 Series - 3910 ... Massey Ferguson Fuel Filter Stud Assembly. Fuel Filter Stud Assembly. Results 1 - 12 of 736 — 3910 Hood Decal Set Blue/White fits Ford 3910 ASAP Item No. ... Air Filter - Inner fits Ford 2810 4600 2910 5110 335 2310 4130 3910 ... All of our parts for sale are new, aftermarket parts unless specified otherwise in the description. Our experienced and friendly sales staff are available to help with any of your Ford 3910 tractor parts and engine parts needs. Call our toll-free customer support line today if you have any questions. 1-800-853-2651, available Monday - Friday, 7 ... Complete Factory Illustrated Parts List Manual Ford 3910 AG Tractor . Manual Include detailed illustrations, exploded views, part number identification, ...Size: 7.225 MbFormat: PDFUS$29.95 · In stock
The Ford/New Holland 3910 Tractor was manufactured between 1983 and 1989. Regardless of whether you initially got a deal on your tractor (lower than the initial price of $16,200 (1989)), with TractorJoe you'll get the best deal on the spare parts you need. 3910 Ford Tractor Parts - Specs. Narrow your search for 3910 Ford Tractor Parts by selecting categories on the left.. The 3910 Ford Tractor was manufactured from 1983 to 1990. The Ford 3910 was designed as an all purpose utility tractor.The Ford 3910 was powered by a 50 hp 3.1L 3-cyl diesel engine.. The serial number for the Ford 3910 Tractor is located on the right front of the transmission ... FORD 10 SERIES TRACTORS PARTS MANUAL CATALOG. Complete Parts Manual. This parts manual includes This comprehensive manual includes. Easily Find all Parts ...Part Type: Parts Catalog ManualModel Year: All Years Ford 3910 tractor parts diagram. 3910 ford tractor parts. If the part you need is not listed online please call toll free 877 530 4430. All of our new rebuilt and used parts come with a 1 year warranty. Every attempt is made to ensure the data listed is accurate. We carry new rebuilt and used ford 3910 tractor parts.
We want to help you find your Ford Tractor Parts! If you have questions or need help finding your part call our Parts Helpline. 1-866-441-8193 Parts Helpline. -Online Parts Store Helpline Hours - Weekdays 8:00 am - 5:00 pm and Saturday 8:00 am - 12:00 pm Central Time. Ford Tractor Parts Lookup / Parts Catalog by model number.
The ford 3910 was designed as an all purpose utility tractor. Ford 3000 tractor parts diagram is among the most pictures we located on the web from reliable sources. All of our new rebuilt and used parts come with a 1 year warranty. The 3910 ford tractor was manufactured from 1983 to 1990.
ford 3000 tractor parts diagram is among the most pictures we located on the web from reliable sources. We choose to explore this ford 3000 tractor parts diagram picture in this article just because according to facts coming from Google engine, It is one of the best queries key word on google. And that we also feel you
Ford 2600 3600 4100 4600 5600 6600 6700 7600 And 7700 Tractors Complete Service Manual Farm Manuals Fast
Ford New Holland 2810 2910 3910 Tractor Service Repair Shop Workshop Manual Fo43 Manuals Literature Automotive Jeannedarc Sainteagnes Fr
0 Response to "36 ford 3910 tractor parts diagram"
Post a Comment