35 alltrax controller wiring diagram
Fairplay Wiring Diagram 2006-2007 With Alltrax Controller. Author. HotRodCarts. Creation date. Apr 26, 2020. Overview Discussion. Fairplay Wiring Diagram 2006-2007 With Alltrax Controller - Wiring Diagram fo 2007-2007 Fairplay with Alltrax Controller. 2006-2007 Fairplay... You do not have permission to view the full content of this resource. CONTROLLER. RATING. 300A. 300A OR 400A ... ALLTRAX RESERVES THE RIGHT TO CHANGE DOCUMENTATION. WITHOUT NOTICE ... Wiring Diagram. SIZE DOCUMENT NO.1 page
EPODUCED, EEST, OR ONSCLOSED. IN WHOLE OR PART WITHOUT SIDEN. PESSION OF ALLTRAX INC. TITLE. XCT to CLUB CAR 1Q/12/EXCELL. Title Block-Altro. Wiring Diagram.1 page

Alltrax controller wiring diagram
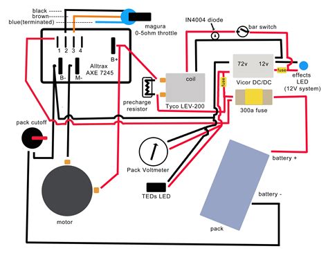
Read electrical wiring diagrams from negative to positive in addition to redraw the routine like a straight collection. All circuits are usually the same – voltage, ground, single component, and switches. Alltrax Controller Wiring Diagram Source: alltraxinc.com. Alltrax Controller Wiring Diagram Source: evmc2.files.wordpress.com. Wiring Controller Min. Wire AWG Standard Duty Min. Wire AWG Heavy Duty 200/300A OEM -6 AWG 4 AWG 400A 4 AWG 2 AWG 500A 2 AWG 1/0 AWG power Wiring When running wiring for the vehicle care must be taken for proper wire routing. Power wiring should be of proper sizing and ran as low in the framework of the vehicle as practical. Lengths of power When working on wiring or batteries, always remove ... Alltrax Inc's lines of Series and Shunt Motor Controllers are ... Diagram: Fuse terminal hardware.32 pages
Alltrax controller wiring diagram. GE Series Controller Manual & Wiring. Series Controller Installation; Club Car Wiring. CC Wiring 1992-1994; CC Wiring 1992-1994 With Plug Bar; CC Wiring 1995-1997 2 Wire Accelerator; CC Wiring 1995-1997 3 Wire Accelerator; CC Wiring 1998 – 2002 3 Wire Accelerator; EZ-GO Wiring. EZ-GO Wiring 1989 – 1993 With Plug Bar; EZ-GO Wiring 1989 -1993 CRIMP 1/4" FEMALE SPADE TO WIRES, CONNECT TO SR AS SHOWN ... CONNECT LARGE WIRES TO CONTROLLER AS FOLLOWS: ... SR to Yahama G8, G9, G14, G16. Wiring Diagram.1 page DCX Wiring Diagram: An example of the inputs The DCX has a 10 pin connector and some adapters to the various car wiring. ALLTRAX INC. . Thank You for purchasing the Alltrax motor controller. Please follow the Recommended Controller Wiring System document in this.Dec 30, · Alltrax SR Wiring Jamie, I am getting ready to get the same controller ... Alltrax SR controllers come equipped with a User Input tab to switch between 2 different personality profiles. The User Mode can be activated by a simple toggle switch (see drawings for wiring). User personality profile are programmed via the Alltrax Toolkit software. Adjustable settings include: • Max Motor Amps • Max Battery Amps
When working on wiring or batteries, always remove ... alltrax XCT performance controllers have programming that ... diagram: fuse terminal hardware.35 pages PRODUCT BULLETINS. Product Bulletin 01 – USB to Serial Adapter Windows-Vista. Revision A, 3/01/2007. Download Bulletin. Product Bulletin 02 – DCX Controllers Beeping once after throttle off event. Revision A, 8/28/2008. Download Bulletin. Product Bulletin 04 – ClubCar i2 Cart and Alltrax Controllers. DCX Wiring Diagram: An example of the inputs and outputs are shown. Click on the image to enlarge. This diagram is very generic example, please see the documentation page for the many various configurations this product can be used in. VISIT DOCUMENTATION PAGE . Each car may use a particular connector. DIODE NOT SHOWN ON ORIGINAL SCHEMATIC ... CRIMP 1/4" FEMALE SPADE TO WIRES, CONNECT TO AXE AS SHOWN ... CONNECT LARGE WIRES TO CONTROLLER AS FOLLOWS:.1 page
CHARGER WIRES. BAWG or LARGER ... ALLTRAX RESERVES THE RIGHT TO CHANGE DOCUMENTATION. WITHOUT NOTICE ... Wiring Diagram. SIZE DOCUMENT NO.1 page Doc100-033-A_DWG-Controller-Program-Diagram.pdf . How to perform a diode check on the DCX/NCX controller Doc120-042-C_TN006-Diode-Checking-DCX-Controllers.pdf . Alltrax SR Controller Throttle Wiring Diagram DOC110-045-C_DWG-SR-THROTLE-WIRING-PAGE-1-2-DIA. Alltrax SR/XCT Log File Instructions Alltrax SR/XCT Log File Instructions Alltrax Controller Wiring Diagram - A block diagram shows a innovative level (or organizational layout) of on the go units in a circuit (or a device, machine, or amassing of these). It is intended to affect data flow or running in the midst of separate units of function. A block diagram gives you an overview of the interconnected flora and. When working on wiring or batteries, always remove ... Alltrax Inc's lines of Series and Shunt Motor Controllers are ... Diagram: Fuse terminal hardware.32 pages
Wiring Controller Min. Wire AWG Standard Duty Min. Wire AWG Heavy Duty 200/300A OEM -6 AWG 4 AWG 400A 4 AWG 2 AWG 500A 2 AWG 1/0 AWG power Wiring When running wiring for the vehicle care must be taken for proper wire routing. Power wiring should be of proper sizing and ran as low in the framework of the vehicle as practical. Lengths of power
Read electrical wiring diagrams from negative to positive in addition to redraw the routine like a straight collection. All circuits are usually the same – voltage, ground, single component, and switches. Alltrax Controller Wiring Diagram Source: alltraxinc.com. Alltrax Controller Wiring Diagram Source: evmc2.files.wordpress.com.
Gas Ezgo Wiring Diagram Ezgo Golf Cart Wiring Diagram E Z Go Wiring Diagram Gas Txt Medalist Gas Golf Carts Ezgo Golf Cart Golf Cart Repair
Alltrax General Schematics Wire Diagrams High Speed Performance Electric Golf Cart Motors Motor Controllers
0 Response to "35 alltrax controller wiring diagram"
Post a Comment