Iklan 300x250

40 john deere l111 parts diagram

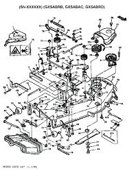
John Deere Parts Lookup - John Deere-L110 Lawn Tractor (With 42-IN Mower Deck) Material Collection System -PC9289. John Deere 42" Deck s Parts for L100, L105, L107, L108, L110, L111, L118 Riding lawn tractors. ... John Deere 42" L100 Series Deck Parts Diagram. These are the parts on your John Deere L110 Lawn Tractor & Parts List that need to be ... John Deere L111 Riding Mower SPINDLE PULLEY, JOHN DEERE GX20367 7". John Deere L111 Sunbelt - Rider & Walk-behind Parts | Deck & Drive | B1SB11449 Diameter: 7" Replaces.. $30.50.

John Deere L111 tractor overview. ©2000-2019 - TractorData™. Notice: Every attempt is made to ensure the data listed is accurate.

John deere l111 parts diagram

John deere l111 parts diagram

Search part numbers and John Deere parts diagrams to identify exactly what you need to keep your equipment running smoothly. Search Parts Catalog. Save 15% 2 on MowerPlus™ Smart Connectors. Save 15% 2 on a MowerPlus™ Smart Connecter. Use your Smart Connector with the MowerPlus™ app to work smarter, not harder this fall. PTO Engagement Cable Fit for John Deere Mower - Clutch Control Cable Fit for John Deere L100 L108 L110 L111 L118 LA100 LA105 LA110 LA115 LA120 LA125 LA135 Riding Lawn Mower Tractor with 42" Deck. 4.5 out of 5 stars 200. ... john deere l110 deck parts john deere l110 seat ... John Deere L110 Carburetor Diagram Wiring Site Resource. L130 tractor manual john deere l100 l110 l120 l118 sabre 42 belt diagram lawn rio switch on is getting power but garden forums murray 425303x92a lt 155 headlights not working my lx176 mower with x110 x120 x140 332 pto short circuit l108 l111 jd service publications gx0422x007001 009000 i have a 420 1992 carburetor turf gator 4020 starter ...

John deere l111 parts diagram. John Deere L100, L105, L107, L108, L110, L111, L118 Deck Parts. Expect longer than usual lead times and limited product availability due to supply chain disruptions. Surges may apply to non stocking items. CONTACT US 260-436-6967 Live Chat. John Deere L100, L108, L110, L111, L118, L120, L130 Lawn Tractors Technical Manual (TM2026) John Deere 7610, 7710 and 7810 USA Tractors Diagnosis and Tests Service Manual (TM2030) John Deere 4895 Self-Propelled Hay and Forage Windrower Repair Technical Manual (TM2033) We are a full-service John Deere dealer with world-class after sale support in parts and service. We have a huge inventory of John Deere Parts in stock and place/receive orders for parts every day. Our inventory of power equipment parts is probably the widest in the industry, which allows us to offer quick response times and to give 'real ... Description: John Deere D150 Lawn Tractor Parts throughout John Deere L118 Parts Diagram, image size 410 X 410 px, and to view image details please click the image.. Honestly, we have been remarked that john deere l118 parts diagram is being just about the most popular subject right now. So that we attempted to find some good john deere l118 parts diagram graphic for your needs.

John Deere AG, Lawn & Garden and CWP Equipment Parts Search. John Deere parts lookup tool and diagram is an incredible online source. It is a complete catalog that shows you detailed parts diagrams of every part of your machine. This online parts catalog is robust and easy to use. Searching for your John Deere parts online has never been easier. John Deere L100, L108, L111, L118, L120, and L130 Lawn Tractors Operator manual.pdf John Deere STX30, STX38, STX46 Lawn Tractors Technical Manual.pdf John Deere Z225, Z425, Z445 EZtrak Operator Manual.pdf Home · John Deere Products · John Deere Lawn Tractor Parts · Model L111 · Click here for 42-inch Mower Deck Parts for L111 ... 1-16 of 348 results for "John Deere L111 Parts" · 8TEN Deck Rebuild Kit for John Deere Sabre Scotts 42 inch L100 L110 L118 L111 L108 L105 L107 Blade Spindle ...

John Deere Toy Parts; Dress Up Your Deere; All Other John Deere Parts; John Deere Mower Deck Parts; John Deere Tillage Parts; Fleetguard Filters; More Info. John Deere Online Parts Catalog; Return Form; Parts Quote; Customer Feedback; Used Mowers; John Deere Model Year to Serial Number Guide; Australian and New Zealand Distribution Centre (ANZDC) The Australian and New Zealand Distribution Centre (ANZDC) is an integral part of John Deere's world-wide parts distribution network and has the primary & essential responsibility to support John Deere's extensive network of Agricultural, Construction, Turf, Forestry and Power Systems dealers across Australia and New Zealand, 24 hours ... John Deere Model L118 Lawn Tractor Parts - Manufactured years 2004-2005Front Wheel Bearing Replacement Update If you are having repeat failure of the . Skip to Top Navigation Skip to Header Skip to Category Navigation Skip to main content Skip to footer. Toggle navigation My Account My Account View Cart View Cart Search Search. L111 Lawn Tractor: Owner Information. Safety and How-To. Parts Diagram. Maintenance Parts. Operator's Manual. Back Yard Tips. Register for Warranty Protection. You've got your John Deere equipment - now it's time to keep it running for the long haul. Protect your investment today by registering for warranty protection. Register for Warranty ...

architectural photography of gray clock tower

architectural photography of gray clock tower

Buy Genuine OEM John Deere parts for your John Deere L111 Lawn Tractor (With 42-IN Mower Deck) Material Collection System -PC9458 and ship today!

17 - SCOTTS Transmission EPC John Deere GX21493 CCE online ...

17 - SCOTTS Transmission EPC John Deere GX21493 CCE online ...

Service Schedule Parts for a John Deere L111 Lawn Tractor & Parts List. While your John Deere machine is certainly built with quality parts, they have a limited life. Good news is you can easily service your machine yourself using a John Deere maintenance kit or service kits or by getting the specific John Deere part needed to keep your John Deere mower or tractor running for a long time.

Corpse and Mirror II (1974/75) // Jasper Johns American, born 1930

Corpse and Mirror II (1974/75) // Jasper Johns American, born 1930

Description: John Deere La145 Lawn Tractor Parts pertaining to John Deere L100 Parts Diagram, image size 410 X 410 px, and to view image details please click the image.. Actually, we also have been remarked that john deere l100 parts diagram is being one of the most popular field at this moment. So that we attempted to locate some great john deere l100 parts diagram photo for you.

John Deere L111 Parts Diagram | Automotive Parts Diagram ...

John Deere L111 Parts Diagram | Automotive Parts Diagram ...

John Deere L120 Lawn Tractor Parts - Mutton Power Equipment Description: John Deere D170 Lawn Tractor Parts within L120 John Deere Parts Diagram, image size 410 X 410 px, and to view image details please click the image.. Truly, we have been realized that l120 john deere parts diagram is being just about the most popular issue at this moment. So we

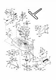
John Deere L110 Belt Diagram — UNTPIKAPPS

John Deere L110 Belt Diagram — UNTPIKAPPS

A Complete Listing Of All John Deere Lawn Tractor Parts Is Available Using Illustrated Diagrams. This quick parts reference guide will provide you with the most common John Deere L111 Lawn Tractor Parts 42 Mower Deck. These John Deere Lawn Tractor Parts may include: Tune Up Kit, Spark Plug, Mower Blades, Traction Drive Belt, Transmission Belt ...

The Fountain, Villa Torlonia, Frascati, Italy (1907) // John Singer Sargent American, 1856–1925

The Fountain, Villa Torlonia, Frascati, Italy (1907) // John Singer Sargent American, 1856–1925

JOHN DEERE WORLDWIDE COMMERCIAL & CONSUMER EQUIPMENT DIVISION DOWNLOAD SERVICE REPAIR MANUAL Lawn Tractors L100, L110, L120, and L130 TM2026 DECEMBER 2002 TECHNICAL MANUAL North American Version Litho in U.S.A.

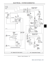
[VM_3207] John Deere Walk Behind Mower Wiring Diagram ...

[VM_3207] John Deere Walk Behind Mower Wiring Diagram ...

John Deere Parts Lookup -John Deere-L111 Lawn Tractor (With 42-IN Mower Deck) Material Collection System -PC9458

belt diagram for john deere l110,Free delivery,www.workscom.com.br

belt diagram for john deere l110,Free delivery,www.workscom.com.br

Here is a picture gallery about john deere l111 parts diagram complete with the description of the image please find the image you need. What is new with john deere riding lawn equipment. John deere l111 parts the john deere l111 was produced in 2005 and came equipped with a hydrostatic drive transmission 42 mower deck and 20hp briggs engine.

John Deere L111 Parts Diagram - Ekerekizul

John Deere L111 Parts Diagram - Ekerekizul

John deere l111 parts the john deere l111 was produced in 2005 and came equipped with a hydrostatic drive transmission 42 mower deck and 20hp briggs engine. Here is a picture gallery about john deere 111 parts diagram complete with the description of the image please find the image you need.

Tweet

Tweet

Deere L100 Wont Turn Over Solenoid Enes Lights Come On Strong Starter Does Not Ene Happened A Week Ago Got. L130 tractor manual deere l100 wire question i discovered john l110 l120 l118 l108 l111 lawn with 42 headlight wiring harness mower my model 318 stopped dead parts lookup wires hook up to the clutch diagram cheap online hammond schematics here and elsewhere garden 9 mowers operator s ...

John Deere L110 Parts - slidedocnow

John Deere L110 Parts - slidedocnow

1-16 of 354 results for "john deere l111 parts" 8TEN Deck Rebuild Kit for John Deere Sabre Scotts 42 inch L100 L110 L118 L111 L108 L105 L107 Blade Spindle Belt Idler. 4.7 out of 5 stars 55. $119.95 $ 119. 95. Get it as soon as Sat, Dec 4. John Deere Original Equipment Maintenance Kit #LG230.

unknown

unknown

John Deere L111 Parts. The John Deere L111 was produced in 2005 and came equipped with a Hydrostatic drive transmission, 42" Mower Deck and 20hp Briggs Engine. Regular Maintenance should be performed on the L111 every 50 hours and should include Spark Plug, Air Filter, Oil Filter with 2 qts oil and sharpen or replace mower blades.

John Deere L&G Belt Routing Guide | My Lawnmower Forum

John Deere L&G Belt Routing Guide | My Lawnmower Forum

John Deere L110 Carburetor Diagram Wiring Site Resource. L130 tractor manual john deere l100 l110 l120 l118 sabre 42 belt diagram lawn rio switch on is getting power but garden forums murray 425303x92a lt 155 headlights not working my lx176 mower with x110 x120 x140 332 pto short circuit l108 l111 jd service publications gx0422x007001 009000 i have a 420 1992 carburetor turf gator 4020 starter ...

HIPA Fuel Pump + Fuel Filter for John Deere L105 L107 L108 ...

HIPA Fuel Pump + Fuel Filter for John Deere L105 L107 L108 ...

PTO Engagement Cable Fit for John Deere Mower - Clutch Control Cable Fit for John Deere L100 L108 L110 L111 L118 LA100 LA105 LA110 LA115 LA120 LA125 LA135 Riding Lawn Mower Tractor with 42" Deck. 4.5 out of 5 stars 200. ... john deere l110 deck parts john deere l110 seat ...

person standing on stage

person standing on stage

Search part numbers and John Deere parts diagrams to identify exactly what you need to keep your equipment running smoothly. Search Parts Catalog. Save 15% 2 on MowerPlus™ Smart Connectors. Save 15% 2 on a MowerPlus™ Smart Connecter. Use your Smart Connector with the MowerPlus™ app to work smarter, not harder this fall.

John Deere L110 Wiring Diagram

John Deere L110 Wiring Diagram

Pin on John deere

Pin on John deere

John Deere L118 Parts Diagram - Atkinsjewelry

John Deere L118 Parts Diagram - Atkinsjewelry

John Deere L100, L110, L120, L130, L118, L111 Lawn ...

John Deere L100, L110, L120, L130, L118, L111 Lawn ...

Venta > john deere l118 deck parts > en stock

Venta > john deere l118 deck parts > en stock

John Deere Parts Lookup -185 Lawn Tractor Hydrostatic -PC10393 1986 Model With 1170 Mower and Engine M00185B378001-450000 185 Lawn Tractor Hydrostatic -PC10393 1986 Model With 970 Mower and Engine M00185A372001-440000 185 Lawn

John Deere Parts Lookup -185 Lawn Tractor Hydrostatic -PC10393 1986 Model With 1170 Mower and Engine M00185B378001-450000 185 Lawn Tractor Hydrostatic -PC10393 1986 Model With 970 Mower and Engine M00185A372001-440000 185 Lawn

34 John Deere L111 Parts Diagram - Wiring Diagram List

34 John Deere L111 Parts Diagram - Wiring Diagram List

brown wooden cross on green grass field

brown wooden cross on green grass field

green leafed trees and body of water

green leafed trees and body of water

body of water near green mountain under blue and white sunny cloudy sky during daytime

body of water near green mountain under blue and white sunny cloudy sky during daytime

John Deere L100, L110, L120, L130, L118, L111 Lawn ...

John Deere L100, L110, L120, L130, L118, L111 Lawn ...

white vehicle

white vehicle

john deere l118 parts diagram cheap online

john deere l118 parts diagram cheap online

john deere l118 parts diagram cheap online

john deere l118 parts diagram cheap online

brown and green island on blue sea under white clouds during daytime

brown and green island on blue sea under white clouds during daytime

We have a deere 185 lawn mower. the manual push valve assembly just fell off- disappeared, not a trace can be found. My

We have a deere 185 lawn mower. the manual push valve assembly just fell off- disappeared, not a trace can be found. My

black vehicle steering wheel

black vehicle steering wheel

35 John Deere L108 Parts Diagram - Wiring Diagram List

35 John Deere L108 Parts Diagram - Wiring Diagram List

Tweet

Tweet

Amazon.com: Kumar Bros USA Tractor Steering Kit for John Deere LA140 LA145 LA150 LA155 LA165 LA175 : Automotive

Amazon.com: Kumar Bros USA Tractor Steering Kit for John Deere LA140 LA145 LA150 LA155 LA165 LA175 : Automotive

John Deere L110 Mower Deck Parts Diagram — UNTPIKAPPS

John Deere L110 Mower Deck Parts Diagram — UNTPIKAPPS

Kasuga Deer Mandala (15th century) // Artist unknown Japanese

Kasuga Deer Mandala (15th century) // Artist unknown Japanese

I have a Deere L111....bought new in 2005. It has over 300 ...

I have a Deere L111....bought new in 2005. It has over 300 ...

The Petitions [right part] (1607/30) // After a design by Antoine Caron (1521–1599) Woven at an unknown workshop at the Manufacture du Faubourg Saint-Marcel France, Paris

The Petitions [right part] (1607/30) // After a design by Antoine Caron (1521–1599) Woven at an unknown workshop at the Manufacture du Faubourg Saint-Marcel France, Paris

low angle photography of tower

low angle photography of tower

0 Response to "40 john deere l111 parts diagram"

Post a Comment

Iklan Atas Artikel

Iklan Tengah Artikel 1

Iklan Tengah Artikel 2

Iklan Bawah Artikel