Iklan 300x250

40 wabco trailer abs wiring diagram

Trailer ABS with PLC; Maintenance Manual 33, Easy-Stop™ Trailer. ABS; and Parts Book ... trailer according to the following diagram. Figure 10. Figure 10.16 pages

Jan 30, 2019 · Wabco Trailer Abs Wiring Diagram – meritor trailer abs wiring diagram, wabco trailer abs ecu wiring diagram, wabco trailer abs module wiring diagram, Every electric arrangement is made up of various distinct parts. Each component ought to be set and linked to different parts in particular way.

Vor 2 Tagen · So we attempted to locate some good Freightliner Clic Wiring Diagrams Freightliner M2 Chassis Module Chassis module 2 connections to amu mod 877 without abs 3 connections to wabco abs ecu 4 connections to rear combo valves electrical harness overview obd 2013 ghg 14 page 4 body builder and trailer pdms 1 pdm for higher current. 50-degree …

Wabco trailer abs wiring diagram

Wabco trailer abs wiring diagram

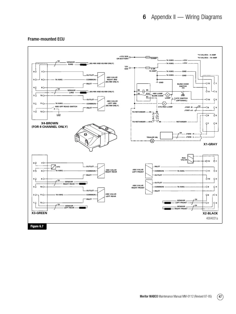
wabco. WABCO. TRAILER ABS. TRAILER ABS. TRAILER ABS. TRAILER ABS. Date: Name: Company: ... wabco page 11 notes: 6S/3M Wiring Diagram. IV. -. Inlet Valve.47 pages

Feb 19, 2019 · This Wabco Trailer Abs Wiring Diagram version is far more appropriate for sophisticated trailers and RVs. It may transfer electricity better hence the connector is recommended for higher-level electric in the auto. Here is the diagram for 7-pin connector. White Pin for the floor.

3.3 What Is WABCO's Enhanced Easy-Stop Trailer ABS? ... 5.2 Power Cable Wiring Diagrams . ... 9.5 Door Ajar System Troubleshooting – Trailer ABS .141 pages

Wabco trailer abs wiring diagram.

Mar 27, 2019 · Bendix Trailer Abs Wiring Diagram New Wabco Abs Wiring DiagramWabco Abs Wiring Diagram. Wiring Diagram includes many comprehensive illustrations that display the relationship of assorted products. It consists of guidelines and diagrams for various types of wiring methods and other things like lights, home windows, and so on.

ABS (Configuration Additioanl Axle, Engine Retarder Control, Rail Mode), Tire Size (Tire Size [RPM]), ATC (ATC Control, Traction Contorl Switch), ESP (Yaw Control, RSP, Steering Angle Sensor Orientation, Lateral Acceleration Sensor Orientation, Yaw Rate Sensor Orientation, Trailer Modulator, Air Bag), Broadcast (High Resoution Wheel Speed, Wheel Speed …

Trailer ABS applications, as used in Brazil for example. 1 Symbols used . ... shown in the wiring diagrams, see chapter 5.4.1 "Connecting to ISO 1185 or.58 pages

Additional requirements by the trailer manufacturers for easy installation and testing whilst maintaining the usual WABCO quality standard were among the ...48 pages

12 Feb 2010 — What Is Meritor WABCO's Enhanced Easy-Stop Trailer ABS? ... Enhanced Easy-Stop Installation Diagrams . ... Power Cable Wiring Diagrams .51 pages

8.1 Wiring Diagrams and Connectors ECU Connector Pin Assignments . ... and diagnostic information for WABCO Enhanced Easy-Stop™ Trailer ABS with Power Line ...158 pages

Jan 30, 2019 · Haldex Trailer Abs Wiring Diagram | Wiring Library – Wabco Trailer Abs Wiring Diagram. Wiring diagram also provides beneficial suggestions for assignments that might need some added tools. This e-book even includes suggestions for additional materials that you might want to be able to finish your projects. It’ll be in a position to provide ...

WABCO reserves the right to revise the information presented or to discontinue the production of parts described at any time. WABCO Maintenance Manual MM-1719 (Revised 08-18) About This Manual This manual provides maintenance procedures for WABCO’s Anti-Lock Braking System (ABS), Electronic Stability Control (ESC) and Hill Start Aid (HSA) using Modular Braking …

Tractor trailer air brake system diagram air brake 2018 freightliner cascadia with 156 inch ari legacy ii rbsd sleeper. eCascadia eM2. Air Brake Diagram HowStuffWorks. Freightliner makes a paint for this, and i will be coating mine with it here soon. 252-2021-10-16T00:00:00+00:01 Subject: Repair Manual For Freightliner Air Conditioned Systems Keywords: repair, manual, …

For an optional blunt-cut power cable: Wire the cable and ABS indicator lamp to the seven-way connector on the trailer according to the following diagram.40 pages

Wiring Diagram with a material number 9461351580 is available. Interested in another EBS Electronic ... ABS Trailer Control Valve · ABS Valve Package.

Unusual Freightliner Power Window Wiring Diagram Images Beautiful And Motor Trailer Wiring Diagram Windows Automotive Electrical Mar 22, 2019 · Freightliner Cascadia Fuse Box ~ thank you for visiting our site, this is images about freightliner cascadia fuse box posted by Maria Nieto in Freightliner category on Nov 03, You can also find other images like wiring diagram, parts …

ISO 7638 lead

Iso 7638 lead

C version ABS / ATC wiring diagram for frame-mounted ECU. 124Kb. Download. C2 version ABS / ATC wiring diagram for frame-mounted ECU . 92Kb. Download. Fig. Wabco D version ECU wiring diagrams. File size. File. D Basic version ECU. 96Kb. Download. D version cab-mounted ABS / ATC ECU. 144Kb. Download. D version frame-mounted ABS / ATC ECU. …

Semi Pigtail Wiring Diagram - MAYBRITHOHMANNIELSEN

Semi pigtail wiring diagram - maybrithohmannielsen

Mar 11, 2021 · Wabco Trailer Abs Wiring Diagram employs internet wiring to symbolize actual physical contacts inside a system. Internet Wiring Diagrams (VWD) is a type of pictorial display that will allow for folks to generate a wiring diagram of their system and never have to make bodily versions or drawings. This will make it quicker to imagine the wiring ...

Anti-Lock Braking System (ABS) for Trucks ... - Meritor WABCO

Anti-lock braking system (abs) for trucks ... - meritor wabco

4S/4M Universal ECU (Cab-mounted) with RSC.Wabco Trailer Abs Wiring Diagram ~ you are welcome to our site, this is images about wabco trailer abs wiring diagram posted by Ella Brouillard in Wabco category on Nov 24, You can also find other images like wiring diagram, parts diagram, replacement parts, electrical diagram, repair manuals, engine ...

Trailer ABS - St. Louis Truck Driveshafts, Suspensions ...

Trailer abs - st. louis truck driveshafts, suspensions ...

12.07.2017 · Dutchmen Travel Trailer Wiring Diagram Wiringdiagram Org Fleetwood Rv Wiring Diagram 1983 Chevy Wiring Diagram 2019 Thor Motor Coach Omni Super C Sv34 For Sale In Oahu Hi Cl A Motorhome Wiring Diagram Daily Update Wiring Diagram Thor Solar Panel Installation For Rvs Trailers Am Solar Class C Motorhome Thor Motor Coach What S The Deal …

Vz Commodore Engine Diagram Animation | Air brake, Diagram, Brake

Vz commodore engine diagram animation | air brake, diagram, brake

Modal semi trailer wiring diagram for 4S/3M and 6S/3M. Joined May 4, 2004 · 2 Posts . Location: Bucharest. Car Fuse Box Perodua Alza Alarm Power Window 230v Wiring Mira Perodua Kancil 850 Sensor Daihatsu Yrv Perodua Kenari Kancil 660 Perodua Kelisa Perodua Viva Wiring Daihatsu Mira Kereta Kancil. (6) a/c sw signal system the operating voltage of the …

Tractor Troubleshooting Guide - Meritor WABCO

Tractor troubleshooting guide - meritor wabco

Nov 27, 2021 · This Wabco Abs Trailer Wiring Diagram version is far more acceptable for sophisticated trailers and RVs. It may transfer power better therefore the connector is recommended for higher-level electric in the vehicle. Here is the diagram for 7-pin connector. White Pin to your ground.

Pre-Pro Assembly: Systems for commercial trailers

Pre-pro assembly: systems for commercial trailers

ea abs control wabco 41 eb suspension ecu 6x2 42 ec abs control bendix 43 ... ma trailer cable 93 mb trailer cable options 94 mc trailer cables options 95 md center pin hot 96 na spare switches and auxsw-6 option 97 nb spare switches - auxs-8bb 98 nc spare switches - bbm-pk16 99 xa diagnostics 1/4 (dl4-j1587 & dl2-j2284) 100 xb diagnostics 2/4 (cab dl1 - j1939) 101 xc …

Wabco E Version ECU (Frame) | PDF | Anti Lock Braking System ...

Wabco e version ecu (frame) | pdf | anti lock braking system ...

T660 Wiring Diagram | Wiring Diagram – Kenworth Wiring Diagram Pdf kenworth t800 cecu wiring t880 wiring schematics 2020 kenworth fuses location kenworth diagnostics wiring kenworth t370 fuse panel… 2006 Kenworth W900 (Stock #KW-0418-45) Kenworth W900 to abs, chassis wiring harness, ECM module also available USED CAB FUSE PANEL BOX. Net. …

ECU wiring diagrams

Ecu wiring diagrams

BENDIX BW2187 User's Manual | Manualzz

Bendix bw2187 user's manual | manualzz

Easy-Stop TM Trailer ABS - PDF Free Download

Easy-stop tm trailer abs - pdf free download

Installation Guide

Installation guide

Wabco VCS version ECU Blink Code Lamp

Wabco vcs version ecu blink code lamp

Wabco D Basic ECU - [PDF Document]

Wabco d basic ecu - [pdf document]

TP19039

Tp19039

WABCO 4801020640 EBS-Trailer Modulator 24V

Wabco 4801020640 ebs-trailer modulator 24v

Wabco D Basic ECU | PDF

Wabco d basic ecu | pdf

Hino Wabco Retarder Relay : Relay Valve Package Wabco Catalog ...

Hino wabco retarder relay : relay valve package wabco catalog ...

WIRING DIAGRAM INDEX - Mack Trucks TRANSMISSION CONTROL 5TH ...

Wiring diagram index - mack trucks transmission control 5th ...

Kenworth Wabco Abs 4s 4m Wiring Schematics Manual by ...

Kenworth wabco abs 4s 4m wiring schematics manual by ...

Mercedes-Benz Actros Abs, Actros Ebs Schematic wiring diagram

Mercedes-benz actros abs, actros ebs schematic wiring diagram

Wabco VCS II version ECU Blink Code Lamp

Wabco vcs ii version ecu blink code lamp

Meritor Wabco Trailer ABS TP-20214 Installation Guide | Auto ...

Meritor wabco trailer abs tp-20214 installation guide | auto ...

Kenworth Wabco Abs 4s 4m Wiring Schematics Manual - DOWNLOAD ...

Kenworth wabco abs 4s 4m wiring schematics manual - download ...

ABS Troubleshooting for Trucks, Trailers, and Buses

Abs troubleshooting for trucks, trailers, and buses

Enhanced Easy-Stop TM Trailer ABS with PLC - PDF Free Download

Enhanced easy-stop tm trailer abs with plc - pdf free download

Ecu schematic diagram diagram base website schematic diagram

Ecu schematic diagram diagram base website schematic diagram

ABS-Training

Abs-training

TEBS E System Description

Tebs e system description

WABCO IABS 2S/1M STANDARD MAINTENANCE MANUAL Pdf Download ...

Wabco iabs 2s/1m standard maintenance manual pdf download ...

Enhanced Easy-StopTM with PLC Trailer ABS ... - Meritor WABCO

Enhanced easy-stoptm with plc trailer abs ... - meritor wabco

Vz Commodore Engine Diagram Animation | Air brake, Diagram, Brake

Vz commodore engine diagram animation | air brake, diagram, brake

Air Brake Troubleshooting Guide tp9973 | PDF | Valve | Anti ...

Air brake troubleshooting guide tp9973 | pdf | valve | anti ...

Meritor Wabco R955320,R955321 Trailer ABS Installation Guide ...

Meritor wabco r955320,r955321 trailer abs installation guide ...

TRAILER iABS 2S/2M, 4S/2M AND 4S/3M

Trailer iabs 2s/2m, 4s/2m and 4s/3m

Tractor Troubleshooting Guide

Tractor troubleshooting guide

Pre-Pro Assembly: Systems for commercial trailers

Pre-pro assembly: systems for commercial trailers

WABCO ABS CAR SPARE MAINTENANCE MANUAL | ManualsLib

Wabco abs car spare maintenance manual | manualslib

Catalogo Abs Meritor Wabco

Catalogo abs meritor wabco

0 Response to "40 wabco trailer abs wiring diagram"

Post a Comment

Iklan Atas Artikel

Iklan Tengah Artikel 1

Iklan Tengah Artikel 2

Iklan Bawah Artikel