Iklan 300x250

39 ansul r 102 wiring diagram

OWNER'S GUIDE R-102 RESTAURANT FIRE ... - Ansul 29 Nov 2018 — The fire suppression system is made up of components tested within limitations contained in the detailed installation manual. The system ... Ansul System Wiring Diagram - Wiring Diagram Ansul R 102 Wiring Diagram | Wiring Library - Ansul System Wiring Diagram Wiring Diagram includes many detailed illustrations that display the relationship of assorted products. It consists of guidelines and diagrams for various types of wiring strategies as well as other items like lights, home windows, and so forth.

Ansul Micro Switch Wiring Diagram - easywiring Ansul R 102 Wiring Diagram. The hood light wiring will also need to be wired to terminals as indicated on the installation diagram. Exhaust and supply fans are interlocked and fire suppression system activated supply fan s shut 1 or 3 phase power as required from breaker panel to.

Ansul r 102 wiring diagram

Ansul r 102 wiring diagram

ansul fire suppression system wiring diagram - DH-NX ... Ansul Fire Suppression System Wiring Diagram. ... and remodeling forum product detail systems maintenance installation inspection knight ii general information r 102 manual pdf manualslib pyro chem pcl 300 restaurant help micro switch that cuts off the fresh air solution checkfire 110 planning operation 4007es control panels extinguishers ... PDF R-102 Restaurant Fire Suppression Systems - Ansul The ANSUL® R-102 Restaurant Fire Suppression System is an automatic, pre-engineered, fire suppression system designed to protect areas associated with ventilating equipment includ-ing hoods, ducts, plenums, and filters. The system also protects auxiliary grease extraction equipment and cooking equipment Ansul R 102 Wiring Diagram - Facbooik for Ansul System ... Ansul R 102 Wiring Diagram - Facbooik for Ansul System Wiring Diagram by admin From the thousands of pictures on the web regarding ansul system wiring diagram , we selects the best selections having ideal image resolution exclusively for you all, and this images is usually considered one of pictures choices in our finest images gallery with regards to Ansul System Wiring Diagram .

Ansul r 102 wiring diagram. Ansul Fire Suppression System Wiring Diagram - U Wiring Ad Encuentra Fire Suppression System. Beautiful Ansul R 102 Wiring Diagram For 52 Ansul R 102. The Ansul R Restaurant Fire Suppression System is an automatic pre-engineered fire suppression system The R system. Testing and placing in service 6 1 6 4. December 21 2018. Ansul r 102 wiring diagram facbooik for ansul system wiring diagram image size 720 x 917 px and to view image details please click the image. R-102 RESTAURANT FIRE SUPPRESSION SYSTEM ... - Academia.edu R-102 RESTAURANT FIRE SUPPRESSION SYSTEM Design, Installation, Recharge and Maintenance Manual ansul hood system wiring diagram - Wiring Diagram and ... Ansul hood system schematic electrician talk r102 fire drawing i need a wiring diagram for commercial kitchen vent contractor professional construction and remodeling forum customized suppression firesuppressionsystemsinabox com check systems maintenance installation inspection protection asha enterprise pre pipe deluxe 7 extinguishing have the to operate an using contactors 2 micro switches ... Ansul System Wiring Schematic - Wiring Diagram Line Ansul System Wiring Schematic Wiring Diagram Line Wiring Diagram. Wiring Diagram Line We are make source the schematics, wiring diagrams and technical photos ... critique my mike holt s ansulex systems jeven large 15f pre packaged suppression firesuppressionsystemsinabox com r 102 installation maintenance pdf manualslib starting charging mini ...

ANSUL 2-45 - Caddy Corporation ALL WIRING AND PLUMBING AT THE JOB SITE IS THE RESPONSIBILITY OF OTHERS. EQUIPMENT WILL ... TYPICAL ANSUL R102 SYSTEM LAYOUT ... MANUAL PULL. STATION.5 pages PDF Ansul R 102 Manual - trustedintrading.com Ansul R 102 Wiring Diagram The R-102 system is designed to protect areas associated with ventilating equipment, including hoods, ducts, plenums, and filters. It also protects auxiliary grease extraction equipment and cooking equipment such as various types of fryers, griddles, range tops, broilers, char-broilers and woks. Two Options for ... How to wire a ansul r102 - JustAnswer Need help to wire ansul system with 2 micro switch. When ansul is active -hood light & make up Air must off. & hood blower must on to sick out smoke . Please help the wiring diagram . Many thanks … read more Ansul System Wiring Diagram - Wirings Diagram Ansul R 102 Wiring Diagram | Wiring Library - Ansul System Wiring Diagram. The diagram offers visual representation of a electric arrangement. However, the diagram is a simplified variant of the arrangement. This makes the process of building circuit simpler. This diagram gives information of circuit components in addition to their own placements.

Ansul r 102 installation manual pdf - Canada manuals Step ... An ANSUL R-102 Fire Suppression System shall be furnished. The system shall be capable of protecting all hazard areas associated with cooking equipment. Ansul System Test Procedures.pdf Free Download Here ANSUL Foam System Manuals. This manual is intended for use with ANSUL® R-102 … Shunt Trip Breaker Wiring Diagram For Ansul System Typical Ansul System Wiring Diagram - U Wiring 003 Ansul R 102 System P I D P Id Pdf . Diagram Shunt Trip Breaker Wiring Diagram For Ansul System Arci Paradiseoffires It . Kitchen Knight Ii General Information . Commercial Hood Electrical Wiring Electrician Talk . R 102 Restaurant Fire Suppression System . Kitchen Hood Non Shunt Trip Youtube PDF Ansul Kitchen Hood Suppression Wiring Diagram system wiring diagram micro switch, ansul r 102 wiring diagram facbooik for ansul system wiring diagram by admin from the thousands of pictures on the web regarding ansul system wiring diagram we selects the best selections having ideal image resolution exclusively for you all and this images is usually considered one of pictures choices in our Wiring Diagram For Ansul R-102 - schematron.org on Wiring Diagram For Ansul R-102. ansul r wiring diagram including shunt trip ansul system together with ansul system fire alarm connection furthermore ansul hood wiring diagram. as specified in the ANSUL R Restaurant System Design, Installation, Recharge, and Maintenance Manual (Part WIRING DIAGRAM. AS Ansul R™ Installation Manual Gallon Cylinder Assembly, Ansul® 6 Litre K-Guard® Wet Chemical Fire Extinguisher w/ Wall Hanger.

Kitchen & Restaurant Fire Suppression Systems Installation ...

Kitchen & Restaurant Fire Suppression Systems Installation ...

Ansul R 102 Manual - wst.contify.com Metal Caps For Ansul 10 Pack quantity. 430815 Ansul … Generac 22kw Wiring Diagram ANSUL R-102™ Restaurant Fire Suppression System (UL 300) Systems Owner's Manual (Rev. 04) Owner's Guide English PN418127.pdf View: ANSUL Guia Do Proprietário Sistema De Supressão De Incêndio Para Restaurantes R-102 (Rev. 04, Brazilian Portuguese) Owner's Guide

Ansul - Aflame Fire Services

Ansul - Aflame Fire Services

PDF Ansul R 102 Manual - dev.club.cityam.com Ansul R 102 Wiring Diagram The R-102 system is designed to protect areas associated with ventilating equipment, including hoods, ducts, plenums, and filters. It also protects auxiliary grease extraction equipment and cooking equipment such as various types of fryers, griddles, range tops, broilers, char-broilers and woks. Two Options for ...

KLM FIRE PREVENTION Gerry Murtagh - DIRECTOR & SERVICE ...

KLM FIRE PREVENTION Gerry Murtagh - DIRECTOR & SERVICE ...

Product Detail - Ansul The R-102 Fire Suppression System incorporates a flexible design with an extremely effective ANSULEX Low pH Liquid Agent. ANSULEX quickly knocks down flames and cools hot surfaces, while generating a tough vapor securing blanket that helps prevent re-flash. The R-102 system is designed to protect areas associated with ventilating equipment, including hoods, ducts, plenums, and filters.

Results page 294, about 'rc'. Searching circuits at Next.gr

Results page 294, about 'rc'. Searching circuits at Next.gr

R-102 RESTAURANT FIRE SUPPRESSION SYSTEM This manual is intended for use with ANSUL® R-102. Restaurant Fire Suppression Systems. Those who install, operate, recharge, or maintain these fire.188 pages

R-102 Intro Rev Record

R-102 Intro Rev Record

Ansul R 102 Wiring Diagram Ansul R 102 Wiring Diagram. This manual is intended for use with ANSUL® R Restaurant. Fire Suppression Systems. Those who install, operate, recharge, or maintain. ANSUL. DESIGN INSTALLATION RECHARGE AND MAINTENANCE MANUAL. R RESTAURANT FIRE SUPPRESSION SYSTEM (Standard UL Listed).

SYSTÈMES D'EXTINCTION POUR RESTAURANTS R-102™

SYSTÈMES D'EXTINCTION POUR RESTAURANTS R-102™

Ansul System Electrical Wiring Diagram - easywiring by Vallery Masson updated on September 25, 2021. September 25, 2021 on Ansul System Electrical Wiring Diagram. The ansul r 102 restaurant fire suppression system is developed and tested to provide fire protection for restaurant cooking appliances hoods and ducts. Ansul system wiring diagram ansul fire suppression system wiring diagram ansul system micro switch wiring diagram ansul system wiring diagram every electrical structure consists of various different components.

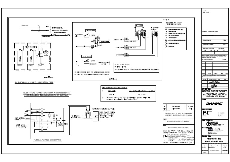
003-Ansul R-102 System P & I D-P&ID | PDF

003-Ansul R-102 System P & I D-P&ID | PDF

R-102 Restaurant Fire Suppression System This manual is intended for use with ANSUL® R-102 Restaurant Fire Suppression Systems. Those who install, operate, recharge, or maintain these fire sup-pression systems should read this entire manual. Specific sec-tions will be of particular interest depending upon one's responsibilities. Design, installation, recharge, and maintenance of ...

Ansul Hood System Schematic | Electrician Talk

Ansul Hood System Schematic | Electrician Talk

Ansul System Wiring Diagram - Wiring Sample Ansul R 102 Wiring Diagram Facbooik for Ansul System Wiring Diagram image size 720 X 917 px and to view image details please click the image. Kitchenhood Fire Contol With Ansul System Wiring Diagram. It is intended to aid all the typical user in creating a proper program. When ansul is active -hood light make up Air must off.

I need help with an ansul system. The FORM needs to have the ...

I need help with an ansul system. The FORM needs to have the ...

Ansul Micro Switch Wiring Diagram - Electrical Diagram Ansul Micro Switch Wiring Diagram. Oleh Gio Mario B Januari 23, 2020 Posting Komentar. Fraser Kinloch Fraserkinloch On Pinterest Heiser Oem System Components Protex Ii System Components Ansul R 102 Wiring Diagram Wiring Schematic Diagram 12vdc On Off On Switch Wiring Diagram Wiring Diagram Triangle Fire Inc Restaurant System Parts Mic2 Ansul.

R102 Systems | Manualzz

R102 Systems | Manualzz

design r-102 restaurant installation fire suppression recharge ... serves as a manual supplement for the ANSUL R-102 System Design, Installation, Recharge, and Maintenance Manual (Part No. 418087-11) dated July 1, 2009 and will be added to the manual at next reprint.

Ansul R-102

Ansul R-102

PDF R-102 Restaurant Fire Suppression System WIRING DIAGRAM 9-16 - 9-17. DESIGN AND APPLICATION The ANSUL R-102 Restaurant Fire Suppression System is developed and tested to provide fire protection for restaurant cooking appliances, hoods, and ducts. It is a pre-engineered group of mechanical and electrical components for installation

Ansul Restaurant Fire Suppression Systems Brochure

Ansul Restaurant Fire Suppression Systems Brochure

1. Install one or two of the electrical (snap-action) switches into ... Wire the upper switch(es) according to the switch wiring diagram ... One Stanton Street / Marinette, WI 54143-2542, USA / +1-715-735-7411 / pages

003-Ansul R-102 System P & I D-P&ID | PDF

003-Ansul R-102 System P & I D-P&ID | PDF

Ansul System Wiring Diagram - Cadician's Blog Ansul R 102 Wiring Diagram | Wiring Library - Ansul System Wiring Diagram Wiring Diagram includes many detailed illustrations that display the relationship of assorted products. It consists of guidelines and diagrams for various types of wiring strategies as well as other items like lights, home windows, and so forth.

Kitchen Hood non-shunt Trip

Kitchen Hood non-shunt Trip

Ansul Wiring Diagram - schematron.org How to wire an Ansul system switch; has a common, NO and a NC Next, route a black or red wire from a single pole volt breaker to the common wire in the Ansul micro switch box. Please help the wiring diagram. First of all i have never done a ansul sys. before, so please forgive if will be a simple schematic, it'll tell you everything you need to ...

Ansul R-102 Restaurant Fire Suppression Systems Fire ...

Ansul R-102 Restaurant Fire Suppression Systems Fire ...

Ansul System Wiring Diagram | Fuse Box And Wiring Diagram Description: Ansul R 102 Wiring Diagram - Facbooik for Ansul System Wiring Diagram, image size 720 X 917 px, and to view image details please click the image. Here is a picture gallery about ansul system wiring diagram complete with the description of the image, please find the image you need.

Diapositiva 1

Diapositiva 1

Ansul R 102 Wiring Diagram - Facbooik for Ansul System ... Ansul R 102 Wiring Diagram - Facbooik for Ansul System Wiring Diagram by admin From the thousands of pictures on the web regarding ansul system wiring diagram , we selects the best selections having ideal image resolution exclusively for you all, and this images is usually considered one of pictures choices in our finest images gallery with regards to Ansul System Wiring Diagram .

How many of you are familiar with this style of R102 ...

How many of you are familiar with this style of R102 ...

PDF R-102 Restaurant Fire Suppression Systems - Ansul The ANSUL® R-102 Restaurant Fire Suppression System is an automatic, pre-engineered, fire suppression system designed to protect areas associated with ventilating equipment includ-ing hoods, ducts, plenums, and filters. The system also protects auxiliary grease extraction equipment and cooking equipment

1. Install one or two of the electrical (snap-action ...

1. Install one or two of the electrical (snap-action ...

ansul fire suppression system wiring diagram - DH-NX ... Ansul Fire Suppression System Wiring Diagram. ... and remodeling forum product detail systems maintenance installation inspection knight ii general information r 102 manual pdf manualslib pyro chem pcl 300 restaurant help micro switch that cuts off the fresh air solution checkfire 110 planning operation 4007es control panels extinguishers ...

R-102™ RESTAURANT FIRE SUPPRESSION SYSTEMS - Ansul

R-102™ RESTAURANT FIRE SUPPRESSION SYSTEMS - Ansul

ANSUL R-102 INSTALLATION AND MAINTENANCE MANUAL Pdf Download ...

ANSUL R-102 INSTALLATION AND MAINTENANCE MANUAL Pdf Download ...

La protection incendie des cuisines peut être complexe. ANSUL ...

La protection incendie des cuisines peut être complexe. ANSUL ...

KEES FIRE SUPPRESSION SYSTEM System Components | Manualzz

KEES FIRE SUPPRESSION SYSTEM System Components | Manualzz

Heiser > OEM System Components > Protex II System Components ...

Heiser > OEM System Components > Protex II System Components ...

ANSUL R-102 - Castle Fire and Security - Independent UK Fire ...

ANSUL R-102 - Castle Fire and Security - Independent UK Fire ...

VENTLESS EXHAUST HOOD OPERATORS MANUAL AND PARTS LIST

VENTLESS EXHAUST HOOD OPERATORS MANUAL AND PARTS LIST

Fire Suppression Systems - Ansul R-102 | Accurex

Fire Suppression Systems - Ansul R-102 | Accurex

JCI Data Sheet Template Letter Rev. 11

JCI Data Sheet Template Letter Rev. 11

Model SL and Model A-PC Fusible Links

Model SL and Model A-PC Fusible Links

EXAMPLE DRAWINGS PROVIDED BY: http://www.firesystemdrawings ...

EXAMPLE DRAWINGS PROVIDED BY: http://www.firesystemdrawings ...

Customized Fire Suppression System

Customized Fire Suppression System

2120 Ansul R102 Nozzle 443337, each

2120 Ansul R102 Nozzle 443337, each

Greenheck Blog | Benefits of Air Balancing and Commissioning ...

Greenheck Blog | Benefits of Air Balancing and Commissioning ...

Ansul R-102 Kitchen Suppression Systems - Aspect Fire Suppression

Ansul R-102 Kitchen Suppression Systems - Aspect Fire Suppression

Ansul R102 Fire System Drawing

Ansul R102 Fire System Drawing

Need help to wire ansul system with 2 micro switch. When ...

Need help to wire ansul system with 2 micro switch. When ...

ANSUL Remote Pull Station

ANSUL Remote Pull Station

Commercial Kitchen Hood Systems – ANSUL Distributor

Commercial Kitchen Hood Systems – ANSUL Distributor

R-102 Intro Rev Record

R-102 Intro Rev Record

Ansul R102 Fire System Drawing

Ansul R102 Fire System Drawing

0 Response to "39 ansul r 102 wiring diagram"

Post a Comment

Iklan Atas Artikel

Iklan Tengah Artikel 1

Iklan Tengah Artikel 2

Iklan Bawah Artikel