Iklan 300x250

40 2002 ford taurus wiring diagram

2002 Ford Taurus Repair Manual Online - RepairSurge Factory-Authorized Online 2002 Ford Taurus Repair Manual. Manufacturer: Ford. Model: Taurus. Production Year: 2002. Get detailed instructions, illustrations, wiring schematics, diagnostic codes & more for your 2002 Ford Taurus. Step by Step Instructions. Service & repair instructions specific to your 2002 Ford Taurus. Comprehensive Diagrams. Free wiring diagram for 2002 ford taurus - Fixya SOURCE: 2002 ford taurus wtaer pump Removal & Installation 3.0L (2V) To Remove:. Drain the engine cooling system. Loosen the water pump pulley. Remove the bolt and the nut and position the roll restrictor bracket out of the way.

2002 Ford Taurus Remote Car Starter Wiring - MODIFIEDLIFE Whether you're a novice Ford Taurus enthusiast, an expert Ford Taurus mobile electronics installer or a Ford Taurus fan with a 2002 Ford Taurus, a remote start wiring diagram can save yourself a lot of time. The automotive wiring harness in a 2002 Ford Taurus is becoming increasing more complicated and more difficult to identify […]

2002 ford taurus wiring diagram

2002 ford taurus wiring diagram

PDF Ford Taurus Engine Wiring Diagram 2003 ford Taurus Engine Diagram Best Power Steering Pressure Hose 2005 Ford Taurus Wiring Diagram Webtor Ideas 2002 Mercury Sable Building circuitry diagrams show the approximate areas as well as affiliations of receptacles, lights, as well as permanent electrical solutions in a structure. 2002 Ford Taurus Owner Manuals Find your 2002 Ford Taurus Owner Manual here. Print, read or download a PDF or browse an easy, online, clickable version. Access quick reference guides, a roadside assistance card and supplemental information if available. 2000-2003 Ford Taurus Vehicle Wiring Chart and Diagram Version. Listed below is the vehicle specific wiring diagram for your car alarm, remote starter or keyless entry installation into your 2000-2003 Ford Taurus . This information outlines the wires location, color and polarity to help you identify the proper connection spots in the vehicle. Please be sure to test all of your wires with a digital ...

2002 ford taurus wiring diagram. 2002 Ford Taurus Fuse Box Diagram | Fuse Box And Wiring ... Automotive Wiring Diagrams pertaining to 2002 Ford Taurus Fuse Box Diagram, image size 779 X 851 px, and to view image details please click the image. Here is a picture gallery about 2002 ford taurus fuse box diagram complete with the description of the image, please find the image you need. Ford Wiring Diagrams Free Download | Carmanualshub.com Ford wiring diagrams, electrical schematics, circuit diagrams - free download. ... Ford F-250 2002 Electrical Wiring Diagrams PDF.pdf: 5.8Mb: Download: Ford F-350 2002 Electrical Wiring Diagrams PDF.pdf: ... Ford Taurus charging system wiring diagram.jpg: 39.7kb: Download: Ford Torino Montego 1973 Wire Diagram Manual.pdf: 1.2Mb: 2002 Ford Taurus Wiring Diagram - Wiring Diagram Service ... Download free 2002 Ford Taurus Wiring Diagram PDF - This 2002 Ford Taurus Wiring Diagram covered; Automatic A/C Circuit, Manual A/C Circuit, Anti-lock Brake Circuits, W/ Traction Control, Anti-lock Brake Circuits, W/O Traction Control, Forced Entry Circuit, Passive Anti-theft Circuit, Body Computer Circuits, Computer Data Lines, Cooling Fan Circuit, Cruise Control Circuit, Defogger Circuit, 3 ... PDF 2002 Ford Taurus Mercury Sable Wiring Diagram Original Access Free 2002 Ford Taurus Mercury Sable Wiring Diagram Original 2002 Ford Taurus Mercury Sable Wiring Diagram Original Yeah, reviewing a ebook 2002 ford taurus mercury sable wiring diagram original could mount up your near contacts listings. This is just one of the solutions for you to be successful.

Birds Eye View 2002 Ford Taurus Drive Train Chassis Diagram Ford Taurus Wiring Diagrams This is Ford Taurus charging system wiring diagram. Ford Thunderbird eleventh generation The tenth generation of the Ford Thunderbird is a personal luxury car that was produced by Ford for the 1989 to 1997 model years. Engine Coolant Pipe O-Ring. Call Us Phone 604 588-9921. 2002 Ford Taurus Vehicle Wiring Chart and Diagram They are: yellow/black (LF), gray/red (RF), lt. green/yellow (LR), and pink/lt. blue (RR). [4] On the sedans use black/pink (-) at the light in the trunk. On the wagons use white/purple (-) in the 26 pin plug at the GEM. [5] With keyless entry it is purple/yellow (-) at the switch. Without keyless entry it is gray/red (+) at the switch. 2002 Ford Taurus repair manual - Factory Manuals 2002 Ford Taurus repair manual + wiring diagrams (optional) The 2002 Ford Taurus repair manual PDF will be created and delivered using your car VIN. The 2002 Ford Taurus service manual PDF delivered by us it contains the repair manual and some of the parts manual in a PDF file full indexed, and hyperlinks functional. SOLVED: Wiring diagram for 2002 Ford Taurus wagon - Fixya Wiring diagram for 2002 Ford Taurus wagon liftgate. Can't open the lift gate. I think it's electronically and the wiring is broken. I need a wiring diagram. Posted by Darrell Ludwig on Aug 07, 2016. Want Answer 1. Clicking this will make more experts see the question and we will remind you when it gets answered. ...

2002 Ford Taurus Car Stereo Wiring Guide - MODIFIEDLIFE Whether your an expert Ford electronics installer or a novice Ford enthusiast with a 2002 Ford Taurus, a Ford car stereo wiring diagram can save yourself a lot of time. One of the most time consuming tasks with installing an after market car stereo, car radio, car speakers, car subwoofer, car amplifier, mobile amp, car […] 2002 Ford Wiring Diagrams - FreeAutoMechanic Basic Electrical Theory Electrical Components Switches & Relays Wiring Harness Test Equipment Testing with a Multi-meter. If you want all the premium wiring diagrams that are available for your vehicle that are accessible on-line right now - WIRING DIAGRAMS for just $19.95 you can have full on-line access to everything you need including premium wiring diagrams, fuse and component locations ... 2002 Ford Taurus & Mercury Sable Wiring Diagram Manual ... 2002 Ford Taurus & Mercury Sable Wiring Diagram Manual Original [Ford] on Amazon.com. *FREE* shipping on qualifying offers. 2002 Ford Taurus & Mercury Sable Wiring Diagram Manual Original PDF 2002 Ford Taurus Mercury Sable Wiring Diagram Original 2002 Ford Taurus Mercury Sable Wiring Diagrams Oem for your consideration we are offering the wiring diagrams manual for 2002 ford taurus mercury sable vehicles this book appears to have been exposed to water the front cover and all pages have a wrinkled appearance and texture book has serious cosmetic issues but all text and graphics are 100 ...

Need to get fireing order diagram for a 2002 Taurus from coil ...

Need to get fireing order diagram for a 2002 Taurus from coil ...

2002 Ford Taurus: firing order..coil to spark plug diagram… I have a 2001 ford Taurus an I have the spark plug wiring diagram but I am confused a bit. On the diagram I figured out the coil positioning, 1, 2, 3 is the side with the wire connector. but the engin … read more

1997 Wiring Diagram | Taurus Car Club of America : Ford ...

1997 Wiring Diagram | Taurus Car Club of America : Ford ...

2002 Ford Taurus Engine Diagram - Automotive Parts Diagram ... Description: Solved: 2002 Ford Taurus Hesitats Fills Like Missing - Fixya intended for 2002 Ford Taurus Engine Diagram, image size 500 X 376 px, and to view image details please click the image.. Here is a picture gallery about 2002 ford taurus engine diagram complete with the description of the image, please find the image you need.

2002 Ford Taurus Electrical Wiring Diagram Manual SE SEL LX SES 3.0L V6 |  eBay

2002 Ford Taurus Electrical Wiring Diagram Manual SE SEL LX SES 3.0L V6 | eBay

2002 Ford Taurus Alternator Wiring Diagram Images - Wiring ... 2002 Ford Taurus Alternator Wiring Diagram. 2002 Ford Taurus Alternator Wiring Diagram from . To properly read a cabling diagram, one offers to know how the components in the method operate. For example , if a module will be powered up also it sends out a signal of half the voltage plus the technician does not know this, he ...

2002 Ford Taurus Mercury Sable Service Shop Manual Set (2 volume set, and  the wiring diagrams manual.)

2002 Ford Taurus Mercury Sable Service Shop Manual Set (2 volume set, and the wiring diagrams manual.)

Ford Taurus 1990-2004 RIGHT REAR WINDOW UP YELLOW/BLACK Harness In Driver's Kick From Driver Door WIRE WIRE COLOR WIRE LOCATION 12V CONSTANT LT.GREEN/PURPLE or YELLOW Ignition Harness

Power Windows Not Working: I Just Purchased a 2002 Ford ...

Power Windows Not Working: I Just Purchased a 2002 Ford ...

Need wiring diagram for 2002 Ford Taurus SES. Instrument ... Need wiring diagram for 2002 Ford Taurus SES. Instrument cluster lighting and wiring harness associated with it. - Answered by a verified Ford Mechanic

2000-2003 Ford Taurus Remote Start w/Keyless Pictorial

2000-2003 Ford Taurus Remote Start w/Keyless Pictorial

2002 Ford Taurus Wiring Diagram Images - Wiring Diagram Sample 2002 Ford Taurus Wiring Diagram from w0.pngwave.com Print the wiring diagram off plus use highlighters to trace the signal. When you make use of your finger or perhaps the actual circuit with your eyes, it is easy to mistrace the circuit. 1 trick that We 2 to printing a similar wiring plan off twice.

2002 Ford Taurus Mercury Sable Service Workshop & Wiring ...

2002 Ford Taurus Mercury Sable Service Workshop & Wiring ...

2002 Ford Taurus Fuse Box | Fuse Box And Wiring Diagram Description : 2002 Ford Taurus: Fuse Panel Diagram regarding 2002 Ford Taurus Fuse Box, image size 880 X 641 px, and to view image details please click the image. Here is a picture gallery about 2002 ford taurus fuse box complete with the description of the image, please find the image you need. We hope this article can help in finding the ...

Bulldog Security Diagrams

Bulldog Security Diagrams

Ford Taurus Wiring Diagrams 1998 to 2016 - YouTube This video demonstrates the Ford Taurus Complete Wiring Diagrams and details of the wiring harness. Diagrams for the following systems are included : Radio ...

RADIO – Ford Taurus SES 2002 – SYSTEM WIRING DIAGRAMS ...

RADIO – Ford Taurus SES 2002 – SYSTEM WIRING DIAGRAMS ...

Ford Taurus Service Manuals [1986-2002] PDF | ServicingManuals 2002 Ford Taurus Workshop Manual FREE PDF. 2000. 2000 Ford Taurus 3.0 Workshop Manual FREE PDF 2000 Ford Taurus 3.0 Workshop Manual FREE PDF. 1997. ... Many people look for the wiring diagrams and the fuse information within these working manuals too in order to fix electrical problems that may have appeared.

All Wiring Diagrams for Ford Taurus SEL 2006 – Wiring ...

All Wiring Diagrams for Ford Taurus SEL 2006 – Wiring ...

PDF 2002 Ford Taurus Mercury Sable Wiring Diagram Original This 2002 ford taurus mercury sable wiring diagram original, as one of the most involved sellers here will definitely be along with the best options to review. 1999-2000-2001-2002-2003 Ford Taurus / Mercury Sable Rack and Pinion removal/ quick explanation 2001 Mercury Sable / 2002 Ford Taurus Motor swap

2002 Ford Taurus Wiring Diagram - Wiring Diagram Service ...

2002 Ford Taurus Wiring Diagram - Wiring Diagram Service ...

2002 Ford Taurus Vacuum Hose Diagram | vincegray2014 2002 Mercury Sable Vacuum Hose Diagram. 2002 Ford Taurus Radio Wiring Diagram. 2002 Ford Taurus Drum Brake Diagram. 2002 Ford Taurus Wiring Diagram Stereo. 2002 Ford F150 4×4 Vacuum Diagram. 1997 Ford Ranger 2.3 Vacuum Hose Diagram. Vacuum Hose Diagram 1997 Ford F150. 1997 Ford Ranger 4.0 Vacuum Hose Diagram.

Fig. 1: Cooling Fan Circuit - Taurus-club.ru

Fig. 1: Cooling Fan Circuit - Taurus-club.ru

2002 Ford Taurus Stereo Wiring - the12volt.com Jim96GT. Member - Posts: 2. Joined: June 03, 2003. Location: United States. Posted: June 03, 2003 at 4:12 PM / IP Logged. Does anyone have the wiring diagram for a 2002 Ford Taurus SEL with the Mach sound system? I have find many diagrams for different year Tauri, but nothing matches. Thanks a lot !!

Ford Wiring Diagrams Free Download | Carmanualshub.com

Ford Wiring Diagrams Free Download | Carmanualshub.com

2000-2003 Ford Taurus Vehicle Wiring Chart and Diagram Version. Listed below is the vehicle specific wiring diagram for your car alarm, remote starter or keyless entry installation into your 2000-2003 Ford Taurus . This information outlines the wires location, color and polarity to help you identify the proper connection spots in the vehicle. Please be sure to test all of your wires with a digital ...

Ford Taurus Wiring Diagrams 1998 to 2016

Ford Taurus Wiring Diagrams 1998 to 2016

2002 Ford Taurus Owner Manuals Find your 2002 Ford Taurus Owner Manual here. Print, read or download a PDF or browse an easy, online, clickable version. Access quick reference guides, a roadside assistance card and supplemental information if available.

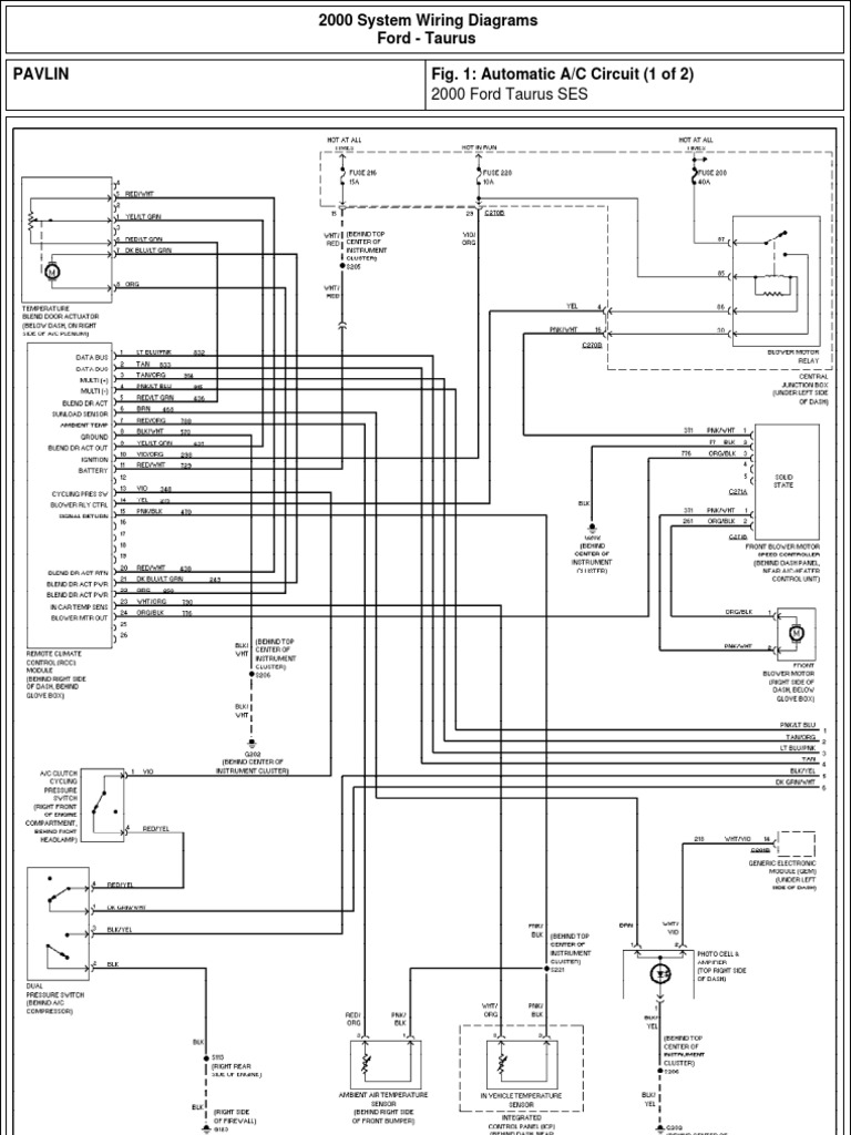
Fig. 1: A/C Circuit, Auto A/C - Taurus-club.ru

Fig. 1: A/C Circuit, Auto A/C - Taurus-club.ru

PDF Ford Taurus Engine Wiring Diagram 2003 ford Taurus Engine Diagram Best Power Steering Pressure Hose 2005 Ford Taurus Wiring Diagram Webtor Ideas 2002 Mercury Sable Building circuitry diagrams show the approximate areas as well as affiliations of receptacles, lights, as well as permanent electrical solutions in a structure.

Alternator Wiring Diagram? Alternator Bad or Is It a Faulty ...

Alternator Wiring Diagram? Alternator Bad or Is It a Faulty ...

1999 Ford Taurus & Mercury Sable Wiring Diagram Manual ...

1999 Ford Taurus & Mercury Sable Wiring Diagram Manual ...

2002 Ford Taurus & Mercury Sable Wiring Diagram Manual ...

2002 Ford Taurus & Mercury Sable Wiring Diagram Manual ...

wiring diagram for the sony amplifer - Ford Taurus Forum

wiring diagram for the sony amplifer - Ford Taurus Forum

PATS Wiring Schematics | Ford Power Stroke Nation

PATS Wiring Schematics | Ford Power Stroke Nation

Wiring Diagram | Taurus Car Club of America : Ford Taurus Forum

Wiring Diagram | Taurus Car Club of America : Ford Taurus Forum

POWER DOOR LOCKS – Ford Taurus SEL 2002 – SYSTEM WIRING ...

POWER DOOR LOCKS – Ford Taurus SEL 2002 – SYSTEM WIRING ...

What is the radio wiring diagram for my 1991 ford taurus im ...

What is the radio wiring diagram for my 1991 ford taurus im ...

Ford Taurus (1999-2007) Fuse Box Diagrams

Ford Taurus (1999-2007) Fuse Box Diagrams

SOLVED: 2004 ford taurus engine diagram - Fixya

SOLVED: 2004 ford taurus engine diagram - Fixya

Ford Taurus 2000 Wiring | PDF | Ford Taurus | Rear Wheel ...

Ford Taurus 2000 Wiring | PDF | Ford Taurus | Rear Wheel ...

2000-2003 Ford Taurus Remote Start w/Keyless Pictorial

2000-2003 Ford Taurus Remote Start w/Keyless Pictorial

Resolved: - 2000 Taurus is not charging the battery. | Ford ...

Resolved: - 2000 Taurus is not charging the battery. | Ford ...

1994 Ford Ranger 2002 Ford Taurus Wiring Diagram PNG, Clipart ...

1994 Ford Ranger 2002 Ford Taurus Wiring Diagram PNG, Clipart ...

Diagram Of Amp Wires | Taurus Car Club of America : Ford ...

Diagram Of Amp Wires | Taurus Car Club of America : Ford ...

130 amp Taurus alt wiring question - RX7Club.com - Mazda RX7 ...

130 amp Taurus alt wiring question - RX7Club.com - Mazda RX7 ...

2002 Ford Taurus & Mercury Sable Factory Wiring Diagrams

2002 Ford Taurus & Mercury Sable Factory Wiring Diagrams

2002 Ford Taurus Mercury Sable Wiring Diagram Manual FCCA | eBay

2002 Ford Taurus Mercury Sable Wiring Diagram Manual FCCA | eBay

wiring diagram for the sony amplifer - Ford Taurus Forum

wiring diagram for the sony amplifer - Ford Taurus Forum

Rap Module Wiring Diagram | Taurus Car Club of America : Ford ...

Rap Module Wiring Diagram | Taurus Car Club of America : Ford ...

2003 Ford Taurus & Mercury Sable Wiring Diagrams Manual ...

2003 Ford Taurus & Mercury Sable Wiring Diagrams Manual ...

SOLVED: I have a 2002 ford taurus SE, coil pack has been - Fixya

SOLVED: I have a 2002 ford taurus SE, coil pack has been - Fixya

2002 Ford Taurus 3.0 - Electrical Short | Taurus Car Club of ...

2002 Ford Taurus 3.0 - Electrical Short | Taurus Car Club of ...

Power Windows Not Working: I Just Purchased a 2002 Ford ...

Power Windows Not Working: I Just Purchased a 2002 Ford ...

Spark plug wiring diagram for 2003 ford taurus 3.0 l - Fixya

Spark plug wiring diagram for 2003 ford taurus 3.0 l - Fixya

0 Response to "40 2002 ford taurus wiring diagram"

Post a Comment

Iklan Atas Artikel

Iklan Tengah Artikel 1

Iklan Tengah Artikel 2

Iklan Bawah Artikel