Iklan 300x250

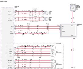
37 mvh x370bt wiring diagram

PDF MVH-X380BT MVH-X381BT - Pioneer Electronics MVH-X380BT MVH-X381BT Owner's Manual Mode d'emploi Manual de instrucciones Important (Serial number) The serial number is located on the bottom of this unit. For your own security and convenience, be sure to record this number on the enclosed warranty card. Important (NumƩro de sƩrie) Le numƩro de sƩrie se trouve au bas de cet appareil. Amazon.com: PIONEER MVH-X380BT / MVH-X381BT Wiring Harness ... 1 offer from $11.99. ASC Car Stereo Power Speaker Wire Harness Plug for Pioneer / Premier Aftermarket DVD Nav Radio DEH-X6700BT DEH-X4700BT DEH-X2700UI DEH-X5700HD AVH4100NEX,AVH4000NEX AVH-4100NEX AVIC-6100NEX + more. 4.4 out of 5 stars. 295.

Wiring Harness fits Pioneer DEH-X66BT, FH-X500UI, MVH ... Arrives by Mon, Nov 22 Buy Wiring Harness fits Pioneer DEH-X66BT, FH-X500UI, MVH-X360BT, MVH-X370BT at Walmart.com

Mvh x370bt wiring diagram

Mvh x370bt wiring diagram

Pioneer Mvh X360bt Wiring Diagram - schematron.org Pioneer Mvh X360bt Wiring Diagram. INGs and CAUTIONs in this manual. Please keep the manual in a safe and accessible place for future reference. FCC ID: AJDK MODEL NO.: MVH- XBT. RDS tuner with Bluetooth, Illuminated Front USB and iPod and iPhone Direct Control. 7.3 Powerstroke Swap Wiring - Wiring Diagrams Free 7.3 Powerstroke Swap Wiring. I refer specifically to wiring, computers etc. I assure you it's as easy to swap as the 89 you did. 97 Powerstroke Engine Swap - YouTube. May 29, The Super Duty ® L trucks are one of the easiest trucks to convert us do the bulk of the wiring work for you by sending in your L engine. Online Wiring Diagram Pioneer Mvh X370bt Wiring Diagram Oct 27, 2018 · Pioneer Mvh X370bt Wiring Diagram. Today I attempted to install a MVH XBT. I used butt plugs for a couple connections (using a wiring harness adapter), and tested it and the. Thank you for purchasing this PIONEER product .. 5 Select [Pioneer BT Unit] shown in th

Mvh x370bt wiring diagram. Mvh X370bt Wiring Diagram Mvh X370bt Wiring Diagram. Wiring a new stereo head is not difficult; rather than pay to have a professional install a new system, many people instead choose to do it themselves. In only a. Newer model available see differences Pioneer MVH-XBT ( model) vs. Pioneer MVH-XBT ( model) New. Car stereo with RDS tuner, Bluetooth, USB and Aux-in ... PDF Pioneer Wiring Guide For Deh P2650 Pioneer Deh S5010bt Wiring Diagram Color Wiring Diagram Pioneer Deh 245 Lari Fuse15 Klictravel Nl. Pioneer Deh S5010bt Wiring Diagram - wiring diagram is a simplified up to standard pictorial representation of an electrical circuit. It shows the components of the circuit as simplified shapes, and the skill and signal connections amid the devices. M&s Intercom Wiring Diagram M&s systems portable speaker owner's manual. Door Stations, use the M&S Systems brand MS4DCXSC wire that is included with the DMC1H or Intercom Master Station Installation. System Diagram. Check that intercom stations are not installed back to back or in the same . CAT5 - Retrofit Wire Conversion Chart. PDF Pioneer mixtrax mvh-x370bt reset Pioneer mixtrax mvh-x370bt reset The radio does not power up. After putting the key in the ignition, to it to the "ACC". Turning the key to the "ACC" position will send power to the radio and power it on. Also, starting the motor on the vehicle will allow the radio to power on. Hold down the power button on the radio for a few seconds.

PIONEER Car Radio Stereo Audio Wiring Diagram Autoradio ... PIONEER Car Radio Stereo Audio Wiring Diagram Autoradio connector wire installation schematic schema esquema de conexiones stecker konektor connecteur cable shema car stereo harness wire speaker pinout connectors power how to install.. PIONEER Car radio wiring diagrams. Car radio wire diagram stereo wiring diagram gm radio wiring diagram. PDF DIGITAL MEDIA RECEIVER RƉCEPTEUR ... - Pioneer Electronics MVH-X370BT. Owner's Manual. Mode d'emploi Manual de instrucciones. Important (Serial number) The serial number is located on the bottom of this unit. For your own security and convenience, be sure to record this number on the enclosed warranty card. Important (NumĆ©ro de sĆ©rie) Le numĆ©ro de sĆ©rie se trouve au bas de cet appareil. diagram panasonic kx-ns300 wiring diagram (1) pioneer mvh x370bt wiring diagram (1) pvl ignition wiring diagram (1) reverse camera wiring diagram (1) reverse camera wiring diagram kenwood (1) reverse camera wiring diagram toyota (1) salus rt520rf wireless thermostat wiring diagram (1) salus rt520rf wiring diagram (1) seat mii fuse box diagram (1) MVH-X370BT - Pioneer Electronics USA The MVH-X370BT Digital Media Receiver was specifically created to work with your smartphone and digital lifestyle. Featuring Pioneer's MIXTRAX technology, built-in Bluetooth for hands-free calling and audio streaming, USB direct control of an iPod or iPhone, USB access to music on Android devices (4.0 or later), and Pandora for both iPhone and Android, the MVH-X370BT is packed with features ...

Pioneer MVH X370BT - YouTube Pioneer's new 2015 radios are starting to ship and we have them. This is a fun unboxing not a review, we hope you enjoy. For more on the new features check o... pioneer wire harness diagram - Wiring Diagram and ... Metra Pioneer 16 Pin Wiring Harness Black Pr01 0001 Best. P700 Pioneer 700 Wire Diagram In Color Hondasxs The Honda Side By Club. Pioneer Mvh S310bt Wiring Diagram Hd Png Kindpng. Wiring Pre Circuit Diagram Pioneer P6400 Diagramgroup Pictureimage. Pioneer Wiring Diagram Colors - Wiring Diagram Line Pioneer Wiring Diagram Colors Wiring Diagram Line Wiring Diagram. ... ect thank my email lexus deh 8507zt toyota fj cruiser forum x6500bt 2nd gen tc scionlife harness fits x66bt fh x500ui mvh x360bt x370bt p7200 manual pdf manualslib head unit install some other questions x1500dvd scion xb 8 pin assignment director p700 700 in hondasxs the ... ️Pioneer Mvh S300bt Wiring Diagram Free Download| Namabayi.co Wiring diagram use standard symbols for wiring devices, usually different from those used on schematic diagrams. Mvh s312bt mvh s310bt operation manual mode d emploi manual de operación important serial number the serial number is located on the bottom of this unit. Speaker wiring diagram pioneer deh s4000bt. Get Pioneer A301 Manual The ...

Pioneer Car Stereo Wiring Diagrams & Color Codes ...

Pioneer Car Stereo Wiring Diagrams & Color Codes ...

Cub Cadet 1450 Wiring Diagram Cub Cadet 1450 Wiring Diagram. Document for Cub Cadet Model 70 Wiring Diagram is available in various diagram for cub cadet cub cadets nos champion headlight tail light cub cadet. cub cadet wont start, jumped all the switches and still no start. jump across the ira: Click on this link for a Wiring Diagram Wiring.

Open box - Pioneer MVH-X370BT Bluetooth Digital Media Stereo ...

Open box - Pioneer MVH-X370BT Bluetooth Digital Media Stereo ...

Mvh X380bt Wiring Diagram - schematron.org 16.11.2018 16.11.2018 0 Comments on Mvh X380bt Wiring Diagram. Wiring diagram use standard symbols for wiring devices, usually different from those used on schematic diagrams. The electrical symbols not only show where. MVH-XBT/XBT. Remote Control Secure the wiring with cable clamps or adhesive tape. Wrap adhesive tape around wiring that comes ...

Technical - Rebel Wire Harness diagrams and wiring info ...

Technical - Rebel Wire Harness diagrams and wiring info ...

Pioneer Mvh X370bt Wiring Diagram Pioneer Mvh X370bt Wiring Diagram. Today I attempted to install a MVH XBT. I used butt plugs for a couple connections (using a wiring harness adapter), and tested it and the. Thank you for purchasing this PIONEER product .. 5 Select [Pioneer BT Unit] shown in the device display. 6 Make ..

How to hardwire factory f150 amp/subwoofer into another ...

How to hardwire factory f150 amp/subwoofer into another ...

Pioneer Mvh X380bt Wiring Diagram - schematron.org Pioneer Mvh X380bt Wiring Diagram. Mechaless car stereo with RDS tuner, Bluetooth, USB and Aux-in. Supports MIXTRAX EZ, iPod/iPhone Direct Control, Android. MVH-XBT/XBT. Remote Secure the wiring with cable clamps or adhesive tape. Wrap adhesive tape around wiring that parts to protect the wiring. Plugs into these specific Pioneer Radio's and ...

DISCONTINUED - Pioneer MVH-X360BT Single-DIN In-Dash Digital Media Receiver  with USB control for iPod and iPhone, Bluetooth, Media Access, and Pandora

DISCONTINUED - Pioneer MVH-X360BT Single-DIN In-Dash Digital Media Receiver with USB control for iPod and iPhone, Bluetooth, Media Access, and Pandora

Pioneer Mvh X360bt Wiring Diagram Pioneer Mvh X360bt Wiring Diagram. Pioneer MVH-XBT Manual Online: Pcb Connection Diagram. TUNER AMP UNIT A NOTE FOR PCB DIAGRAMS wiringall.com parts mounted on this PCB. new ford f or sport trac 3rd brake light rh autopartscheaper com chevy brake light wiring diagram f third.

MVH-X390BT - What's in the Box? - YouTube

MVH-X390BT - What's in the Box? - YouTube

Mvh X360bt Wiring Diagram - schematron.org on Mvh X360bt Wiring Diagram. I do not understand the wiring schematic for the Pioneer mvh-xbt please help. - Answered by a verified Car Electronics Technician. RDS tuner with Bluetooth, Illuminated Front USB and iPod and iPhone Direct Control. Supports WMA/MP3 Playback. Pioneer MVH-XBT Manual Online: Pcb Connection Diagram.

AppRadioWorld - Apple CarPlay, Android Auto, Car Technology ...

AppRadioWorld - Apple CarPlay, Android Auto, Car Technology ...

Pioneer Wire Harness FH-X720BT FH-X520UI MVH-X370BT DEH ... Buy Pioneer Wire Harness FH-X720BT FH-X520UI MVH-X370BT DEH-X6700BT DEH-X4700BT DEH-X2700UI DEH-X5700HD: Wiring Harnesses - Amazon.com FREE DELIVERY possible on eligible purchases

Wire Harness for Pioneer DEH1300MP DEH2200UB DEH22UB DEH23UB DEH3200UB

Wire Harness for Pioneer DEH1300MP DEH2200UB DEH22UB DEH23UB DEH3200UB

Online Wiring Diagram Pioneer Mvh X370bt Wiring Diagram Oct 27, 2018 · Pioneer Mvh X370bt Wiring Diagram. Today I attempted to install a MVH XBT. I used butt plugs for a couple connections (using a wiring harness adapter), and tested it and the. Thank you for purchasing this PIONEER product .. 5 Select [Pioneer BT Unit] shown in th

MVH-X370BT

MVH-X370BT

7.3 Powerstroke Swap Wiring - Wiring Diagrams Free 7.3 Powerstroke Swap Wiring. I refer specifically to wiring, computers etc. I assure you it's as easy to swap as the 89 you did. 97 Powerstroke Engine Swap - YouTube. May 29, The Super Duty ® L trucks are one of the easiest trucks to convert us do the bulk of the wiring work for you by sending in your L engine.

Pioneer Car Audio Wiring Diagram | Pioneer car stereo ...

Pioneer Car Audio Wiring Diagram | Pioneer car stereo ...

Pioneer Mvh X360bt Wiring Diagram - schematron.org Pioneer Mvh X360bt Wiring Diagram. INGs and CAUTIONs in this manual. Please keep the manual in a safe and accessible place for future reference. FCC ID: AJDK MODEL NO.: MVH- XBT. RDS tuner with Bluetooth, Illuminated Front USB and iPod and iPhone Direct Control.

PIONEER MVH-X370BT MVH-X375BT CRT5567 SM Service Manual ...

PIONEER MVH-X370BT MVH-X375BT CRT5567 SM Service Manual ...

Connections/Installation. Pioneer MVH-170UB, MVH-170UBG, MVH ...

Connections/Installation. Pioneer MVH-170UB, MVH-170UBG, MVH ...

Pioneer Car Stereo Wiring Diagrams & Color Codes ...

Pioneer Car Stereo Wiring Diagrams & Color Codes ...

WIRE HARNESS FOR PIONEER MVH-X370BT MVHX370BT *PAY TODAY SHIPS TODAY* | eBay

WIRE HARNESS FOR PIONEER MVH-X370BT MVHX370BT *PAY TODAY SHIPS TODAY* | eBay

Buy Pionee Microphone for Car Radio, 2.5mm Car Extenal Mic ...

Buy Pionee Microphone for Car Radio, 2.5mm Car Extenal Mic ...

SOLVED: Wiring diagram pioneer mvh-x36bt - Fixya

SOLVED: Wiring diagram pioneer mvh-x36bt - Fixya

SOLVED: Wiring diagram for Pioneer mvh-x381bt - Fixya

SOLVED: Wiring diagram for Pioneer mvh-x381bt - Fixya

Pioneer Car Stereo Wiring Diagrams & Color Codes ...

Pioneer Car Stereo Wiring Diagrams & Color Codes ...

PIONEER MVH-X370BT BLUETOOTH Car Stereo Radio Handsfree ...

PIONEER MVH-X370BT BLUETOOTH Car Stereo Radio Handsfree ...

Pioneer MVH-S310BT Manuals | ManualsLib

Pioneer MVH-S310BT Manuals | ManualsLib

PIONEER MVH-X370BT MVH-X375BT CRT5567 SM Service Manual ...

PIONEER MVH-X370BT MVH-X375BT CRT5567 SM Service Manual ...

Pioneer Deh X9600bhs - Where to Buy it at the Best Price in USA?

Pioneer Deh X9600bhs - Where to Buy it at the Best Price in USA?

Best Buy: Pioneer Built-In Bluetooth Apple® iPod®-Ready In ...

Best Buy: Pioneer Built-In Bluetooth Apple® iPod®-Ready In ...

Amazon.com: RED WOLF Stereo 16-Pin Wire Harness Power Plug ...

Amazon.com: RED WOLF Stereo 16-Pin Wire Harness Power Plug ...

WIRE HARNESS FOR PIONEER MVHX381BT MVH-X381BT | eBay

WIRE HARNESS FOR PIONEER MVHX381BT MVH-X381BT | eBay

DEH-X3600UI DEH-X36UI DEH-X2600UI DEH-X26UI - PDF Free Download

DEH-X3600UI DEH-X36UI DEH-X2600UI DEH-X26UI - PDF Free Download

146 Pioneer MP3 Player Wiring Connections - YouTube

146 Pioneer MP3 Player Wiring Connections - YouTube

Wiring Harness for Pioneer MVH-S312BT MVH-S512BS

Wiring Harness for Pioneer MVH-S312BT MVH-S512BS

Pioneer Car Stereo Wiring Diagrams & Color Codes ...

Pioneer Car Stereo Wiring Diagrams & Color Codes ...

Pioneer MVH-X370BT (2014 Model) Digital media receiver (does ...

Pioneer MVH-X370BT (2014 Model) Digital media receiver (does ...

Pioneer MVH-170UB manual

Pioneer MVH-170UB manual

Customer Reviews: Pioneer Built-In Bluetooth Apple® iPod ...

Customer Reviews: Pioneer Built-In Bluetooth Apple® iPod ...

Pioneer Car Stereo Wiring Diagrams & Color Codes ...

Pioneer Car Stereo Wiring Diagrams & Color Codes ...

How to hardwire factory f150 amp/subwoofer into another ...

How to hardwire factory f150 amp/subwoofer into another ...

Xtenzi 16 Pin Car Radio Wire Harness Compatible with Pioneer ...

Xtenzi 16 Pin Car Radio Wire Harness Compatible with Pioneer ...

Pioneer MVH-X370BT (2014 Model) Digital media receiver (does ...

Pioneer MVH-X370BT (2014 Model) Digital media receiver (does ...

How to setup Pioneer Direct Sub Drive rear subwoofer ...

How to setup Pioneer Direct Sub Drive rear subwoofer ...

0 Response to "37 mvh x370bt wiring diagram"

Post a Comment

Iklan Atas Artikel

Iklan Tengah Artikel 1

Iklan Tengah Artikel 2

Iklan Bawah Artikel