Iklan 300x250

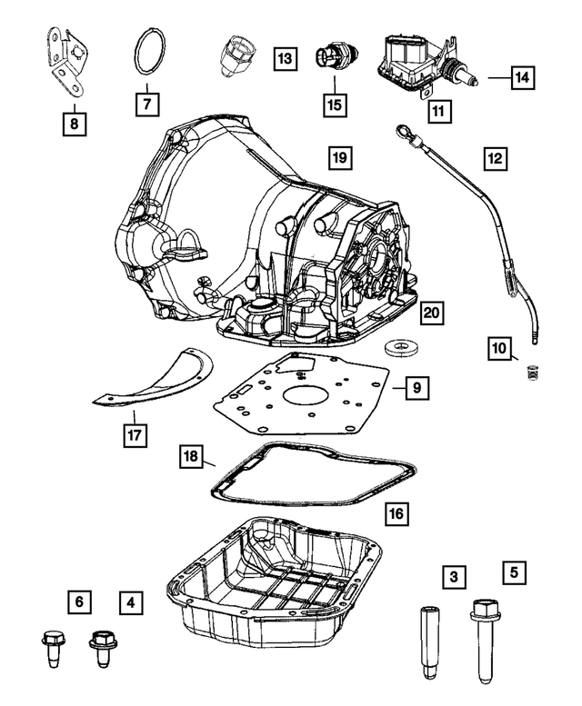
39 46re transmission parts diagram

Wiring Diagram 46re Transmission Wiring Diagram 46re Transmission. The 46rh is a hydraulic transmission as where the 46re is an electric transmission . With minor wiring you can replace the 46re with the 46rh but. The 46RE, 47RE and 48RE family of transmissions by the Chrysler Group, are fitted TRANSMISSION THROTTLE VALVE ACTUATOR WIRE SCHEMATIC. 46RH 4RH 46RE 47RE 48RE Parts Page - Transmission Bench Chrysler Corporation 46RH, 47RH, 46RE, 47RE and 48RE. Welcome to our Chrysler Corporation 46RH and 46RE (518), 47RH and 47RE (618) and 48RE (618) transmission repair products page. Here you'll find not only deluxe rebuilding kits, but also individual parts and accessories for your transmission project. FREE Shipping on orders over $100

Discount Automatic Transmission Parts - To The Public Mfg Retail: $139.95. Cost From Us: $119.50. You Save: $20.45. RECONDITIONED 5 PINION / 15 DEGREE - See More Info. Currently Not Taking Technical Support / Diagnostic Questions. Many Question Answers Can By Found On Our Youtube Channel. Nearly More Than 10,000 Parts In Stock Not Yet On The Site !

46re transmission parts diagram

46re transmission parts diagram

SOLVED: Vacuum line diagram on 46re transmission. - Fixya I need a transmission parts diagram for a 1999 dodge ram 1500 with a 46-re. I have the dame transmission just type yr make model eng size and 46re transmission diagram and it gives you several choices Read full answer. Mar 27, 2019 • Dodge Cars & Trucks. 0 helpful. 1 answer. Dodge Transmission Parts Dodge Automatic Transmission 518, REVERSE SERVO PISTON 2.479" O.D. USED WITH DOUBLE WRAP BAND DODGE CHRYSLER A518 46RH 46RE 47RE A618 48RE Transmission Parts: 518, REVERSE SERVO PISTON 2.812" O.D. DODGE CHRYSLER A518 46RH 46RE 47RE A618 48RE Transmission Parts 518, REPROGRAMMING KIT TFOD, 4 Speed Full Manual Control-Race (Transgo) (88-04) TF 500-518-618 88-03 4 speed Except 03-up 48RE Stick Shift Kit Full-race Competition ... PDF 42re Transmission Parts Diagram - fckme.org 42re Transmission Parts Diagram - atcloud.com 42re Transmission Parts Diagram The Chrysler 42RE (A500SE) is a 4 speed automatic transmission. Mechanical and hydraulic components in the 42RE are similar to those found in the 42RH (A500) transmissions. The major difference between them involves the method they use to produce

46re transmission parts diagram. 46RH transmission repair manuals (46RE/47RH/A518/A618 ... 46RH Transmission Problems (46RE/47RH/A518/47RE) To improve the dynamic performance automatic transmission 46RE/46RH had a special mode with three speeds. When this mode was activated, the gearbox drives the engine better and moved on to a higher level when the engine speed was reaching 4000 — 5000 rpm. 46RE, 46RH, 518 Performance Transmissions and Parts from PATC. 46RE / 46RH. PATC Dodge 46RE Performance Transmissions and Parts. PATC builds 46RE performance transmissions in many levels. PATC is on the cutting edge of performance rear wheel drive American transmission development. We work with different manufacturers in the development of stronger parts. We have the most complete inventory of performance ... A518 | A618 (46RH | 46RE | 47RH | 47RE 48RE) - Chrysler ... 028907EHP - Dodge A518/A618 46RH/47RH 46RE/47RE Transmission Alto Red Eagle High Performance Master Rebuild Kit 1994-2002. 028907EHP_DLX (12010C) 028907EHP_DLX (12010C) - Dodge A618 A518 46RE 47RE Transmission Alto Red Eagle High Performance Rebuild Deluxe Kit 1994-1997. K080. 46RE, 47RE GPZ Performance Transmission Super Rebuild Kit 46RE, 47RE GPZ Performance Transmission Super Rebuild Kit. Years. 1997-2003. Part No. RMCSKGPZK-023. 88023K. Recommended Use: 1997-2003 46RE transmissions and 47RE transmission used in high-stress diesel, towing, and enhanced performance applications with increased horsepower and torque. Please view components listing below.

PDF 1st Printing INTRODUCTION April, 2011 46RE, 47RE, 48RE, transmission, were equipped with an electronically controlled Transmission Throttle Valve Actuator (TTVA). This Actuator has replaced the previous Throttle Valve Cable and all associated linkage. The push-in Range Sensor was implemented in model year 2002. The 46RE, 47RE and 48RE transmissions are all four 518/46RE Transmission Exploded view/Diagram?? | For A ... Joined: Dec 1, 2010. Location: Colorado Springs,Colorado. Local Time: 4:41 AM. Just rebuilt my first 518/46RE yesterday. For a dude's 2000 Ram Van 3500. Oct 17, 2011 #5. PDF Page 1 CHRYSLER A518 / A618 Since 1963 ... PERFORMANCE PARTS Manufactured In-House by TCS Products A518 / 47RH Heavy Duty 4X4 Billet Output Shaft (Hydraulic Transmission) Product #618101 * Designed for the hydraulic governor style transmission. * Output shaft is precision machined from high strength heat treated steel. * The Radius has been increased to further protect areas prone to stress CHRYSLER 46RE, 46RH, 47RE, 47RH ZIP KIT® Parts are labeled here in order of installation. ... Step Replace Manual Valve, Reinstall ... Transmission Oil Temperature Sensor Signal to PCM.10 pages

A518 46RE A618 47RE Transmission Parts A518 A618 46RE 47RE A518 46RE A618 47RE transmission parts A518 46RE A618 47RE transmission sprag A518 46RE A618 47RE transmission kits. Search. Categories. ON SALE; TRANSMISSION PARTS AUTOMATIC TRANSMISSION KITS. GM Front Wheel Drive. TH125 3T40 79-ON; TH325 79-81; TH325-4L 82-86; TH425 FWD 67-78; 4T40E 4T45E; 440T4 4T60; 4T60E 91-01 ... PDF 42re Transmission Parts Diagram 42re Transmission Parts Diagram The Chrysler 42RE (A500SE) is a 4 speed automatic transmission. Mechanical and hydraulic components in the 42RE are similar to those found in the 42RH (A500) transmissions. The major difference between them involves the method they use to produce governor pressure for shift control. The 42RE (A500SE) 42re ... A518 A618 48RE Transmission Parts and Rebuild Kits ... Buy high quality low priced Dodge A518 A618 automatic transmission parts and get flat $5 on every order at Global Transmission Parts. Toggle menu (844) 298-6404 Sonnax Chrysler 42-44-46-47-RH/RE, 48RE Valve Body Layout Sonnax valve body diagram for 42RE, 42RH, 46RE, 46RH, 47RE, 47RH, 48RE units. View recommended parts for quality repairs of common transmission problems quickly

CHRYSLER TF-8 A618 A518

CHRYSLER TF-8 A618 A518

MOPAR Chrysler Dodge Pymouth Automatic Transmission Parts 518, band front a518, 46re/rh, 47re, 48re 62-up (pro series high performance) chrysler dodge a518 46rh 46re 47re a618 48re transmission parts band front ridgid a518, 46re/rh, 47re, 48re 90-up (alto power band) chrysler dodge a518 46rh 46re 47re a618 48re transmission parts 518, band front a518, 46re/rh, 47re, 48re 90-up(green high energy lined)(amd) chrysler dodge a518 46rh 46re 47re a618 48re ...

53392C A500 A518 A618 42RE 46RE 47RE Transmission overdrive & lockup  solenoid 1996-99

53392C A500 A518 A618 42RE 46RE 47RE Transmission overdrive & lockup solenoid 1996-99

SOLVED: Need diagram for a dodge 46re transmission - Fixya I need a transmission parts diagram for a 1999 dodge ram 1500 with a 46-re. I have the dame transmission just type yr make model eng size and 46re transmission diagram and it gives you several choices Read full answer. Mar 27, 2019 • Dodge Cars & Trucks. 0 helpful. 1 answer.

Chrysler A904 TF6 30RH A998 31RH A999 32RH Automatic ...

Chrysler A904 TF6 30RH A998 31RH A999 32RH Automatic ...

48RE transmission parts Dodge diesel transmission 48RE transmission parts Dodge diesel transmission. Search. Categories. ON SALE; TRANSMISSION PARTS AUTOMATIC TRANSMISSION KITS. GM Front Wheel Drive. TH125 3T40 79-ON ... A518 46RE A618 46RE 47RE; 48RE HD RWD; 45RFE 5-45RFE; 4N71B L4N71B; 42RLE; 68RFE; Ford Front Wheel Drive. ATX 1981-94; AXOD 1986-91; AXODE AX4S 1991-04; TF-81SC; AX4N 4F50N ...

Trans Parts Online 604 604 Transmission Parts

Trans Parts Online 604 604 Transmission Parts

42re Transmission Parts Diagram - texinstitute.com File Type PDF 42re Transmission Parts Diagram [email protected] - michaelpuff.de Transmission Pan: (1087298247) Transmission fluid level check between 40 — 50 deg C. # MAKE SURE if transmission has a cooler bypass valve, that transmission has been warmed up sufficiently to open the valve and purge any air that may be in the Transmission Cooling

A904 (30RH | 31RH | 32RH) - Chrysler | Dodge - Automatic

A904 (30RH | 31RH | 32RH) - Chrysler | Dodge - Automatic

46re Wiring Diagram - schematron.org 46re Transmission Diagram ~ here you are at our site, this is images about 46re transmission diagram posted by Brenda Botha in Diagram category on Nov 16, You can also find other images like wiring diagram, engine diagram, sensor location, fuel pump location, starter location, control module location, parts diagram, replacement parts ...

ATSG 46RE 47RE 48RE Transmission Repair Manual (48RE Transmission - 48RE  Governor Pressure Solenoid - 48RE Valve Body - Best Repair Book Available!)

ATSG 46RE 47RE 48RE Transmission Repair Manual (48RE Transmission - 48RE Governor Pressure Solenoid - 48RE Valve Body - Best Repair Book Available!)

46RE 47RE 48RE - ATSG (Automatic Transmission Service ... The 46RE, 47RE and 48RE transmissions are all four speed fully automatic units with an electronic governor. They are equipped with a lock-up clutch in the torque converter. First through third gear ranges are provided by the clutches, bands, low-roller clutch, and planetary gearsets in the transmission. Fourth gear is provided by the overdrive ...

Case & Related Parts of Automatic Transmission - 1998 Dodge ...

Case & Related Parts of Automatic Transmission - 1998 Dodge ...

PDF 46RH/46RE/47RH/47RE/48RE (A518 / A618) RWD 4 Speed Parts. 741. 916-6. 995-1 995-2. 995-3. 995. Park Pawl Assy. ... *Prefix Letter 'B' denotes Bryco Brand Transmission Kits. ILLUS. #.6 pages

Download 46rh images for free

Download 46rh images for free

46re Transmission Wiring Diagram - schematron.org 46re Transmission Electrical Diagram ~ thank you for visiting our site, this is images about 46re transmission electrical diagram posted by Alice Ferreira in 46re category on Nov 13, You can also find other images like wiring diagram, parts diagram, replacement parts, electrical diagram, repair manuals, engine diagram, engine scheme.

Project Diesel Mega Cab - Lucas Oil

Project Diesel Mega Cab - Lucas Oil

PDF Chrsler 46re, 46rh, 47re, 47rh Zip It CHRSLER 46RE, 46RH, 47RE, 47RH ZIP IT ® PAT NUBE 46-47E-IP UIC UIE 1 3 4 5 2 5 ©2019 Sonnax Transmission Company, Inc. • A Marmon/Berkshire Hathaway Company 46-47RHE-ZIP_Guide_A 02-11-19 800-843-2600 • 802-463-9722 • F: 802-463-4059 • Page 1 Parts are labeled here in order of installation.

Technical Data

Technical Data

47RE / 47RH / 618 Performance Transmissions and Parts from ... 46RE 47RE Transmission Dodge 46RE 46RH 47RE 47RH Transmissions Level 3 Mega Viper Series $ 3769.00 Select options; 46RE 47RE Transmission Dodge 46RE 46RH 47RE 47RH Transmissions Level 2 Viper Series $ 3279.00 Select options; 48RE 47RE 46RE Heavy Duty Input Shaft Sonnax Number 22121B-01 $ 960.15 Add to cart

Genuine OE Mopar Transmission Package, Remanufactured - R5159973AF

Genuine OE Mopar Transmission Package, Remanufactured - R5159973AF

Dodge 46Re Transmission Diagram | Diagram Files Dodge 46Re Transmission Diagram. New crossmember using the old crossmember ends because the transmission mount is lower on a 518 transmission than a 727 transmission. I am new to this forum and a bit desperate. Dodge 46RE transmission problems from 2000 ram 1500, 5.9, automatic, 4wd, std cab, short box. The build sheet says …

Despiese de transmisiones automotrices

Despiese de transmisiones automotrices

PDF 42re Transmission Parts Diagram Download Ebook 42re Transmission Parts Diagram 42rle transmission parts & rebuild kits. 42rle a500 42re 42rh 44re a727 tf8 a518 46re 46rh a618 47rh 47re 48re a904 30rh transmission transfer case adapter seal fits chrysler dodge jeep plymouth international '60+ (4269956ab) AUTOMATIC TRANSMISSION - 42RLE - Transmission Parts ...

A518 (46RE), A618 (47RE, 48RE) Transmission Parts Chrysler ...

A518 (46RE), A618 (47RE, 48RE) Transmission Parts Chrysler ...

PDF 42re Transmission Parts Diagram - fckme.org 42re Transmission Parts Diagram - atcloud.com 42re Transmission Parts Diagram The Chrysler 42RE (A500SE) is a 4 speed automatic transmission. Mechanical and hydraulic components in the 42RE are similar to those found in the 42RH (A500) transmissions. The major difference between them involves the method they use to produce

Suncoast 46RE/47RE/48RE Manual

Suncoast 46RE/47RE/48RE Manual

Dodge Transmission Parts Dodge Automatic Transmission 518, REVERSE SERVO PISTON 2.479" O.D. USED WITH DOUBLE WRAP BAND DODGE CHRYSLER A518 46RH 46RE 47RE A618 48RE Transmission Parts: 518, REVERSE SERVO PISTON 2.812" O.D. DODGE CHRYSLER A518 46RH 46RE 47RE A618 48RE Transmission Parts 518, REPROGRAMMING KIT TFOD, 4 Speed Full Manual Control-Race (Transgo) (88-04) TF 500-518-618 88-03 4 speed Except 03-up 48RE Stick Shift Kit Full-race Competition ...

December 2008 Issue - Transmission Digest

December 2008 Issue - Transmission Digest

SOLVED: Vacuum line diagram on 46re transmission. - Fixya I need a transmission parts diagram for a 1999 dodge ram 1500 with a 46-re. I have the dame transmission just type yr make model eng size and 46re transmission diagram and it gives you several choices Read full answer. Mar 27, 2019 • Dodge Cars & Trucks. 0 helpful. 1 answer.

A518 / A618 / 46RH / 46RE / 47RH / 47RE / 48RE - Aptta Brasil

A518 / A618 / 46RH / 46RE / 47RH / 47RE / 48RE - Aptta Brasil

Transmission: Dodge 46RE / 46RH / 47RE / 47RH Transmissions

Transmission: Dodge 46RE / 46RH / 47RE / 47RH Transmissions

Dodge 46re Diagram | 46re transmission, Diagram, Dodge

Dodge 46re Diagram | 46re transmission, Diagram, Dodge

CHRYSLER 46RE, 46RH, 47RE, 47RH ZIP KIT®

CHRYSLER 46RE, 46RH, 47RE, 47RH ZIP KIT®

46RH transmission repair manuals (46RE/47RH/A518/A618 ...

46RH transmission repair manuals (46RE/47RH/A518/A618 ...

Chrysler 46RE Class Part 2 lesson 7

Chrysler 46RE Class Part 2 lesson 7

ATSG 46RE 47RE 48RE Transmission Repair Manual (48RE Transmission - 48RE  Governor Pressure Solenoid - 48RE Valve Body - Best Repair Book Available!)

ATSG 46RE 47RE 48RE Transmission Repair Manual (48RE Transmission - 48RE Governor Pressure Solenoid - 48RE Valve Body - Best Repair Book Available!)

A904 (30RH | 31RH | 32RH) - Chrysler | Dodge - Automatic

A904 (30RH | 31RH | 32RH) - Chrysler | Dodge - Automatic

GM TH400 Automatic Transmission Exploded view spare part ...

GM TH400 Automatic Transmission Exploded view spare part ...

Transmission gear is stuck on 3rd shift with DTC P0748 | Page ...

Transmission gear is stuck on 3rd shift with DTC P0748 | Page ...

Trans Parts Online 518 518 Transmission Parts

Trans Parts Online 518 518 Transmission Parts

Case & Related Parts - 2002 Dodge Ram Van

Case & Related Parts - 2002 Dodge Ram Van

Chrysler 46RE, 47RE Valve Body 2000-UP, Late Style Manual ...

Chrysler 46RE, 47RE Valve Body 2000-UP, Late Style Manual ...

S10 T5 Diagram / Drawing - Chevrolet Transmission Repair Parts

S10 T5 Diagram / Drawing - Chevrolet Transmission Repair Parts

52118432 - Genuine Mopar Trans-46RE Cc

52118432 - Genuine Mopar Trans-46RE Cc

46re rear servo replacement | DodgeTalk Forum

46re rear servo replacement | DodgeTalk Forum

Transmission Parts Online 727 904 Transmission Parts

Transmission Parts Online 727 904 Transmission Parts

46RE Return line and Supply Line - Transmission Cooler ...

46RE Return line and Supply Line - Transmission Cooler ...

Transmission Parts Online 518 518 Transmission Parts

Transmission Parts Online 518 518 Transmission Parts

Trans Parts Online 500 500 Transmission Parts

Trans Parts Online 500 500 Transmission Parts

Sonnax 45RFE, 545RFE, 68RFE Checkball Locations

Sonnax 45RFE, 545RFE, 68RFE Checkball Locations

Chrysler A518 46RH 46RE A618 47RH 47RE 48RE Automatic ...

Chrysler A518 46RH 46RE A618 47RH 47RE 48RE Automatic ...

Amazon.com: Shift Rite Transmissions replacement for 47RE ...

Amazon.com: Shift Rite Transmissions replacement for 47RE ...

Sonnax Chrysler 46RE Transmission

Sonnax Chrysler 46RE Transmission

0 Response to "39 46re transmission parts diagram"

Post a Comment

Iklan Atas Artikel

Iklan Tengah Artikel 1

Iklan Tengah Artikel 2

Iklan Bawah Artikel