Iklan 300x250

39 poulan pro pp4218avx fuel line diagram

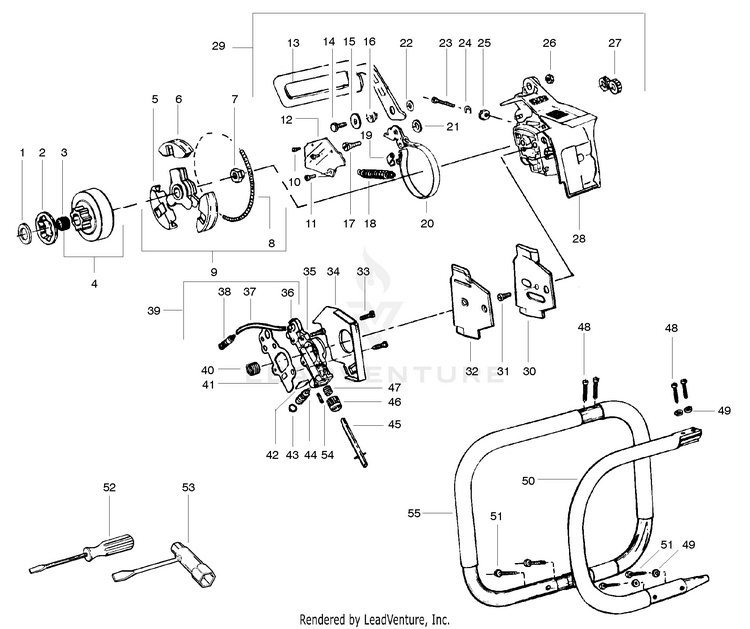
PDF Poulan pro pp4218avx fuel line diagram LINE CONFIGURATION - YOUTUBE 2017-11-19 · Pp4218avx 42cc, Poulan pro From youtube.com Author 777aroundtheworldViews 32K POULAN CHAINSAW CARBURETOR FUEL LINE DIAGRAM 2018-10-09 · Carburetor Fuel Line Filter Tool Carb Kit For Poulan Craftsman Gas Pro Blower BVMC BVMVS PC W GBV P32 Weedeater Chainsaw Poulan PP4218AVX Gas Saw, 4218AVX - Poulan Pro Parts ... Poulan PP4218AVX Gas Saw, 4218AVX - Poulan Pro Engine Parts Diagram SWIPE SWIPE Engine Housing PP4218AVX Gas Saw, 4218AVX - Poulan Pro Engine Move JavaScript Disabled - Unable to show Cart 1 530016153 Screw 2 573992801 Ignition Module (No Longer Available) 3

How-To Videos - Poulan Pro Learn basic Poulan Pro features and operation tips on wheeled and handheld products. Learn basic Poulan Pro features and operation tips on wheeled and handheld products. Cookies help us deliver a better experience. By using this site, you agree to our use of cookies. Learn More. Got it ...

Poulan pro pp4218avx fuel line diagram

Poulan pro pp4218avx fuel line diagram

PP4218A Poulan Chainsaw Parts & Free Repair Help ... Narrow your search down by symptom and read the amazing step by step instructions and troubleshooting tips for Poulan model PP4218A from do-it-yourselfers just like you. We have use and care manuals for Poulan model PP4218A and our expert installation videos for Poulan model PP4218A below will help make your repair very easy. Poulan PP4218A. Poulan Chainsaw Model PP4218AVX/TYPE 3 Parts - Repair Clinic Poulan Chainsaw Model PP4218AVX/TYPE 3 Parts. Poulan Chainsaw Model PP4218AVX/TYPE 3 Parts are easily labeled on this page to help you find the correct component for your repair. Filter results by category, title and symptom. You can also view diagrams and manuals, review common problems that may help answer your questions, watch related videos, read insightful articles or use our repair help ... Poulan PP4218AVX Gas Saw, 4218AVX - Poulan Pro Parts Diagrams Poulan PP4218AVX Gas Saw, 4218AVX - Poulan Pro Parts Diagrams SWIPE SWIPE Engine Housing JavaScript Disabled - Unable to show Cart Parts Lookup - Enter a part number or partial description to search for parts within this model. There are (109) parts used by this model. Found on Diagram: Engine 530016153 Screw Options 573992801

Poulan pro pp4218avx fuel line diagram. Poulan Pro Fuel Line Diagram - Diagram Niche Ideas Fuel lines are in constant contact with gasoline. #poulan pro 220 fuel line diagram. Poulan pro 295 manual online: Poulan wiring diagram furthermore jonsered hydrostatic. If youve stored your poulan chainsaw for a long time the dried out gas deposits can also. Need fuel line diagram poulan p4018 chainsaw. Poulan Pro Chainsaw Parts Diagram Pp4218avx Sep 14, 2018 · Get Parts, Repair Help, Manuals and Care Guides for PPAVX Poulan Chainsaw - Gas Chainsaw. View parts like Filter and Fuel Line - Poulan PPAVX Gas Saw, AVX - Poulan Pro Housing Parts Diagram . 62 Drive Link 18" Low Kickback Chisel Chainsaw Chain $ Download illustrated parts list for your Poulan Pro chainsaw model below to find OEM part numbers. Poulan Pp4218avx Fuel Line Diagram - wiringall.com Poulan Pp4218avx Fuel Line Diagram Get Parts, Repair Help, Manuals and Care Guides for PPAVX Poulan Chainsaw - Gas Chainsaw. PP4218AVX Poulan Chainsaw Parts & Repair Help | PartSelect This is the replacement fuel line 25 Inch for several OPE products that use small engines. The fuel line carries fuel from the tank to the carburetor. Over time, the fuel line can become badly clogged... $ 4.77 In Stock Add to cart Order within the next 4 hrs and your part ships today! Engine Fuel Filter ★★★★★ ★★★★★ (2) PartSelect #: PS9285148

Poulan Pro PP 4218 AVX - Poulan Pro Chainsaw ... - PartsTree PP 4218 AVX - Poulan Pro Chainsaw Housing Parts Diagram Chainsaw Housing Parts Diagram 1 Poulan Part# 530071927 Kit-Trigger/Lockout In Stock, only 1 left! $ 7.82 Add to Cart 0 2 Poulan Part# 545011903 Cover-Handle In Stock, only 1 left! $ 6.70 Add to Cart 0 3 Poulan Part# 530016433 Screw Usually ships in 4 to 8 days $ 3.34 Add to Cart 0 4 Poulan PP4218AVX Fuel Filter and Fuel Line - Lil' Red Barn Suitable Replacement Poulan PP4218AVX Fuel Line & Fuel Filter Parts The purpose of the fuel line is to supply fuel from the fuel tank to the carburetor. The Poulan PP4218AVX fuel filter is designed to filter all fuel fed into the carburetor. The fuel filter is connected to the fuel line with a barb fitting on the nipple of the filter. Poulan Pro PP 4218 AVX - Poulan Pro Chainsaw ... - PartsTree PP 4218 AVX - Poulan Pro Chainsaw Engine Parts Diagram Chainsaw Engine Parts Diagram 1 Poulan Part# 530016153 Screw In Stock, Qty 20+ $ 3.34 Add to Cart 0 2 Poulan Part# 530039232 Module-Ignition (Superseded to 573992801) Not available 3 Poulan Part# 530016432 Screw In Stock, Qty 20+ $ 3.34 Add to Cart 0 4 Poulan Part# 530058661 Strap-Ground Amazon.com: poulan pro pp4218avx parts Mckin 545070601 PP4218A PP3816A Carburetor + Fuel Cap + Air Filter Adjustment Tool fits Poulan Pro PP3416 PP3516 PP3516AVX PP3816 PP4018 PP4218 PP4218AVX PPB3416 SM4218AV SM4218AVX Chainsaw 164 $23 99 Get it as soon as Tue, Mar 29 FREE Shipping on orders over $25 shipped by Amazon

Poulan Pro 18 in. 42cc Gas Chainsaw PP4218AVX The Poulan Pro 18 in. Gas 42cc Chainsaw is powered by a DuraLife engine with a heavy-duty forged crankshaft and connecting rod to help ensure a long working life. This chainsaw features a combined choke and on/off switch that helps prevent flooding and also comes with a mail-in offer for a free carrying case. Poulan PP4218AVHD TYPE 1 gas chainsaw manual Download the manual for model Poulan PP4218AVHD TYPE 1 gas chainsaw. Sears Parts Direct has parts, manuals & part diagrams for all types of repair projects to help you fix your gas chainsaw! ... Lawn & garden equipment fuel line, large. Poulan Gas Chainsaw | PP4218AVX | eReplacementParts.com Remember this has the small OD fuel line and it has to slip over tightly without over stretching the tube. Hello countrylawyer, The part number 530095646 Fuel Pick-up Assembly is the correct filter for the Poulan PP4218AVX Chainsaw.-WJA Question: Poulan Pro PP4218AVX . 1220175. Today I cleaned the carb and re-installed. Now the choke set doesn't work. Is there a diagram … Poulan Gas Chain Saw | PP4218AVL | eReplacementParts.com Poulan PP4218AVL Type 2 Gas Chainsaw Parts We Sell Only Genuine Poulan Parts Fuel Filter $5.09 Add to Cart Fuel Line $6.36 Add to Cart Purge Line $6.36 Add to Cart Spark Plug $5.09 Add to Cart Purge Bulb $6.36 Add to Cart Fuel Cap Assembly $6.36 Add to Cart Clutch Drum $10.19 Add to Cart Zama Carburetor $53.54 Add to Cart Search within model

Poulan PP4218AVX Gas Saw, 4218AVX - Poulan Pro Parts Diagram ...

Poulan PP4218AVX Gas Saw, 4218AVX - Poulan Pro Parts Diagram ...

Poulan chainsaw compression - konten-vergleich.de How to replace the fuel line on a Poulan 2055LE chainsaw. asking what i have in it 40 Jul 20, 2020 · Poulan Pro PR4016 is a powerful gas chainsaw with some unique features of its own. Poulan xxv deluxe chainsaw. I lost compression. I tore that that chainsaw done to nothing. We limited this class of saws to a price point under 0, which means they'll typically have an engine …

Poulan Pro PP455 Gas Chain Saw

Poulan Pro PP455 Gas Chain Saw

Poulan Chainsaw PP4218AVX - OEM Parts & Repair Help - Fix.com Shop for Poulan Chainsaw PP4218AVX repair parts today! Find parts by name, location or by symptoms like will not start & engine stops after a few seconds or minutes. ... These are the most commonly purchased repair parts for PP4218AVX. Engine Fuel Filter $ 3.57. Fuel Line (1) $ 4.77. Tank Purge Line $ 4.77. Bulb-Purge "snap-in" $ 4.77 ...

Poulan 2250 Gas Saw Type 5, Woodmaster 2250 Gas Saw Type 5 ...

Poulan 2250 Gas Saw Type 5, Woodmaster 2250 Gas Saw Type 5 ...

poulan pro pp4218a 42cc chainsaw carburetor fuel line ... carb kithttps://amzn.to/3AqoDMzif this video helped you donate a buck or two to my GoFundMe accounthttps:// ...

Poulan P3314 2-Cycle Chainsaw: Replace Primer Bulb, Fuel ...

Poulan P3314 2-Cycle Chainsaw: Replace Primer Bulb, Fuel ...

Poulan Chainsaw Fuel Line Diagram | ... installed a new ... Oct 5, 2017 - I just installed a new carburetor on a Poulan # 2175 and it will not run after the start up with the fuel bulb. I need - Answered by a verified Technician

Poulan PP4218 Gas Saw Type 2 Parts Diagram for Starter Type 1-2

Poulan PP4218 Gas Saw Type 2 Parts Diagram for Starter Type 1-2

Poulan PP4218AVX gas chainsaw parts | Sears PartsDirect Poulan PP4218AVX gas chainsaw parts - manufacturer-approved parts for a proper fit every time! We also have installation guides, diagrams and manuals to help you along the way!

Poulan 4000 Fuel Filter and Fuel Line

Poulan 4000 Fuel Filter and Fuel Line

Poulan Chainsaw Carburetor Fuel Line Diagram Run a new line from the lower carburetor port to the active. the fuel lines that supply gasoline to the engine of your Poulan chainsaw and the outer housing of the chainsaw in place so you can access the carburetor.diagramweb.net: poulan chainsaw fuel line. I need the fuel line diagram for a poulan 2055 chainsaw From The Community.

Chainsaw Carburetor 545070601 Chainsaws | Chainsawsi.com

Chainsaw Carburetor 545070601 Chainsaws | Chainsawsi.com

Poulan pro 300ex drive belt diagram Poulan Pro 300ex Drive Belt Diagram If you're searching for poulan pro 300ex drive belt diagram images information connected with to the poulan pro 300ex drive belt diagram topic, you have visit the ideal blog. Our site frequently gives you suggestions for viewing the maximum quality video and picture content, please kindly surf and locate more informative video articles and images that ...

How to replace chainsaw fuel lines | Repair guide

How to replace chainsaw fuel lines | Repair guide

Poulan Pro Chainsaw Parts Diagram Pp4218avx Poulan Pro Chainsaw Parts Diagram Pp4218avx Search Poulan Pro owner's manuals, illustrated parts lists and more. We have parts, diagrams, accessories and repair advice to make your tool Poulan PPAVX Gas Chainsaw Parts Question: Poulan Pro Chain Saw. Did your Poulan model PPAVX chainsaw, gas break down?

Echo CS-306 C09413001001-C09413999999 Chain Saw Fuel and Oil ...

Echo CS-306 C09413001001-C09413999999 Chain Saw Fuel and Oil ...

Poulan pro - fuel line configuration - YouTube Pp4218avx 42cc, Poulan pro

Replacing Fuel Line on Poulan Chainsaw 2055LE

Replacing Fuel Line on Poulan Chainsaw 2055LE

Poulan Chainsaw Model PP4218AVX/TYPE 1 Parts - Repair Clinic The primer bulb draws fuel into the carburetor to make the engine easier to start. The short port on the primer bulb is the inlet. The longer port is the outlet back to the fuel tank. Poulan Chainsaw Carburetor Genuine OEM Part # 545070601 | RC Item # 1995880 Watch Video $35.30 In Stock ADD TO CART Chainsaw carburetor.

Chainsaw fuel line replacement in a Poulan

Chainsaw fuel line replacement in a Poulan

Poulan Pp4218avx Fuel Line Diagram - schematron.org Sep 27, 2018 · Poulan Pp4218avx Fuel Line Diagram 27.09.2018 0 Comments We Sell Only Genuine Poulan ® Parts. Poulan PPAVX Gas Chainsaw Parts Remember this has the small OD fuel line and it has to slip over tightly. Poulan PPAVX Gas Saw, AVX - Poulan Pro Exploded View parts lookup by model. Found on Diagram: Engine Fuel Line (25" Long).

Poulan Chainsaw Fuel Line Routing and Placement - YouTube

Poulan Chainsaw Fuel Line Routing and Placement - YouTube

How to Replace Gas Tubing on a Poulan Chain Saw | Home ... How to Replace Gas Tubing on a Poulan Chain Saw. The fuel supply hoses on Poulan chain saws carry fuel from the fuel tank to the purge bulb and carburetor. The purge bulb primes the carburetor for ...

How to replace chainsaw fuel lines | Repair guide

How to replace chainsaw fuel lines | Repair guide

USPEEDA Carburetor for Poulan PP4218 PP4218AV PP4218AVX ... Fits for Poulan P3314,P3314WS,P3314WSA,P3416,P3516PR,P3816,P3818,P4018,P4018WM,P401,P4018WT P4018WTL,PP3416,PP3516,PP3516AVX,PP3816,PP4018,PP4218,PPB3416,PPB4018,PPB4218,S1970,P3818AV,P4018AV,P4018AV-BH,PP3816AV,PP4218AV,PP4218AVX,PP4218AVHD,PP4218AVL,SM4218AV,PP4018,PP4218,SM4218AVX,SM4518AVX Fit: P3314 Gas Saw Type 1-2-->Engine Assembly Type 1-2 P3314WS Gas Saw Type 1-2-->Engine Assembly ...

Poulan Chainsaw Fuel Line Repair, How to Replace the Fuel ...

Poulan Chainsaw Fuel Line Repair, How to Replace the Fuel ...

Poulan PP4218AVX Gas Saw, 4218AVX - Poulan Pro Parts Diagrams Poulan PP4218AVX Gas Saw, 4218AVX - Poulan Pro Parts Diagrams SWIPE SWIPE Engine Housing JavaScript Disabled - Unable to show Cart Parts Lookup - Enter a part number or partial description to search for parts within this model. There are (109) parts used by this model. Found on Diagram: Engine 530016153 Screw Options 573992801

Poulan P3314 2-Cycle Chainsaw: Replace Primer Bulb, Fuel ...

Poulan P3314 2-Cycle Chainsaw: Replace Primer Bulb, Fuel ...

Poulan Chainsaw Model PP4218AVX/TYPE 3 Parts - Repair Clinic Poulan Chainsaw Model PP4218AVX/TYPE 3 Parts. Poulan Chainsaw Model PP4218AVX/TYPE 3 Parts are easily labeled on this page to help you find the correct component for your repair. Filter results by category, title and symptom. You can also view diagrams and manuals, review common problems that may help answer your questions, watch related videos, read insightful articles or use our repair help ...

Where do the fuel and primer lines go in a Craftsman or Poulan Chainsaw?

Where do the fuel and primer lines go in a Craftsman or Poulan Chainsaw?

PP4218A Poulan Chainsaw Parts & Free Repair Help ... Narrow your search down by symptom and read the amazing step by step instructions and troubleshooting tips for Poulan model PP4218A from do-it-yourselfers just like you. We have use and care manuals for Poulan model PP4218A and our expert installation videos for Poulan model PP4218A below will help make your repair very easy. Poulan PP4218A.

If you're seeing this message, that means JavaScript has been ...

If you're seeing this message, that means JavaScript has been ...

Poulan Pro 4218 chainsaw woes - The Home Shop Machinist ...

Poulan Pro 4218 chainsaw woes - The Home Shop Machinist ...

Beautycom C1M-W26 Carburetor Tune Up Kit for Poulan Pro ...

Beautycom C1M-W26 Carburetor Tune Up Kit for Poulan Pro ...

Poulan Chainsaw Fuel Line Repair, How to Replace the Fuel ...

Poulan Chainsaw Fuel Line Repair, How to Replace the Fuel ...

Poulan pro - fuel line configuration - YouTube

Poulan pro - fuel line configuration - YouTube

Poulan Pro Pp4218Avx Users Manual OM, PP4218AVX, 2008 07 ...

Poulan Pro Pp4218Avx Users Manual OM, PP4218AVX, 2008 07 ...

Poulan PP4620AVHD Gas Saw Parts Diagram for Engine Assembly

Poulan PP4620AVHD Gas Saw Parts Diagram for Engine Assembly

Mckin 545070601 PP4218A PP3816A Carburetor + Fuel Cap + Air Filter  Adjustment Tool fits Poulan Pro PP3416 PP3516 PP3516AVX PP3816 PP4018  PP4218 ...

Mckin 545070601 PP4218A PP3816A Carburetor + Fuel Cap + Air Filter Adjustment Tool fits Poulan Pro PP3416 PP3516 PP3516AVX PP3816 PP4018 PP4218 ...

Poulan P3314 Parts Manual | Manualzz

Poulan P3314 Parts Manual | Manualzz

How to Replace the Fuel Return Line on a Poulan Chainsaw ...

How to Replace the Fuel Return Line on a Poulan Chainsaw ...

How To: Replace Fuel Filter, Primer Bulb, Fuel Line & Return Line's On  Poulan Chainsaw

How To: Replace Fuel Filter, Primer Bulb, Fuel Line & Return Line's On Poulan Chainsaw

poulan pp4218avhd primer bulb pn 530-047721

poulan pp4218avhd primer bulb pn 530-047721

SOLVED: I NEED A DIAGRAM OF THE FUEL LINE TO THE - Fixya

SOLVED: I NEED A DIAGRAM OF THE FUEL LINE TO THE - Fixya

How to replace chainsaw fuel lines | Repair guide

How to replace chainsaw fuel lines | Repair guide

Poulan P3314 2-Cycle Chainsaw: Replace Primer Bulb, Fuel ...

Poulan P3314 2-Cycle Chainsaw: Replace Primer Bulb, Fuel ...

20 Most Recent Poulan Pro 42CC 2 Cycle Chainsaw, 18 ...

20 Most Recent Poulan Pro 42CC 2 Cycle Chainsaw, 18 ...

Poulan Chainsaw Fuel Line Routing and Placement

Poulan Chainsaw Fuel Line Routing and Placement

Poulan pro 220 38cc repair

Poulan pro 220 38cc repair

Poulan P3314 2-Cycle Chainsaw: Replace Primer Bulb, Fuel ...

Poulan P3314 2-Cycle Chainsaw: Replace Primer Bulb, Fuel ...

Poulan PPB150E Gas Trimmer Type 3 Parts Diagrams

Poulan PPB150E Gas Trimmer Type 3 Parts Diagrams

How to Replace the Fuel Return Line on a Poulan Chainsaw ...

How to Replace the Fuel Return Line on a Poulan Chainsaw ...

IPL, Poulan Pro, Daht25, 952715642, 2007-07, Hedge Trimmer

IPL, Poulan Pro, Daht25, 952715642, 2007-07, Hedge Trimmer

20 Most Recent Poulan Pro 42CC 2 Cycle Chainsaw, 18 ...

20 Most Recent Poulan Pro 42CC 2 Cycle Chainsaw, 18 ...

0 Response to "39 poulan pro pp4218avx fuel line diagram"

Post a Comment

Iklan Atas Artikel

Iklan Tengah Artikel 1

Iklan Tengah Artikel 2

Iklan Bawah Artikel